GM Service Manual Online
For 1990-2009 cars only
Makes
🢒
Saturn
🢒
2003
🢒
VUE - FWD
🢒
Transmission/Transaxle
🢒
Automatic Transmission - VT25-E
🢒 Automatic Transmission Controls Schematics
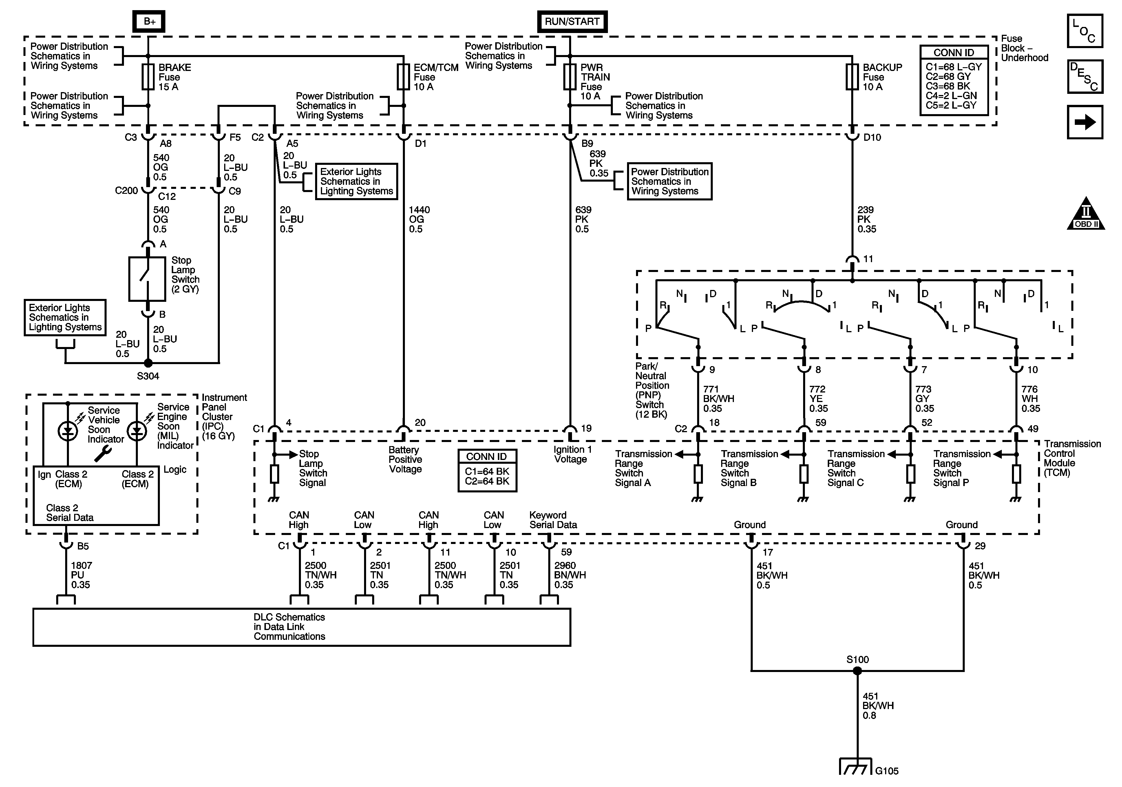
Figure
1:
Power, Ground, Serial Data, and Switch Signals
Master Electrical Component List
Transmission Component and System Description
Sensors and Solenoids
OBD II Symbol Description Notice
Battery Power to the Fuse Block, Starter, and Generator
LH HDLP,RH HDLP,HTD SEATS,BRAKE,PREM AUD, and BATT FEED Fuses
PWR WDW,SUNROOF,ABS,ABS PWR,HVAC BLOWER,AUX1 OUTLET,CIGAR/AUX2,ECM/TCM Fuses and the PWR WDW Relay
Ignition Switch
Ignition Switch
Stop Lamps
Ignition Switch
Stop Lamps
DLC Schematic
G103, G105, and G207 - L61
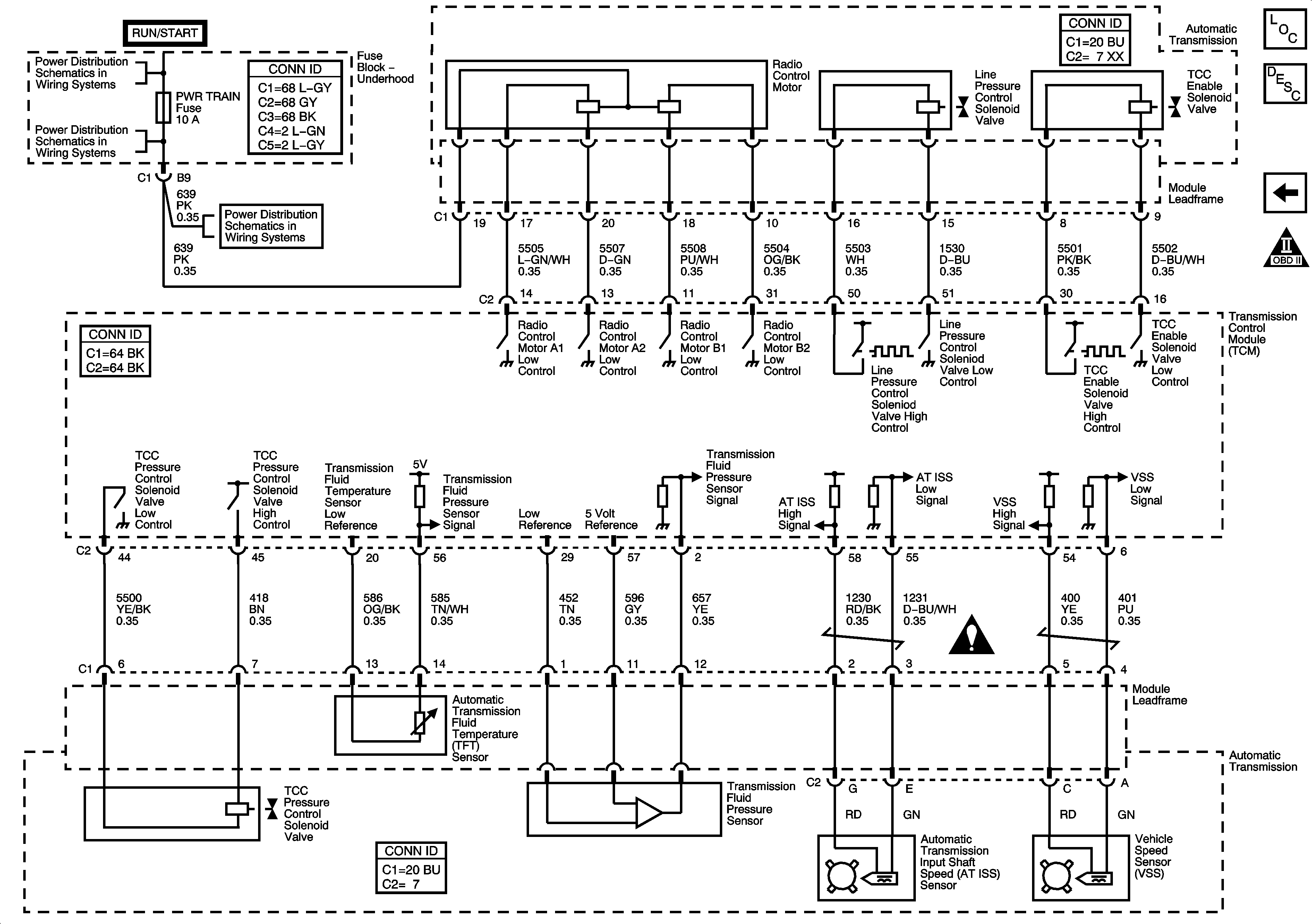
Figure
2:
Sensors and Solenoids
Master Electrical Component List
Transmission Component and System Description
Power, Ground, Serial Data, and Switch Signals
OBD II Symbol Description Notice
Ignition Switch
Ignition Switch
Ignition Switch
Automatic Transmission Schematic Icons