GM Service Manual Online
For 1990-2009 cars only
Makes
🢒
Saturn
🢒
2003
🢒
VUE - FWD
🢒 3.0L
3.0L
Master Electrical Component List
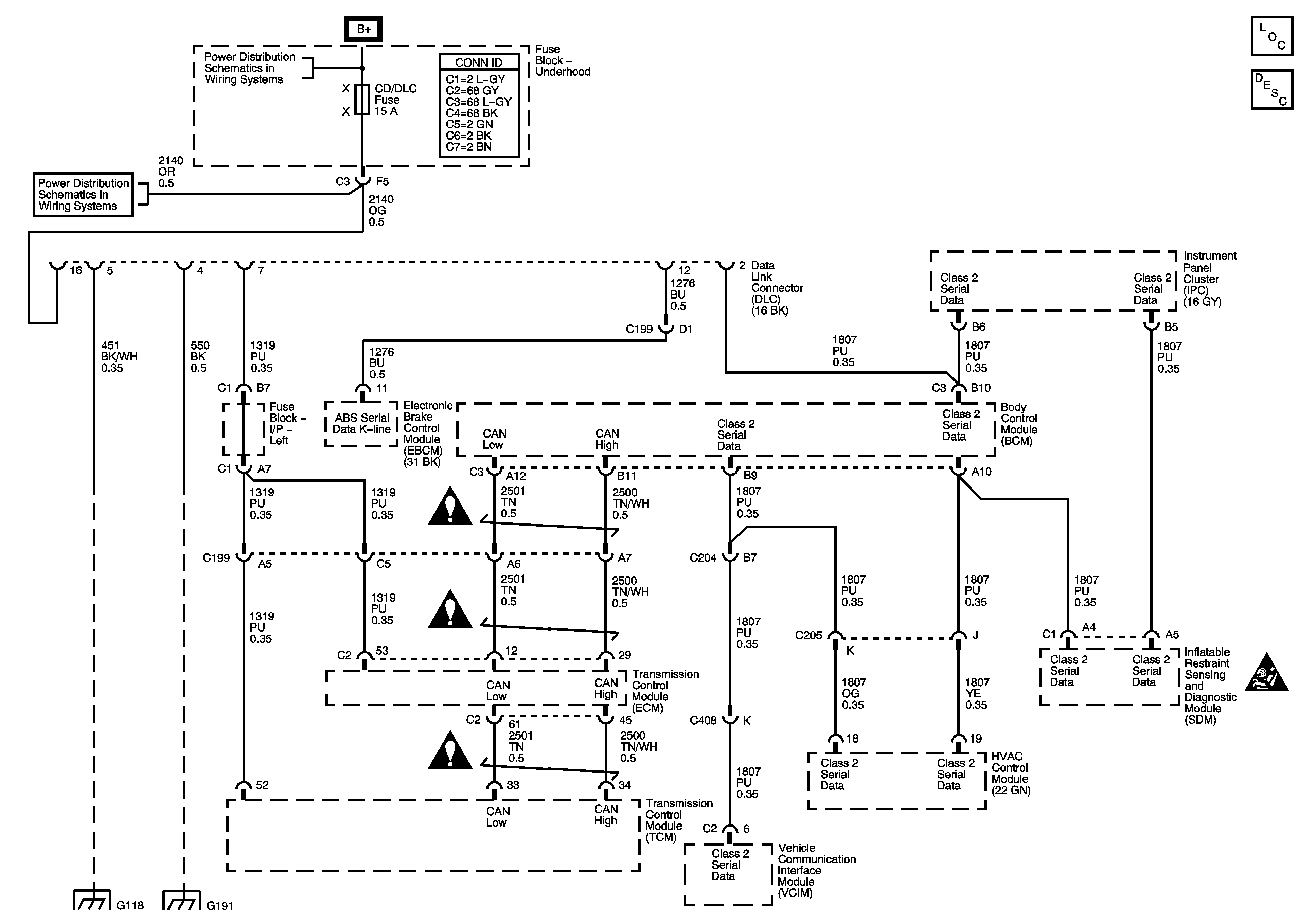
Data Link Communications Description and Operation
Fuse Block-Underhood : HVAC Blower, Radio/Onstar and CD/DLC - Fuse Block-Left I/P : IGN3
Fuse Block-Underhood : HVAC Blower, Radio/Onstar and CD/DLC - Fuse Block-Left I/P : IGN3
Data Link Communications Schematic Icons
Data Link Communications Schematic Icons
Data Link Communications Schematic Icons
SIR Caution for Zoning
G102, G110, G118, G114
G191 and G303