GM Service Manual Online
For 1990-2009 cars only
Makes
🢒
Saturn
🢒
2003
🢒
VUE - FWD
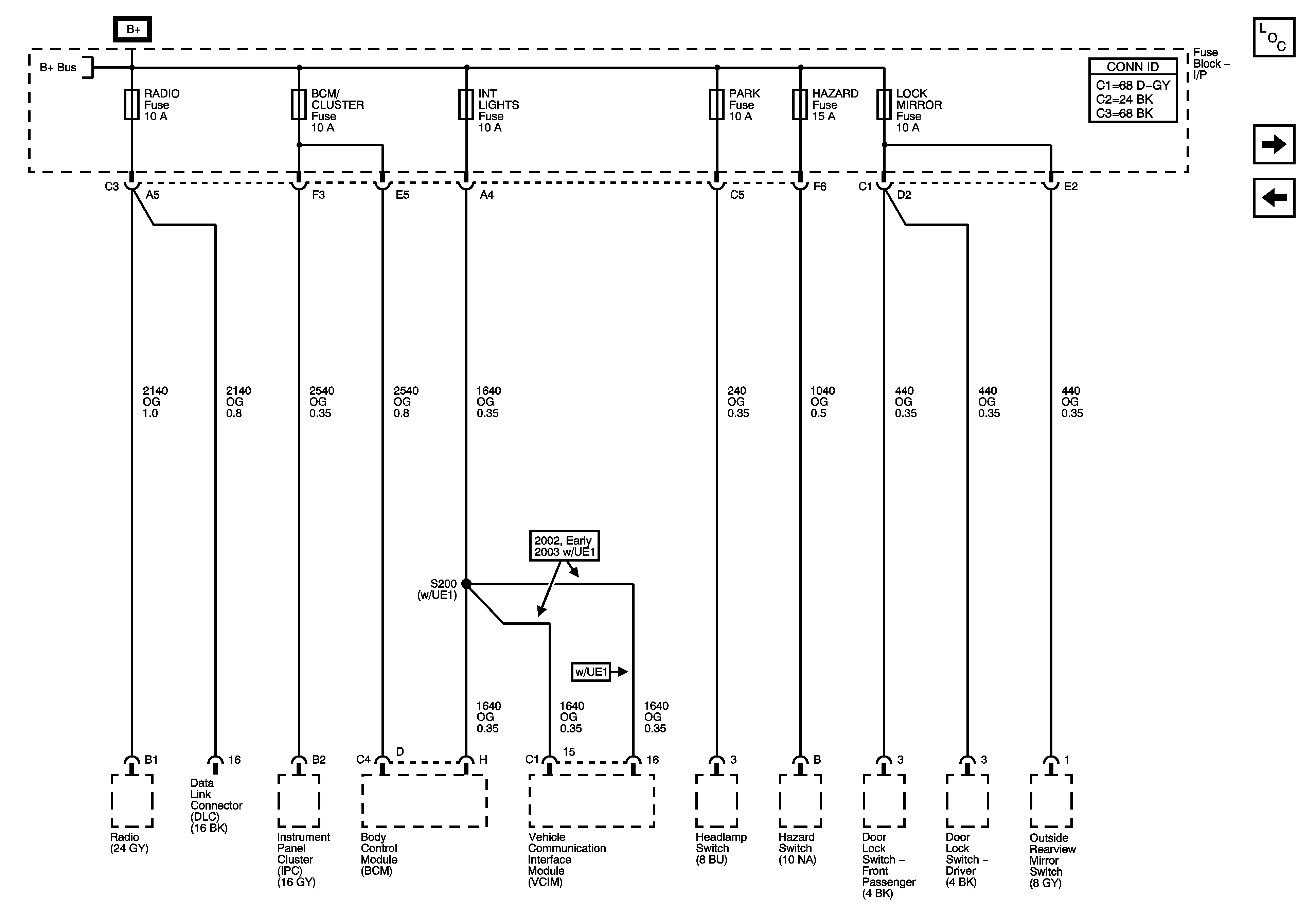
🢒 RADIO, BCM/CLUSTER, INT LIGHTS, PARK, HAZARD, and LOCK MIRROR Fuses
RADIO, BCM/CLUSTER, INT LIGHTS, PARK, HAZARD, and LOCK MIRROR Fuses
RADIO, BCM/CLUSTER, INT LIGHTS, PARK, HAZARD, and LOCK MIRROR Fuses
Master Electrical Component List
ENG MAIN Relay, EMISS, ECM/CAM, and INJ/MANF Fuses
TURN,BCM,RADIO(IGN),HVAC, and HTD SEATS Fuses
LH HDLP,RH HDLP,HTD SEATS,BRAKE,PREM AUD, and BATT FEED Fuses