GM Service Manual Online
For 1990-2009 cars only
Makes
🢒
Saturn
🢒
2003
🢒
VUE - FWD
🢒 Starting
Starting
Starting
Master Electrical Component List
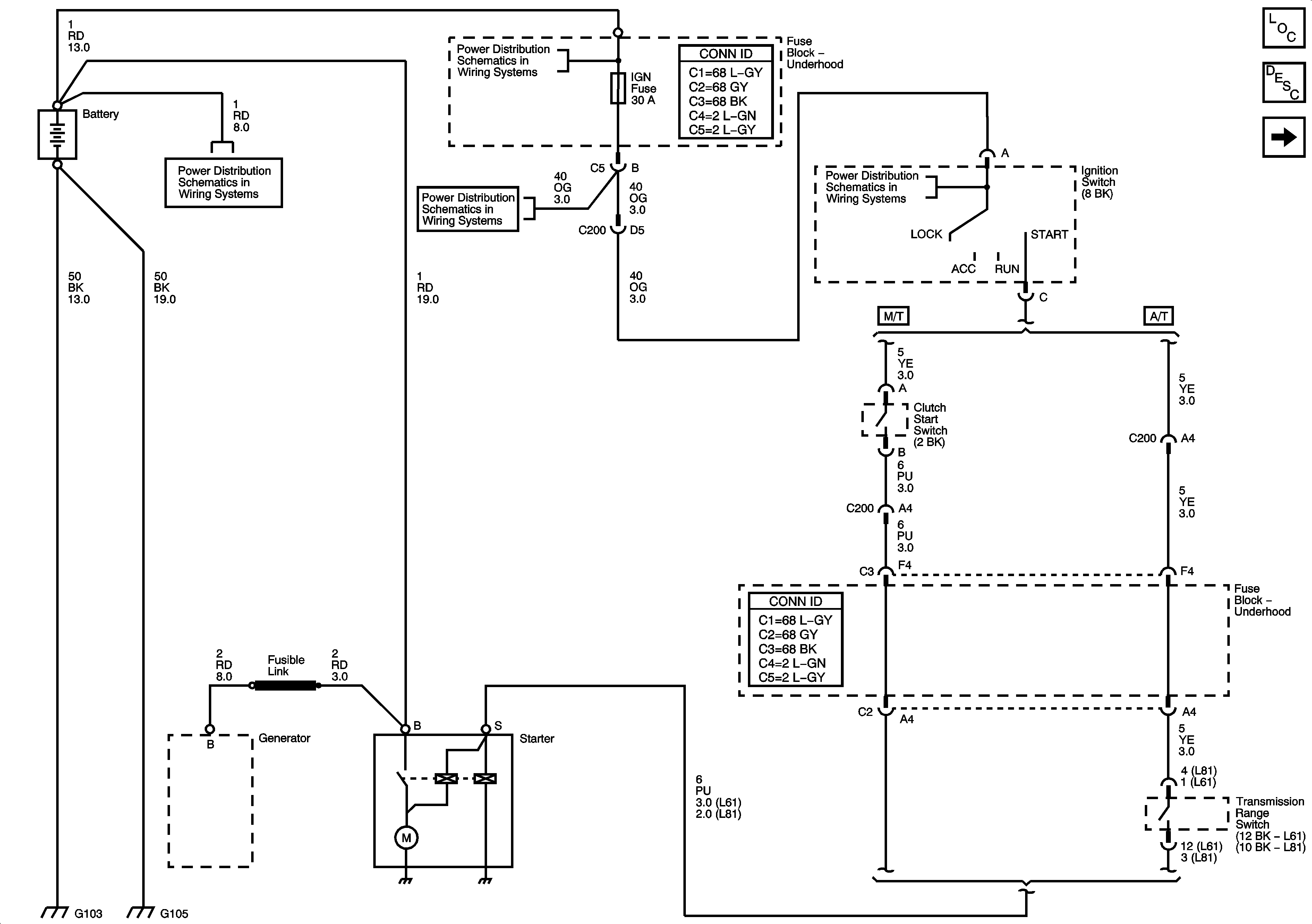
Starting System Description and Operation
Charging and Indicators
Battery Power to the Fuse Block, Starter, and Generator
Ignition Switch
Ignition Switch
Ignition Switch