GM Service Manual Online
For 1990-2009 cars only
Makes
🢒
Saturn
🢒
2003
🢒
VUE - FWD
🢒 Charging and Indicators
Charging and Indicators
Charging and Indicators
Master Electrical Component List
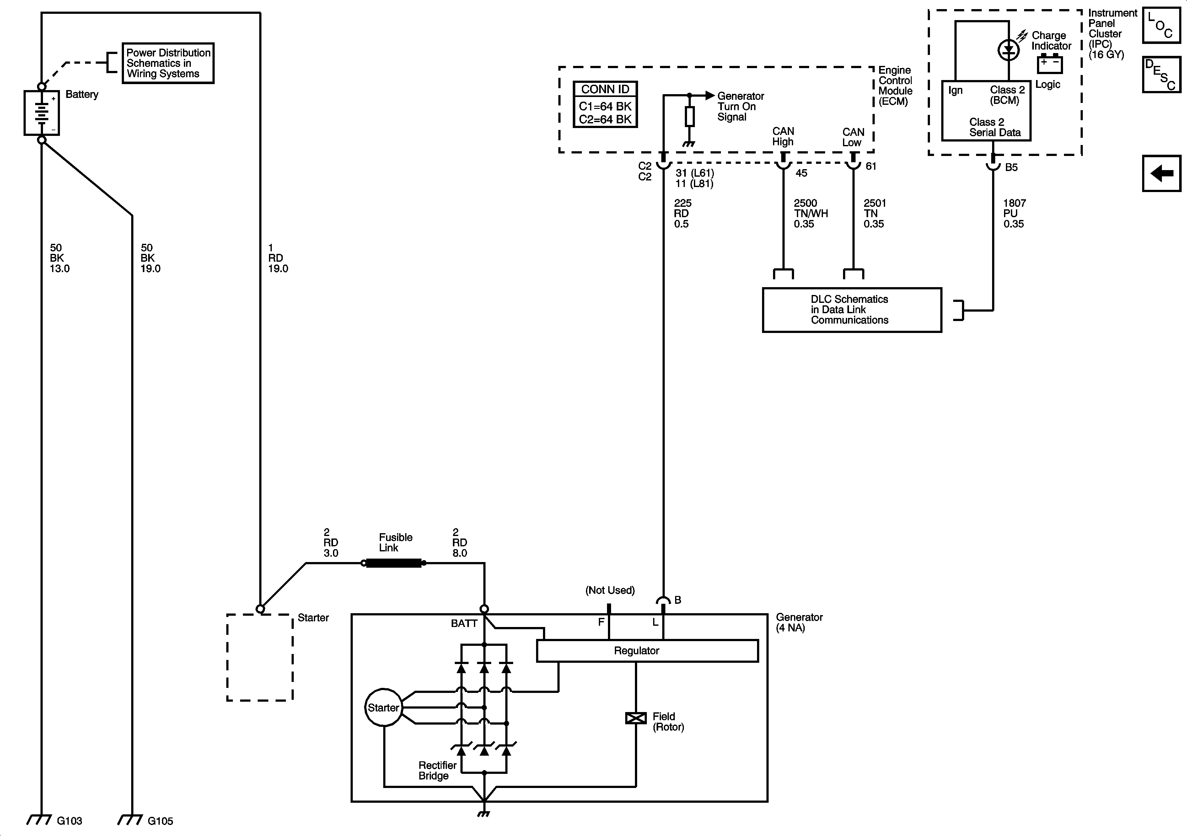
Charging System Description and Operation
Starting
Battery Power to the Fuse Block, Starter, and Generator
DLC Schematic