GM Service Manual Online
For 1990-2009 cars only
Makes
🢒
Saturn
🢒
2003
🢒
VUE - FWD
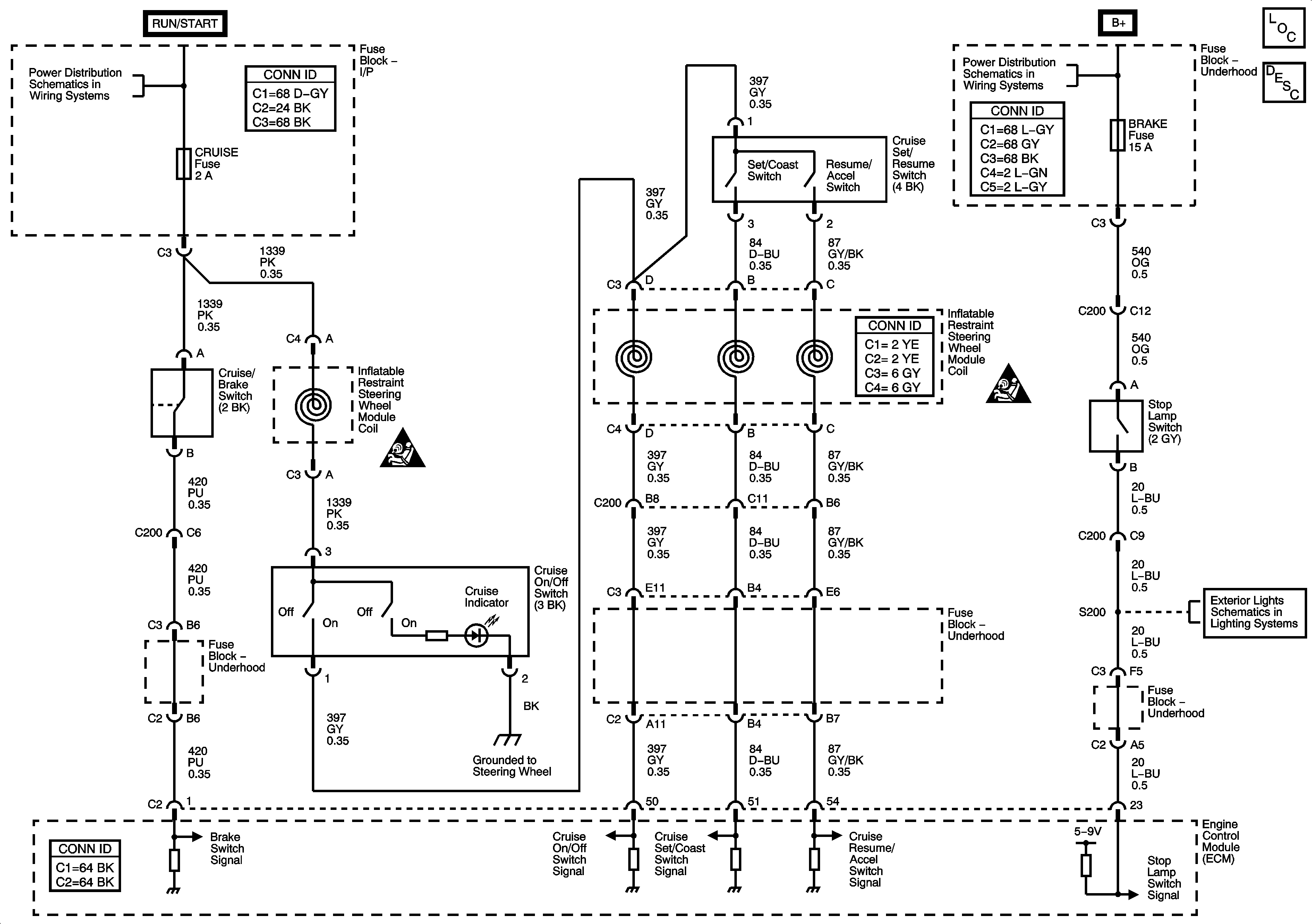
🢒 Cruise Control Schematic
Cruise Control Schematic
Master Electrical Component List
Cruise Control Description and Operation
Ignition Switch
Battery Power to the Fuse Block, Starter, and Generator
SIR Caution for Zoning
SIR Caution for Zoning
Stop Lamps