GM Service Manual Online
For 1990-2009 cars only
Makes
🢒
Saturn
🢒
2003
🢒
VUE - FWD
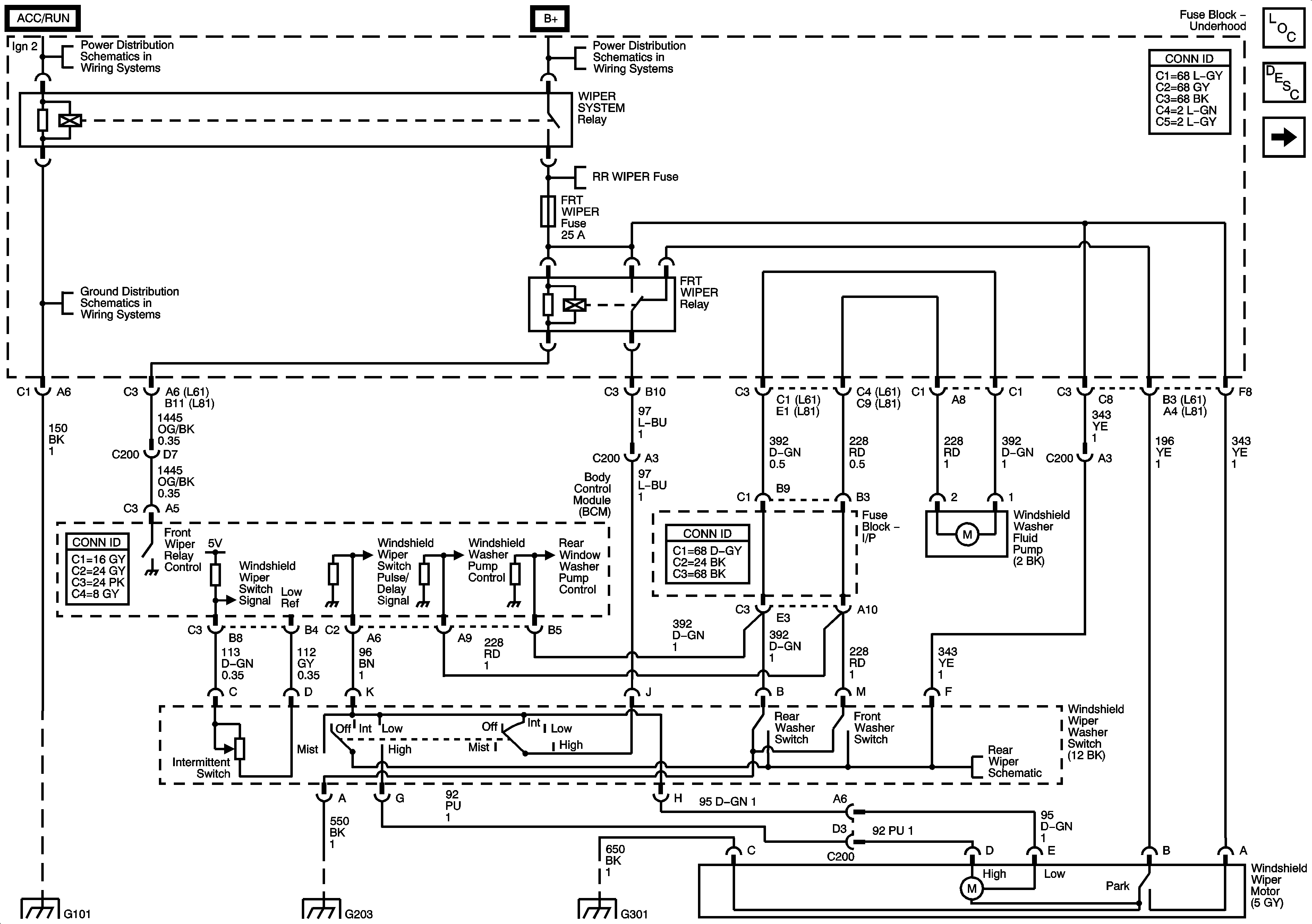
🢒 Wiper Switches and Washer Pump
Wiper Switches and Washer Pump
Wiper Switches and Washer Pump
Master Electrical Component List
Wiper/Washer System Description and Operation
Rear Wiper
Battery Power to the Fuse Block, Starter, and Generator
Ignition Switch
G201
G101
G101
G203 and G205
G301 - 2 of 2