GM Service Manual Online
For 1990-2009 cars only
Makes
🢒
Saturn
🢒
2003
🢒
VUE - FWD
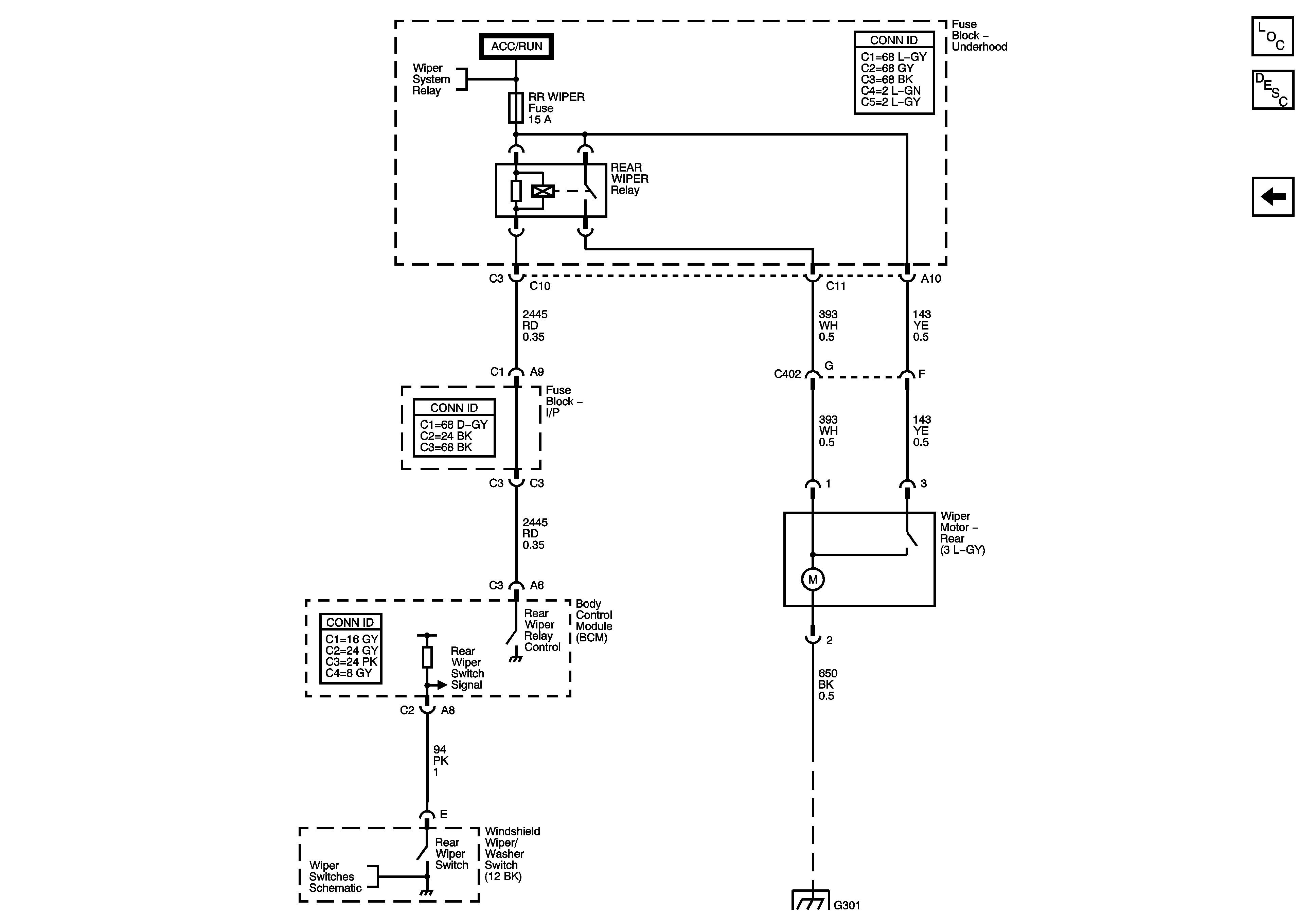
🢒 Rear Wiper
Rear Wiper
Rear Wiper
Master Electrical Component List
Wiper/Washer System Description and Operation
Wiper Switches and Washer Pump
G103, G105, and G207 - L61
Ignition Switch
G301 - 2 of 2