GM Service Manual Online
For 1990-2009 cars only
Makes
🢒
Saturn
🢒
2003
🢒
VUE - FWD
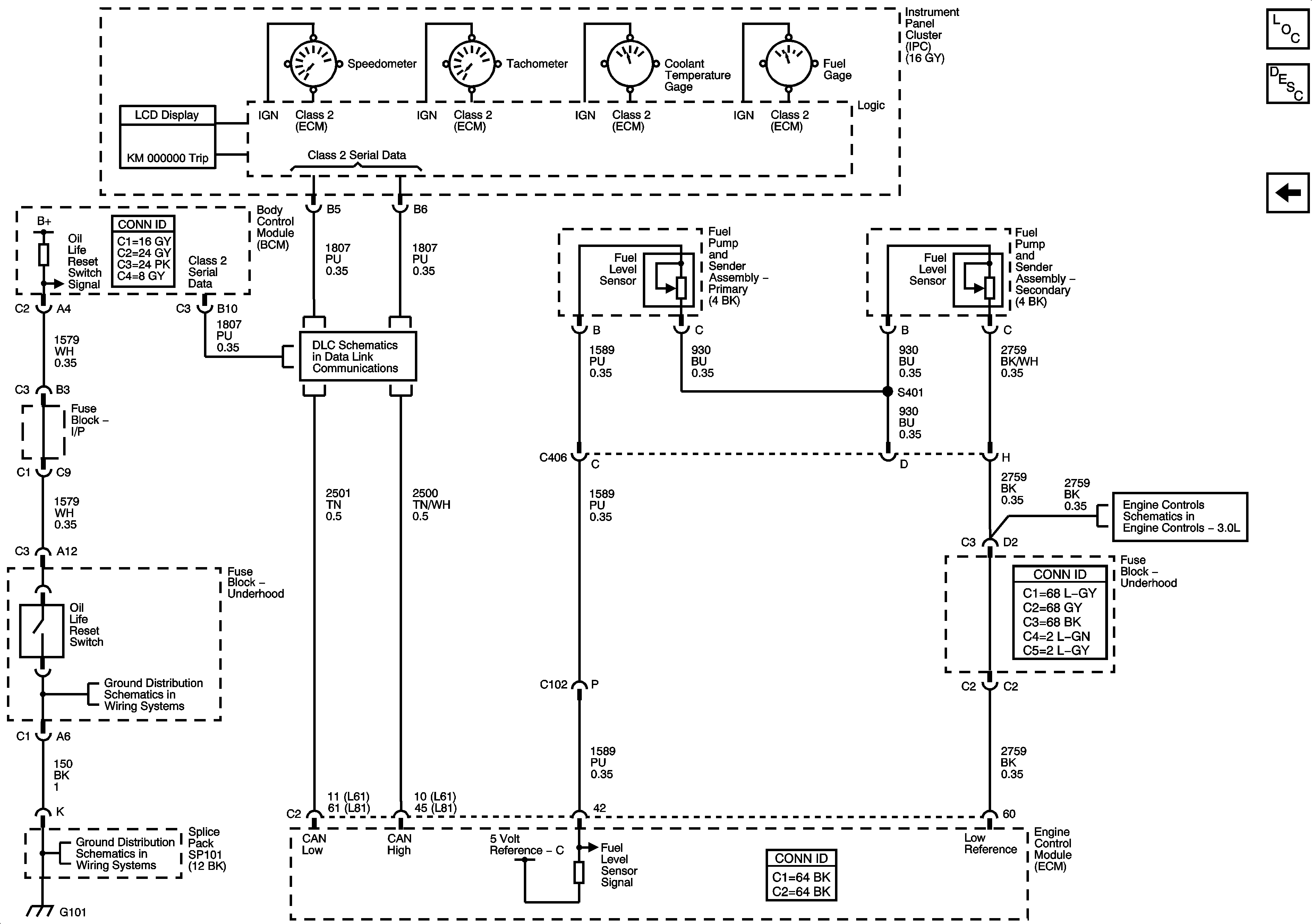
🢒 Gages and the Fuel Level Sensors
Gages and the Fuel Level Sensors
Gages and the Oil Life Reset Switch
Master Electrical Component List
Indicator/Warning Message Description and Operation
Power, Ground, Indicators, and the EOP Switch
Engine Data Sensors - Low References
G101
DLC Schematic