GM Service Manual Online
For 1990-2009 cars only
Makes
🢒
Saturn
🢒
2003
🢒
VUE - FWD
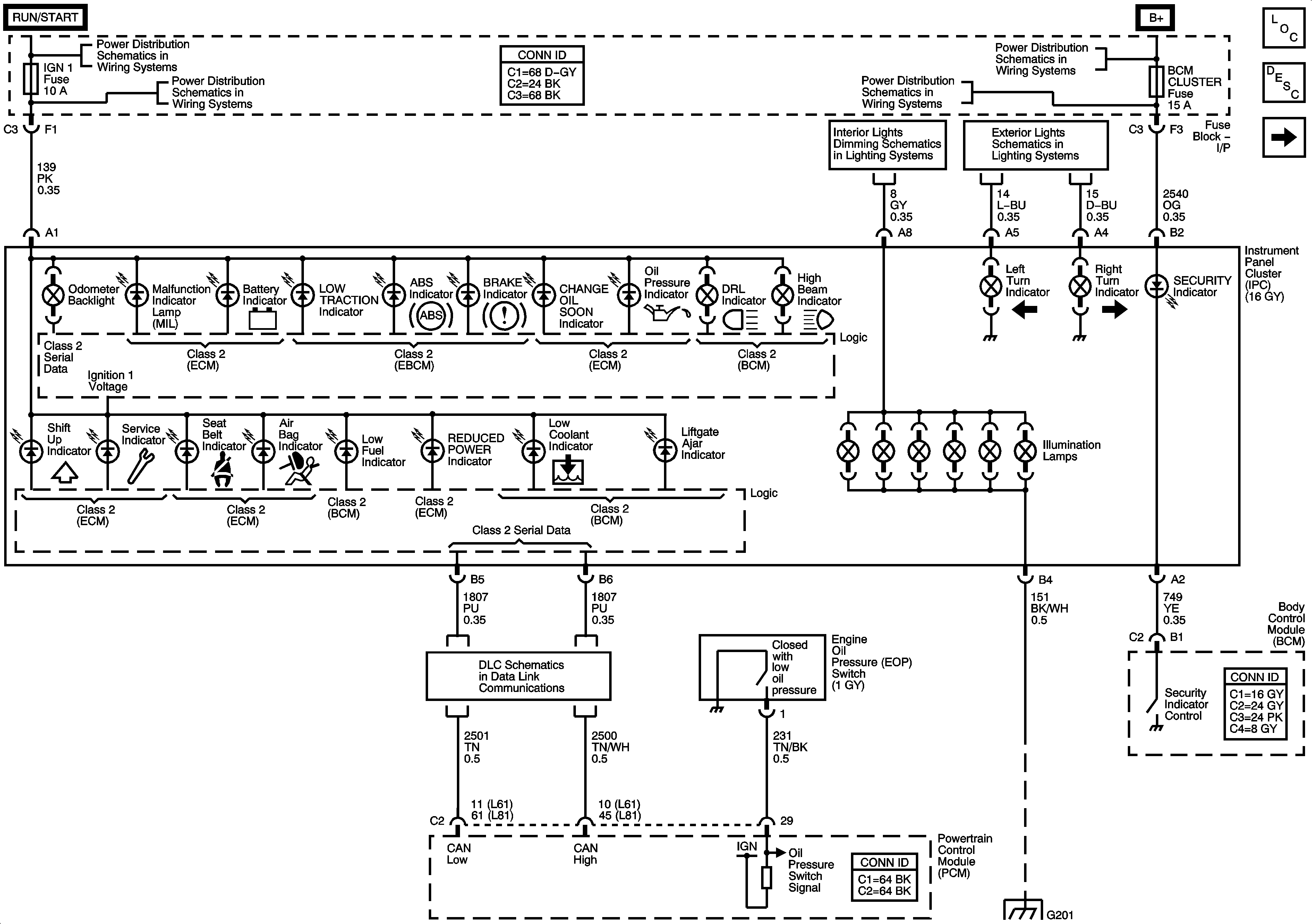
🢒 Power, Ground, Indicators, and the EOP Switch
Power, Ground, Indicators, and the EOP Switch
Power, Ground, Indicators, and EOP Switch
Master Electrical Component List
Indicator/Warning Message Description and Operation
Gages and the Fuel Level Sensors
Ignition Switch
IGN 1, BCM(IGN1), AIR BAG, AND EPS Fuses
Battery Power to the Fuse Block, Starter, and Generator
RADIO, BCM/CLUSTER, INT LIGHTS, PARK, HAZARD, and LOCK MIRROR Fuses
Interior Lights Dimming Schematic
Hazards and Turn Signals
DLC Schematic
G201