GM Service Manual Online
For 1990-2009 cars only
Makes
🢒
Saturn
🢒
2003
🢒
VUE - FWD
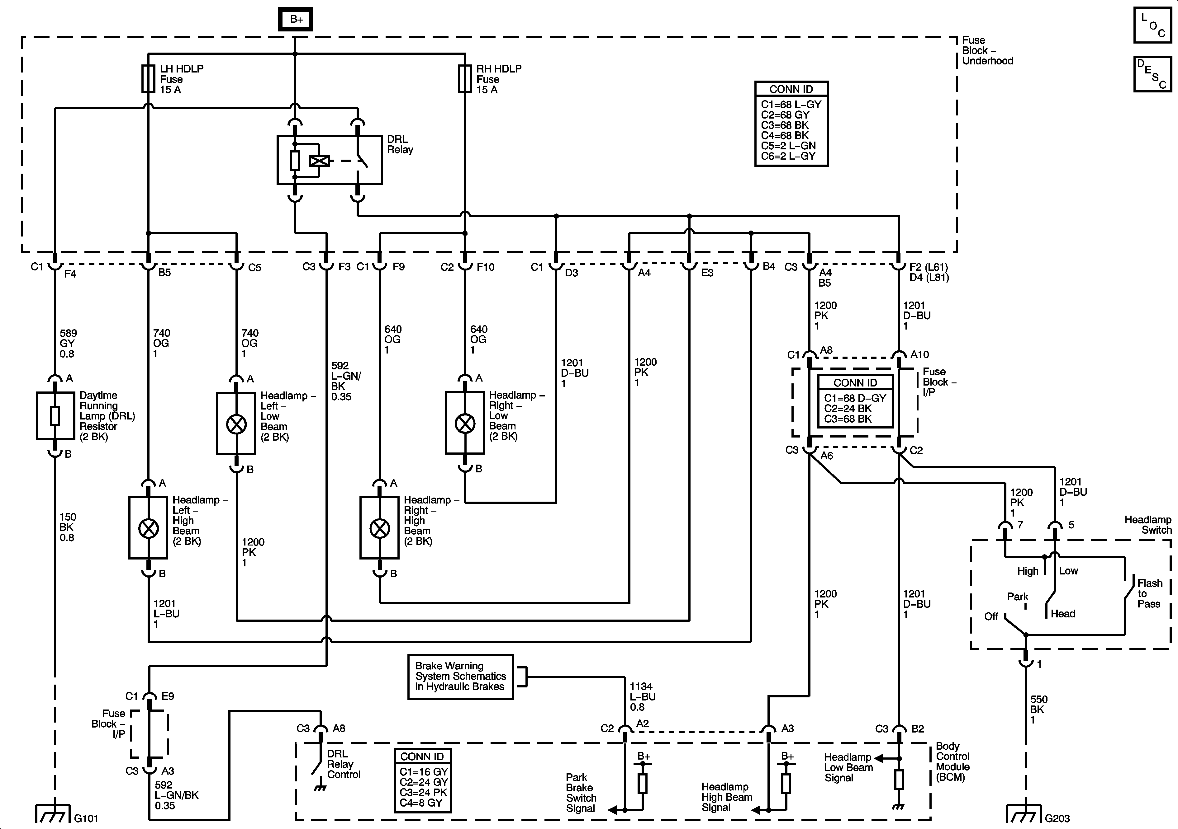
🢒 Headlamp/DRL Schematic
Headlamp/DRL Schematic
Master Electrical Component List
Exterior Lighting Systems Description and Operation
G101
Brake Warning Schematic
G203 and G205