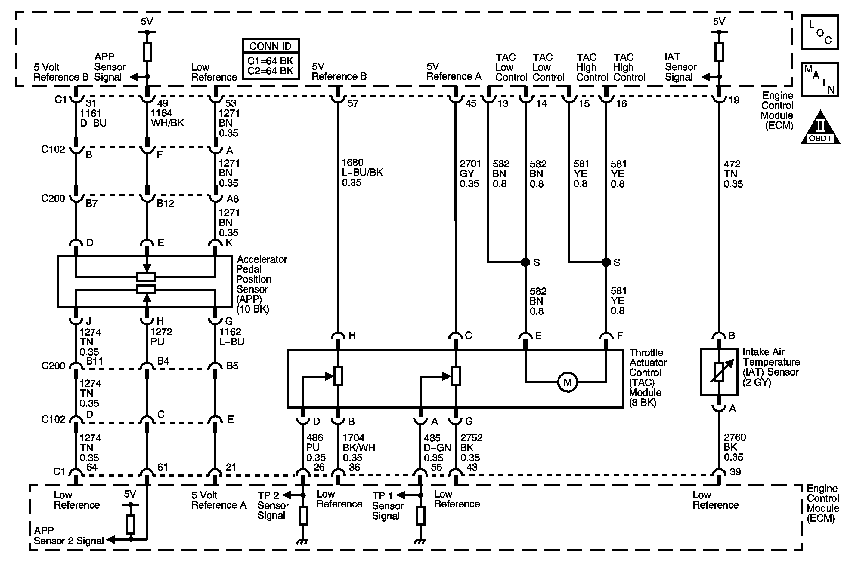
The throttle position (TP) sensors 1 and 2 are located within the throttle body assembly. Each sensor has the following circuits:
| • | A 5-volt reference circuit |
| • | A low reference circuit |
| • | A signal circuit |
The TP sensor provides the engine control module (ECM) with a signal voltage proportional to the throttle plate movement. The TP sensor 1 signal voltage at closed throttle is near the 5-volt reference and decreases as the throttle plate is opened. The TP sensor 2 signal voltage at closed throttle is near the low reference and increases as the throttle plate is opened. When the ECM detects a fault with both TP sensor 1 and the TP sensor 2 DTC P0122 will set.
The engine is running.
The TP sensor 1 and the TP sensor 2 voltages are not within a calibrated range.
| • | The control module illuminates the malfunction indicator lamp (MIL) when the diagnostic runs and fails. |
| • | The control module records the operating conditions at the time the diagnostic fails. The control module stores this information in the Freeze Frame and/or the Failure Records. |
| • | The control module commands the TAC system to operate in the Reduced Engine Power mode. |
| • | A message center or an indicator displays Reduced Engine Power. |
| • | Under certain conditions the control module commands the engine OFF. |
| • | The control module turns OFF the malfunction indicator lamp (MIL) after 3 consecutive ignition cycles that the diagnostic runs and does not fail. |
| • | A current DTC, Last Test Failed, clears when the diagnostic runs and passes. |
| • | A history DTC clears after 40 consecutive warm-up cycles, if no failures are reported by this or any other emission related diagnostic. |
| • | Clear the MIL and the DTC with a scan tool. |
This DTC indicates two separate faults. One fault is with the TP sensor 1, and the other fault is with the TP sensor 2. Follow the diagnostic table in DTCs P1120 and P1220 to find both faults, if necessary.
Step | Action | Yes | No | ||||
|---|---|---|---|---|---|---|---|
1 | Did you perform the Diagnostic System Check-Engine Controls? | Go to Step 2 | |||||
2 |
Important: This DTC indicates the following two faults:
Are DTCs P1120 and P1220 set? | -- |