GM Service Manual Online
For 1990-2009 cars only
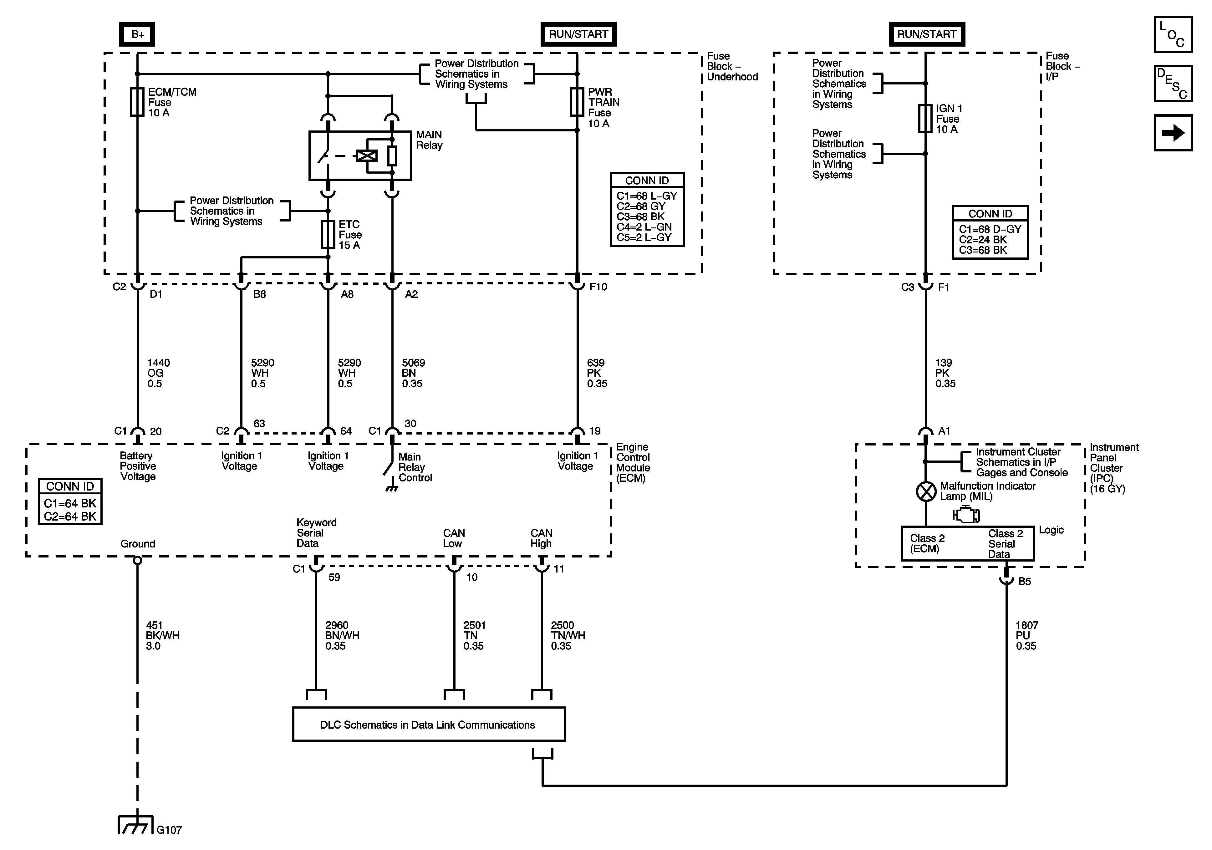
Figure 1:

Power, Ground, Serial Data, and the MIL


Object Number: 1218070  Size: FS
Master Electrical Component List
Engine Control Module Description
Engine Data Sensors - 5 Volt and Low References
Engine Controls Schematic Icons
Battery Power to the Fuse Block, Starter, and Generator
Ignition Switch
PWR WDW,SUNROOF,ABS,ABS PWR,HVAC BLOWER,AUX1 OUTLET,CIGAR/AUX2,ECM/TCM Fuses and the PWR WDW Relay
Ignition Switch
IGN 1, BCM(IGN1), AIR BAG, AND EPS Fuses
Power, Ground, Indicators, and the EOP Switch
DLC Schematic
G103, G105, G107, and G207 - L81
Figure 2:

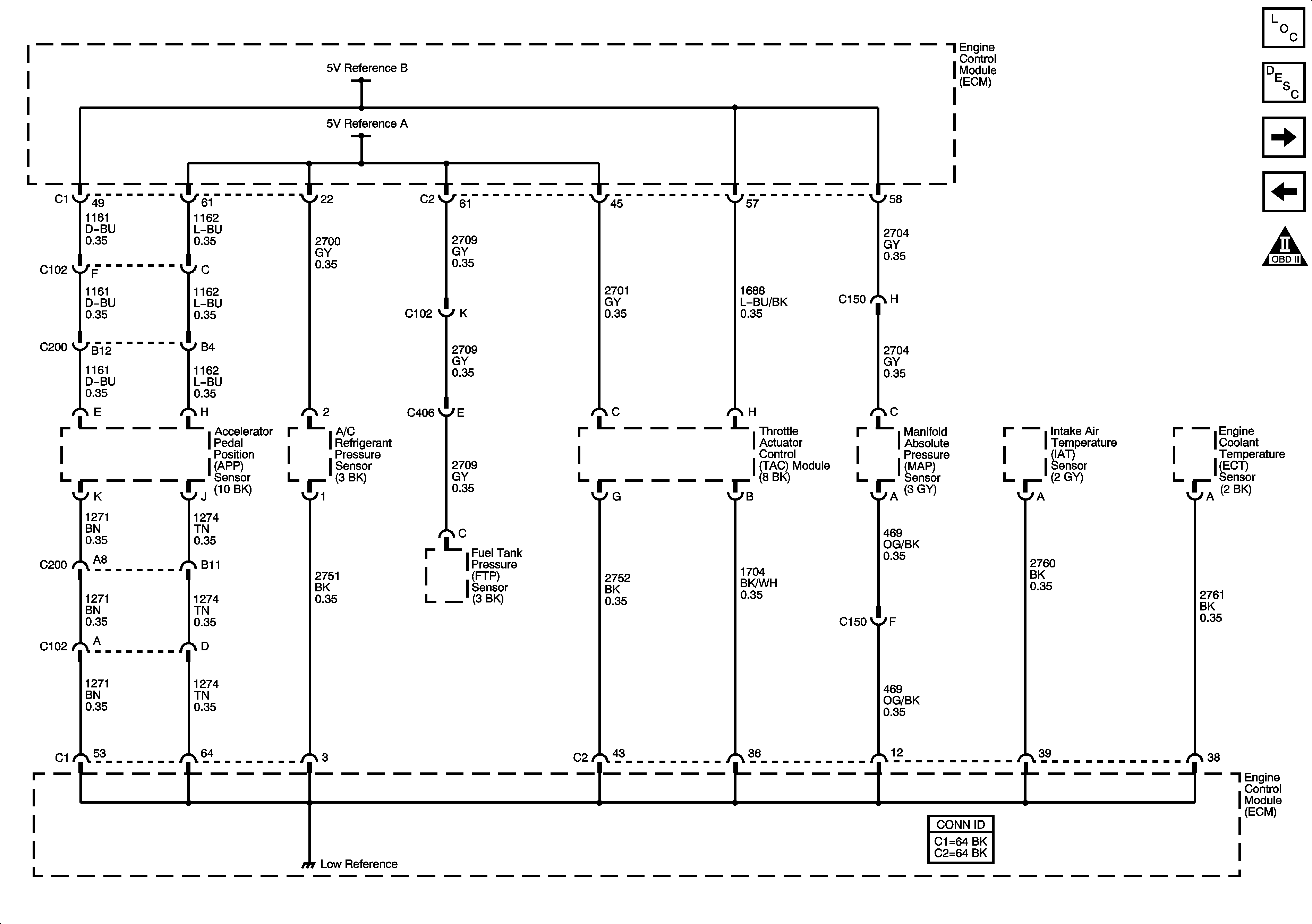
Engine Data Sensors - 5 Volt and Low References


Object Number: 1218071  Size: FS
Master Electrical Component List
Engine Control Module Description
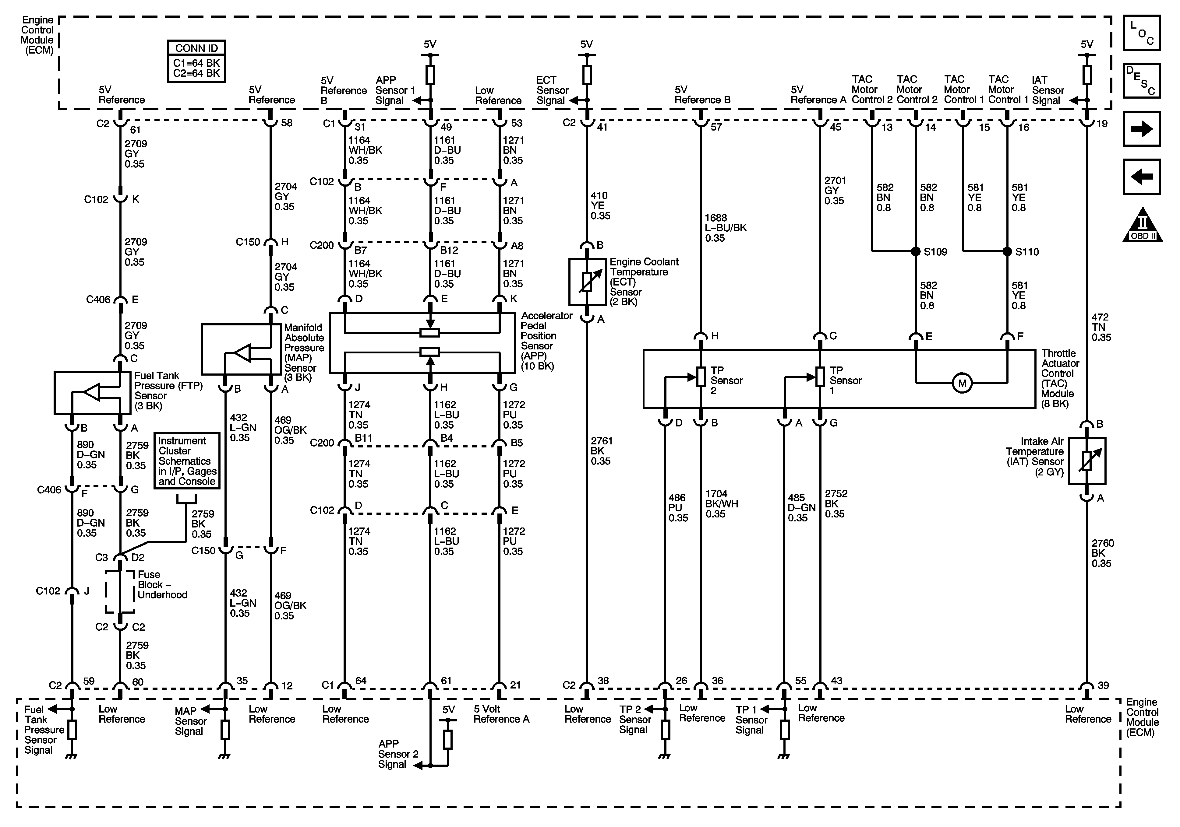
Engine Data Sensors - Position, Pressure, and Temp Sensors
Power, Ground, Serial Data, and the MIL
Engine Controls Schematic Icons
Figure 3:

Engine Data Sensors - Position, Pressure, and Temperature Sensors


Object Number: 1218072  Size: FS
Master Electrical Component List
Throttle Actuator Control (TAC) System Description
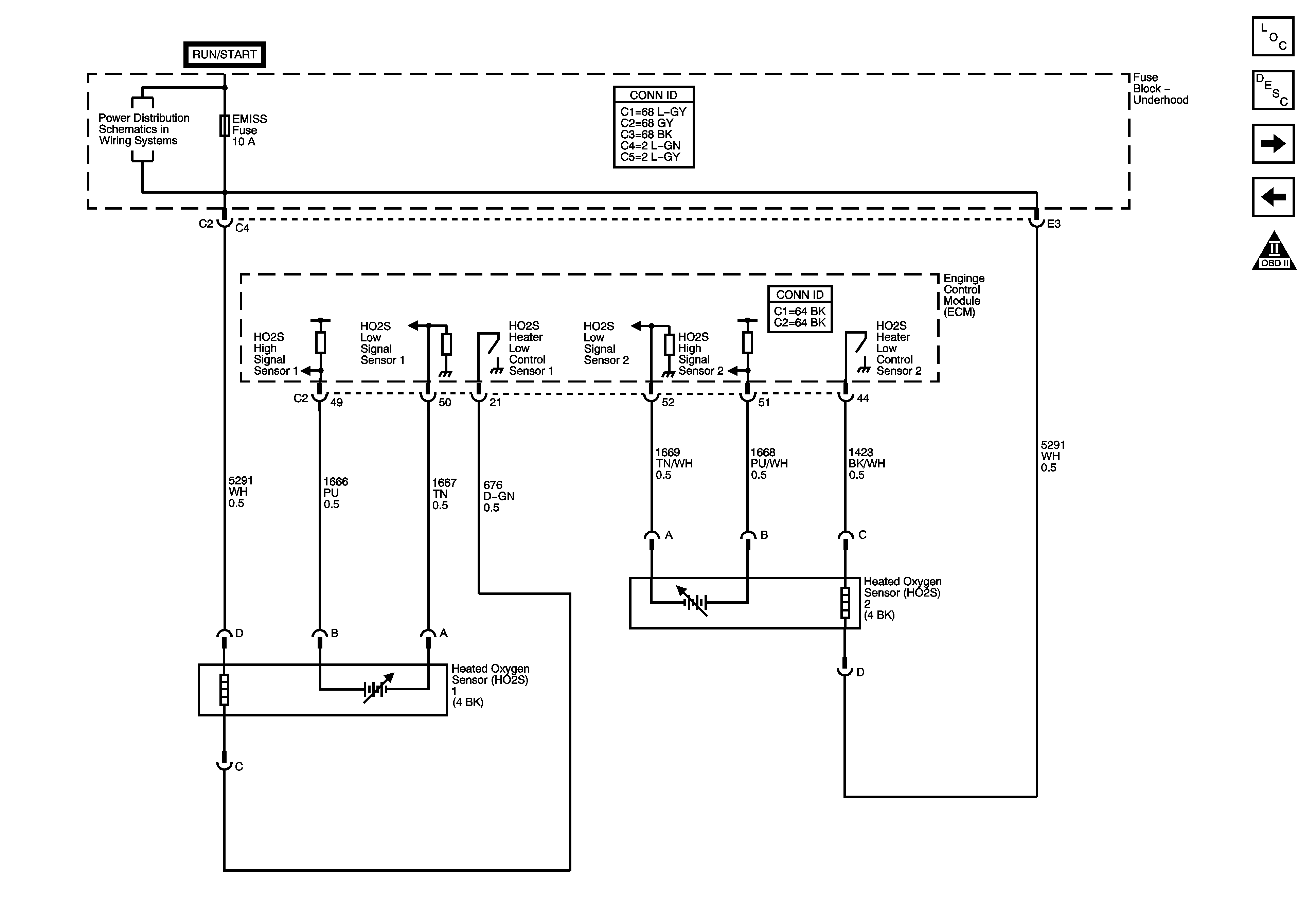
Engine Data Sensors - Oxygen Sensors
Engine Data Sensors - 5 Volt and Low References
Engine Controls Schematic Icons
Gages and the Fuel Level Sensors
Figure 4:

Engine Data Sensors - Oxygen Sensors


Object Number: 1218073  Size: FS
Master Electrical Component List
Engine Control Module Description
Ignition Controls
Engine Data Sensors - Position, Pressure, and Temp Sensors
Engine Controls Schematic Icons
IGN INJ, EMISS, and ETC Fuses - L61
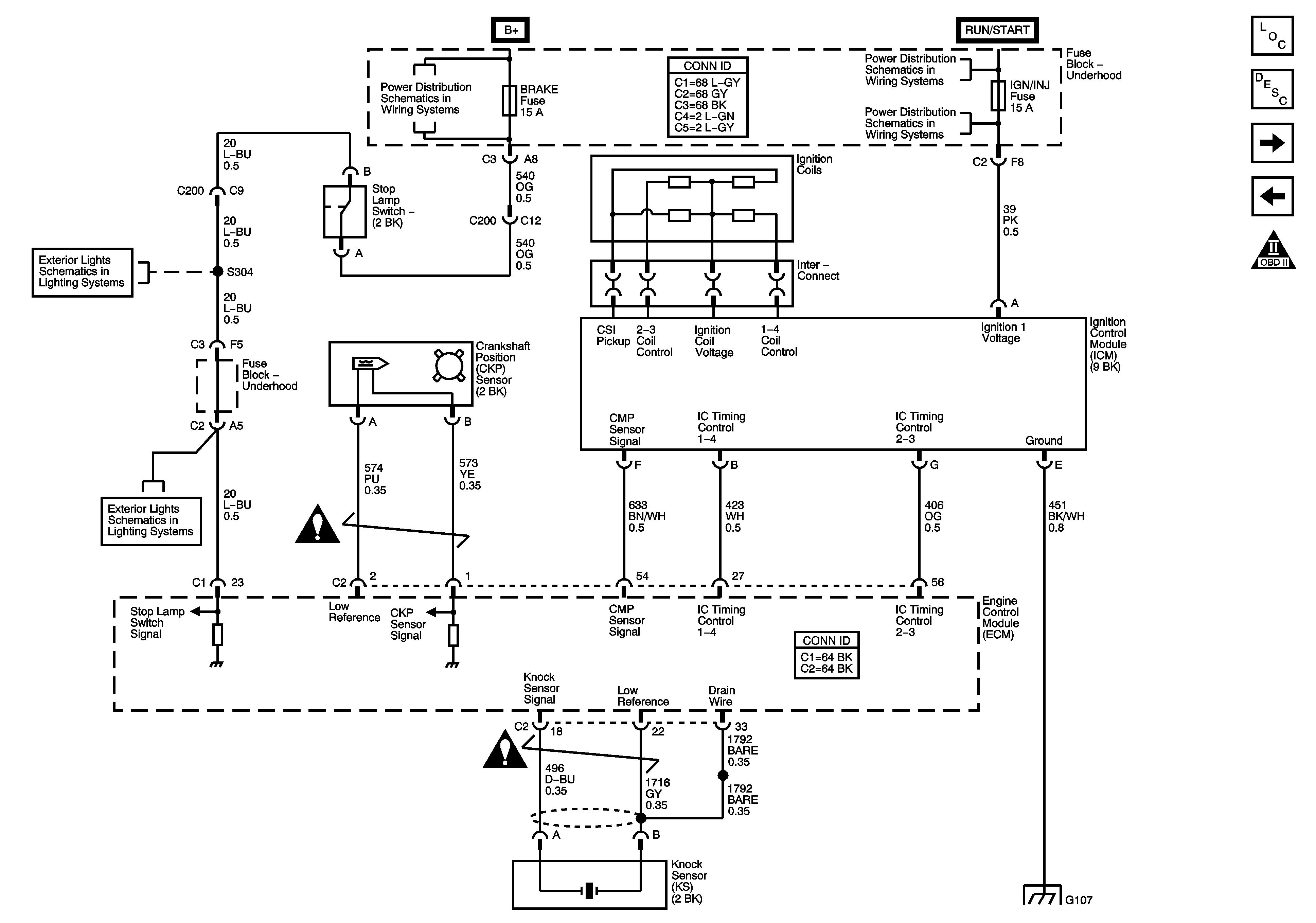
Figure 5:

Ignition Controls


Object Number: 1218074  Size: FS
Master Electrical Component List
Electronic Ignition (EI) System Description
Fuel Delivery
Engine Data Sensors - Oxygen Sensors
Engine Controls Schematic Icons
IGN INJ, EMISS, and ETC Fuses - L61
LH HDLP,RH HDLP,HTD SEATS,BRAKE,PREM AUD, and BATT FEED Fuses
Ignition Switch
IGN INJ, EMISS, and ETC Fuses - L61
Stop Lamps
Stop Lamps
G103, G105, G107, and G207 - L81
Figure 6:

Fuel Delivery


Object Number: 1218075  Size: FS
Master Electrical Component List
Fuel System Description
EVAP Controls
Ignition Controls
Engine Controls Schematic Icons
Ignition Switch
IGN INJ, EMISS, and ETC Fuses - L61
Battery Power to the Fuse Block, Starter, and Generator
G101
G401 and G403
G101
Figure 7:

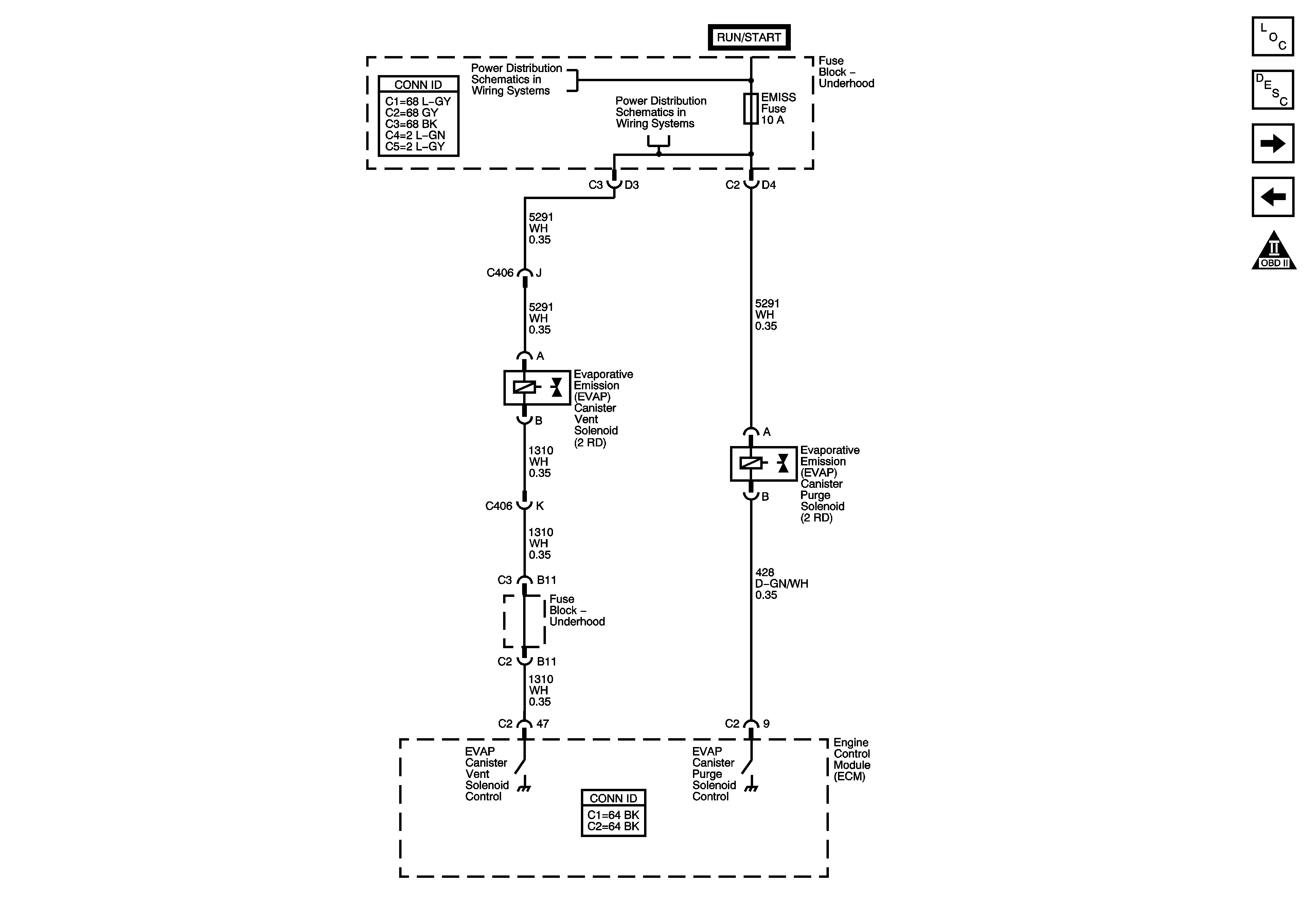
EVAP Controls


Object Number: 1218076  Size: FS
Master Electrical Component List
Evaporative Emission Control System Description
Controlled/Monitored Subsystem References
Fuel Delivery
Engine Controls Schematic Icons
Ignition Switch
IGN INJ, EMISS, and ETC Fuses - L61
Figure 8:

Controlled/Monitored Subsystem References


Object Number: 1218077  Size: FS
Master Electrical Component List
Engine Control Module Description
EVAP Controls
Engine Controls Schematic Icons
Power, Ground, Indicators, and the EOP Switch
Gages and the Fuel Level Sensors
Cruise Control Schematic
Figure 1
A/C Clutch and Pressure Sensor
Charging and Indicators
Manual Transmission Controls Schematic