GM Service Manual Online
For 1990-2009 cars only

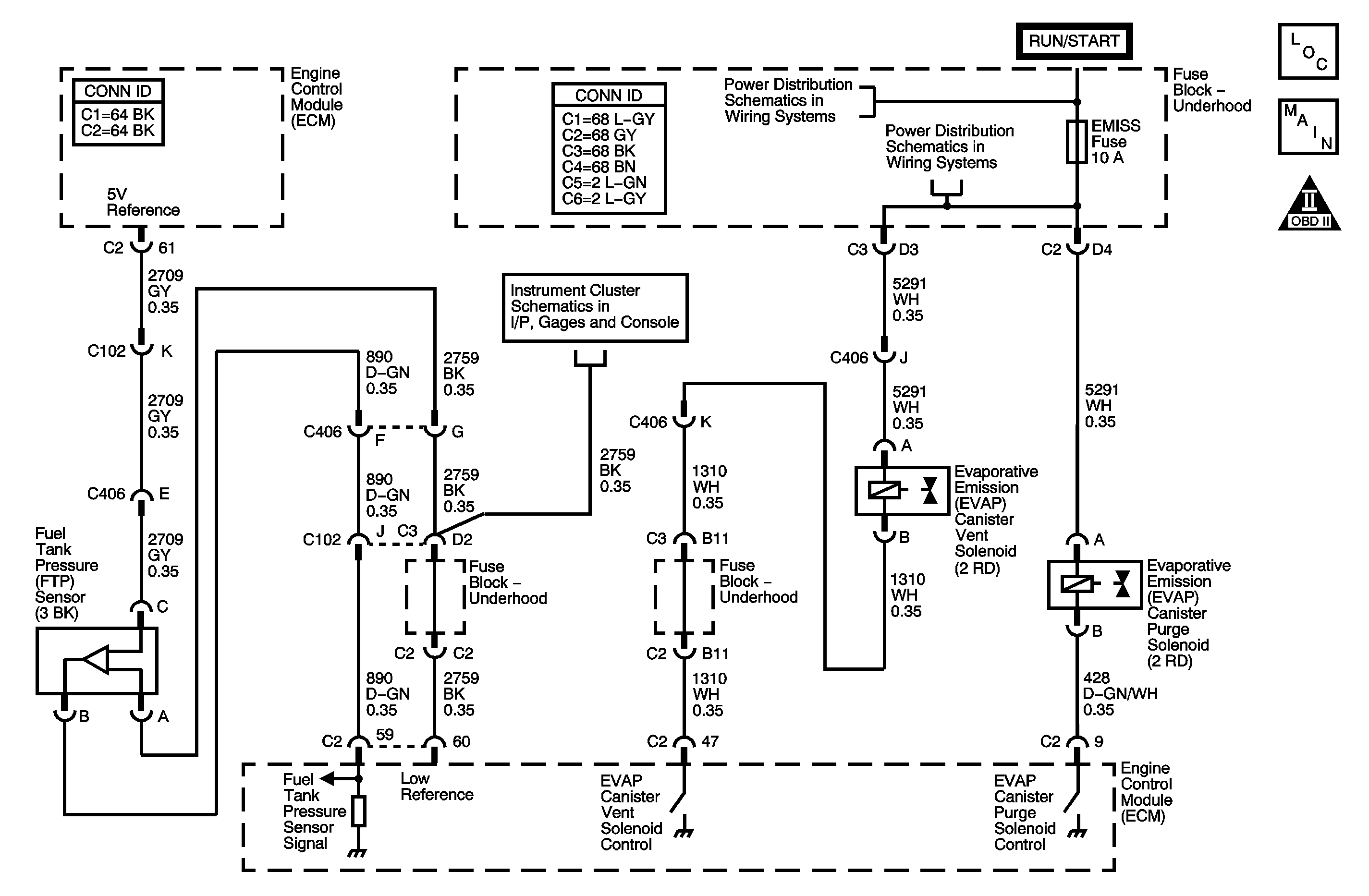
Object Number: 1247986  Size: MF
Engine Controls Component Views
Engine Controls Schematics

System Description

The evaporative emission (EVAP) system is used to store fuel vapors to reduce the amount of unburned fuel from escaping into the atmosphere. The EVAP purge solenoid is pulse width modulated (PWM) and is used to control the flow of fuel vapors from the EVAP canister to the intake manifold. The EVAP purge solenoid is commanded ON, PWM, whenever the EVAP system is in purge mode. Fuel vapors can be purged at anytime the powertrain control module (PCM) is in Closed Loop and the vehicle is not in a decel. The PCM controls the EVAP purge solenoid by controlling an internal driver that pulls the solenoid circuit to ground. During one part of the EVAP diagnostic system test, the PCM will close the EVAP purge solenoid and the EVAP vent solenoid. DTC P1441 sets when the fuel tank pressure (FTP) sensor indicates that the pressure is lower than atmospheric, vacuum, indicating the EVAP purge solenoid is stuck open.

Conditions for Running the DTC

    • DTCs P0105, P0107, P0108, P0112, P0113, P0117, P0118, P0122, P0123, P0125, P0131, P0132, P0133, P0134, P0135, P0452, P0453, P0502, P0601, P0602, P1621 are not set.
    • The engine is running.
    • The EVAP vent solenoid is commanded ON, closed.
    • The EVAP purge solenoid is commanded OFF, closed.
    • The fuel level is between 15-85%.
    • The barometric pressure (BARO) is greater than 75 kPa.
    • The engine coolant temperature (ECT) and intake air temperature (IAT) are between 4°-30°C (39°-86°F) at engine startup.
    • The ECT and the IAT are within 8°C (15°F) of each other.
    • The vehicle speed is less than 113 km/h (70 mph).
    • The throttle position (TP) is between 10-35%.
    • DTC P1441 diagnostic runs once per ignition cycle, usually for 30 seconds if no faults exist, during the EVAP diagnostic system test.

Conditions for Setting the DTC

    • If the FTP sensor voltage is indicating more than 2.30 volts, continuous purge flow, during the EVAP diagnostic system test, DTC P1441 will set.
    • The above condition exists for 75 seconds.

Action Taken When the DTC Sets

    • The control module illuminates the malfunction indicator lamp (MIL) when the diagnostic runs and fails.
    • The control module records the operating conditions at the time the diagnostic fails. The control module stores this information in the Freeze Frame/Failure Records.

Conditions for Clearing the MIL/DTC

    • The control module turns OFF the malfunction indicator lamp (MIL) after 3 consecutive ignition cycles that the diagnostic runs and does not fail.
    • A current DTC, Last Test Failed, clears when the diagnostic runs and passes.
    • A history DTC clears after 40 consecutive warm-up cycles, if no failures are reported by this or any other emission related diagnostic.
    • Clear the MIL and the DTC with a scan tool.

Diagnostic Aids

    • A diagnosed EVAP purge solenoid or EVAP vent solenoid circuit fault may have caused this DTC to set.
    • The PCM uses the FTP sensor to detect the amount of vacuum pulled on the EVAP system during the leak diagnostic tests. Ensure that the fuel pressure sensor is not skewed by verifying the FTP sensor on the scan tool is between 1.30-1.70 volts with the ignition ON and the fuel cap removed.
    • The most likely cause of DTC P1441 is a stuck open EVAP purge solenoid. Command the EVAP purge solenoid ON, PWM, with the scan tool. The solenoid should click at an even rate. Replace the solenoid if the solenoid intermittently sticks.
    • A condition may exist where a leak in the EVAP system only exists under a vacuum condition. By using the scan tool Purge/Seal function to create a vacuum, seal the system and observe the FTP parameter for vacuum decay, this type of leak may be detected.

Step

Action

Values

Yes

No

Schematic Reference: Evaporative Emissions Hose Routing Diagram and Engine Controls Schematics

Connect End View Reference: Engine Controls Connector End Views

1

Did you perform the Diagnostic System Check-Engine Controls?

--

Go to Step 2

Go to Diagnostic System Check - Engine Controls

2

  1. Disconnect the evaporative emission (EVAP) canister side of the purge pipe from the EVAP purge solenoid.
  2. Install a hand held vacuum gage to the EVAP purge solenoid purge port.
  3. Disconnect the EVAP purge solenoid harness connector.
  4. Monitor vacuum on the vacuum gage.
  5. Start the engine and allow the engine to idle.
  6. Increase the idle to 1,200-1,500 RPM.

Does the vacuum gage indicate an increase in vacuum?

--

Go to Step 8

Go to Step 3

3

  1. Connect the EVAP purge solenoid harness connector.
  2. Monitor vacuum on the vacuum gage.
  3. Increase the idle to 1,200-1,500 RPM.

Does the vacuum gage indicate an increase in vacuum?

--

Go to Step 5

Go to Step 4

4

  1. Turn OFF the ignition.
  2. Remove and then install the fuel fill cap.
  3. Turn ON the ignition, with the engine OFF.
  4. Observe the Fuel Tank Pressure Sensor parameter with a scan tool.

Is the Fuel Tank Pressure Sensor parameter within the specified value?

1.30-1.70 V

Go to Diagnostic Aids

Go to Step 7

5

Test the EVAP purge solenoid control circuit for a short to ground. Refer to Testing for Short to Ground and Wiring Repairs in Wiring Systems.

Did you find and correct the conditions?

--

Go to Step 9

Go to Step 6

6

Test for an intermittent and for a poor connection at the EVAP purge solenoid. Refer to Testing for Intermittent Conditions and Poor Connections and Connector Repairs in Wiring Systems.

Did you find and correct the condition?

--

Go to Step 9

Go to Step 8

7

Replace the fuel tank pressure (FTP) sensor. Refer to Fuel Tank Pressure Sensor Replacement .

Did you complete the replacement?

--

Go to Step 9

--

8

Replace the EVAP purge solenoid. Refer to Evaporative Emission Canister Purge Solenoid Replacement .

Did you complete the replacement?

--

Go to Step 9

--

9

  1. Clear the DTCs with a scan tool.
  2. Turn OFF the ignition for 30 seconds.
  3. Start the engine.
  4. Operate the vehicle within the Conditions for Running the DTC. You may also operate the vehicle within the conditions that you observed from the Freeze Frame/Failure Records.

Did the DTC fail this ignition?

--

Go to Step 2

Go to Step 10

10

Observe the Capture Info with a scan tool.

Are there any DTCs that have not been diagnosed?

--

Go to Diagnostic Trouble Code (DTC) List

System OK