GM Service Manual Online
For 1990-2009 cars only
Makes
🢒
Saturn
🢒
2004
🢒
VUE - FWD
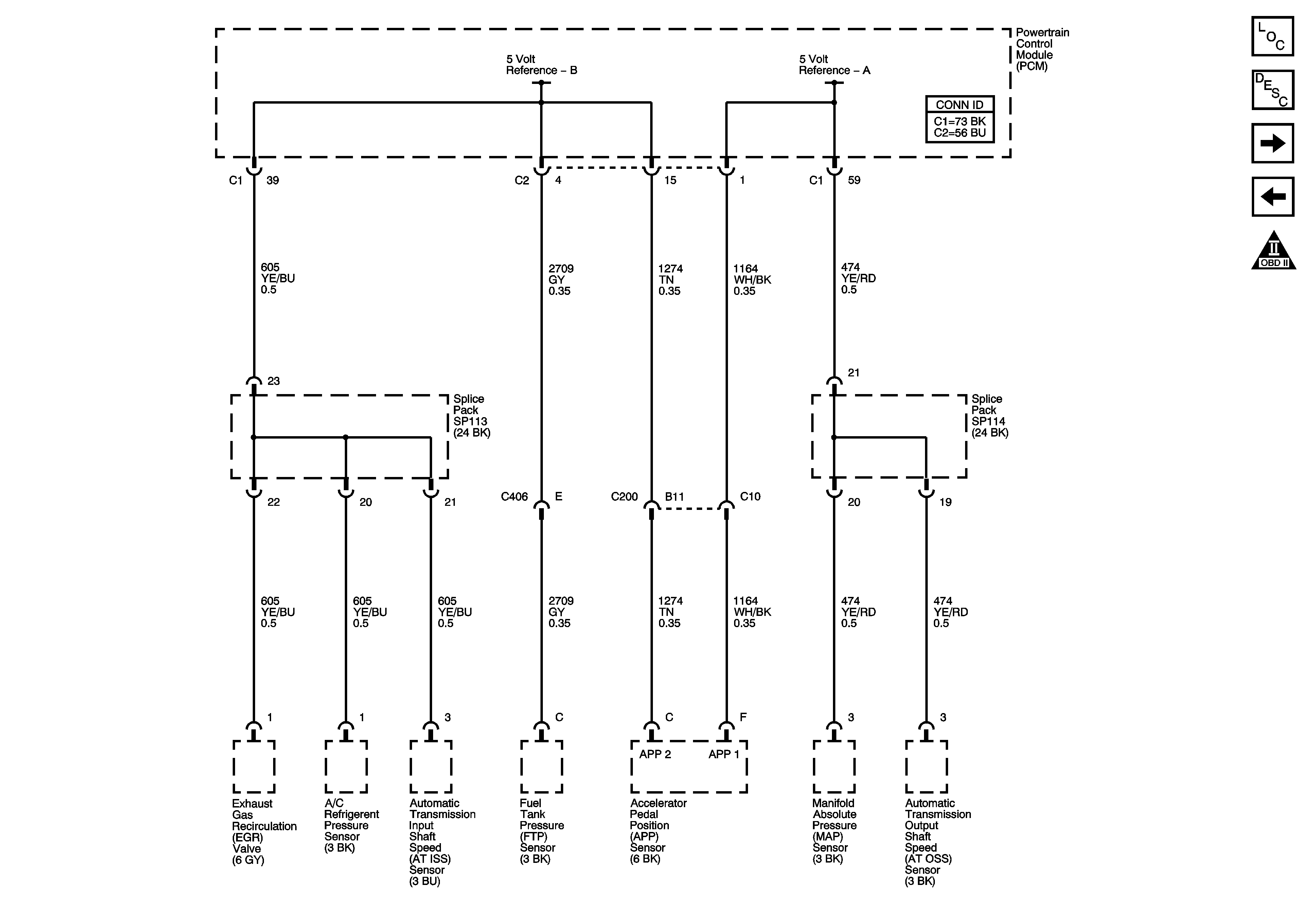
🢒 Engine Data Sensors - 5 Volt References
Engine Data Sensors - 5 Volt References
Engine Data Sensors - 5-Volt References
Master Electrical Component List
Powertrain Control Module Description
Engine Data Sensors - Low References
Power, Ground, MIL, and Communication
OBD II Symbol Description Notice