GM Service Manual Online
For 1990-2009 cars only
Makes
🢒
Saturn
🢒
2004
🢒
VUE - FWD
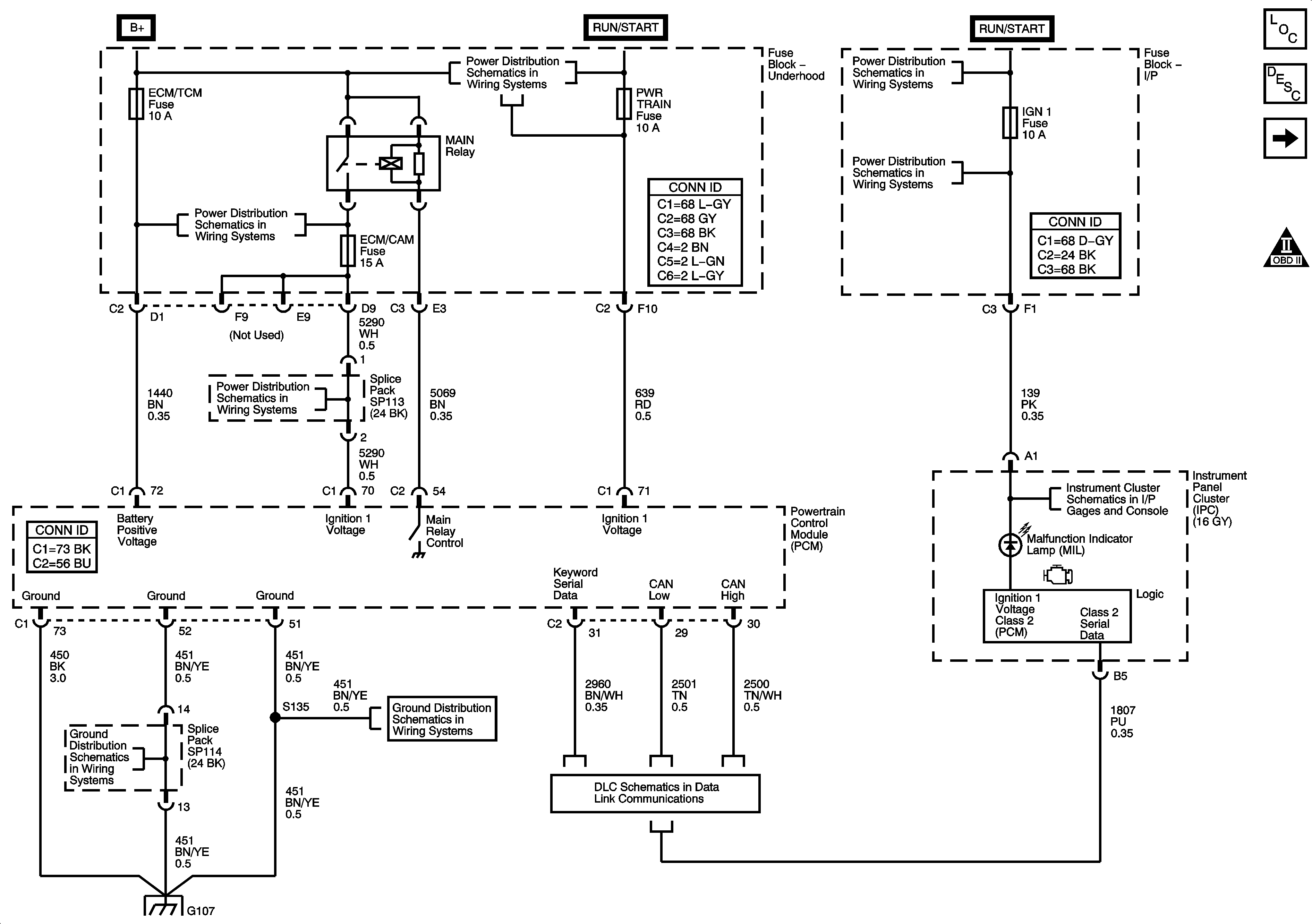
🢒 Power, Ground, MIL, and Communication
Power, Ground, MIL, and Communication
Power, Ground, MIL, and PCM Communication
Master Electrical Component List
Powertrain Control Module Description
Engine Data Sensors - 5 Volt References
OBD II Symbol Description Notice
Battery, Starter, Generator, PSCM, and the B+ Circuits to the Underhood Fuse Block
IGN Fuse, Ignition Switch, and the Igntion Switch Position Circuits
IGN Fuse, Ignition Switch, and the Igntion Switch Position Circuits
IGN 1, BCM(IGN), AIR BAG, EPS, and CRUISE Fuses (I/P Fuse Block)
IGN Fuse, Ignition Switch, and the Igntion Switch Position Circuits
PWR WDW Relay, PWR WDW, SUNROOF, ABS, ABS PWR, HVAC BLOWER, AUX 1 OUTLET, CIGAR/AUX 2, and ECM/TCM Fuses
L66 2 of 2-ECM/CAM Fuse
L66 2 of 2-ECM/CAM Fuse
w/L66 - G103, G105, G107, G109, and G207
w/L66 - G103, G105, G107, G109, and G207
w/L66 - G103, G105, G107, G109, and G207
DLC Schematic
Indicators and MIL