GM Service Manual Online
For 1990-2009 cars only
Makes
🢒
Saturn
🢒
2004
🢒
VUE - FWD
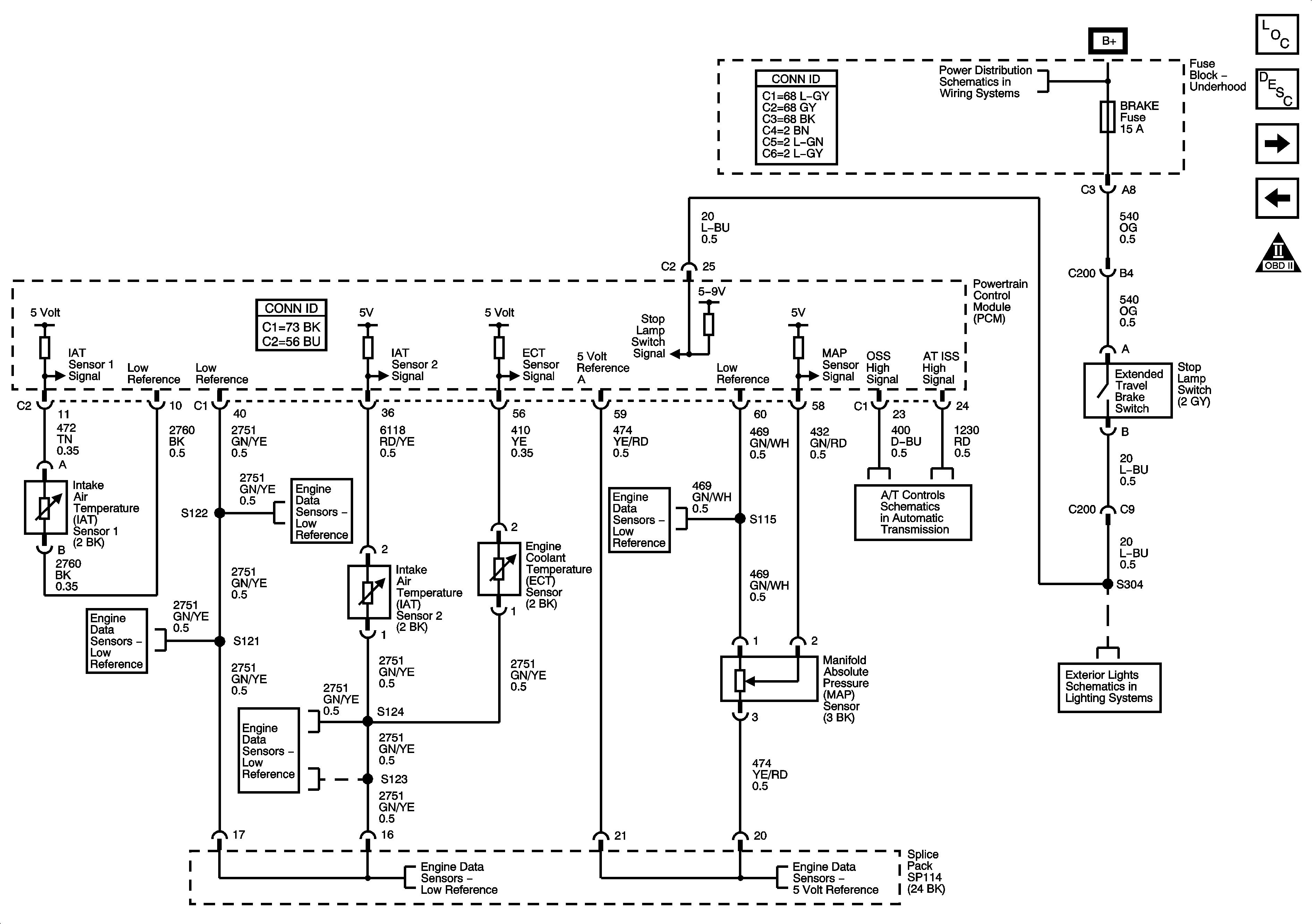
🢒 IAT, ECT, MAP Sensors, and the Stop Lamp Switch Signal
IAT, ECT, MAP Sensors, and the Stop Lamp Switch Signal
IAT, ECT, and MAP Sensors, and Stop Lamp Switch Signal
Master Electrical Component List
Air Intake System Description
Bank 1 Oxygen Sensors
Engine Data Sensors - Low References
OBD II Symbol Description Notice
Battery, Starter, Generator, PSCM, and the B+ Circuits to the Underhood Fuse Block
Stop Lamps
Power, Ground, PNP Switch, and Communication Data
Engine Data Sensors - Low References
Engine Data Sensors - Low References
Engine Data Sensors - Low References
Engine Data Sensors - Low References
Engine Data Sensors - Low References
Engine Data Sensors - 5 Volt References