GM Service Manual Online
For 1990-2009 cars only
Makes
🢒
Saturn
🢒
2004
🢒
VUE - FWD
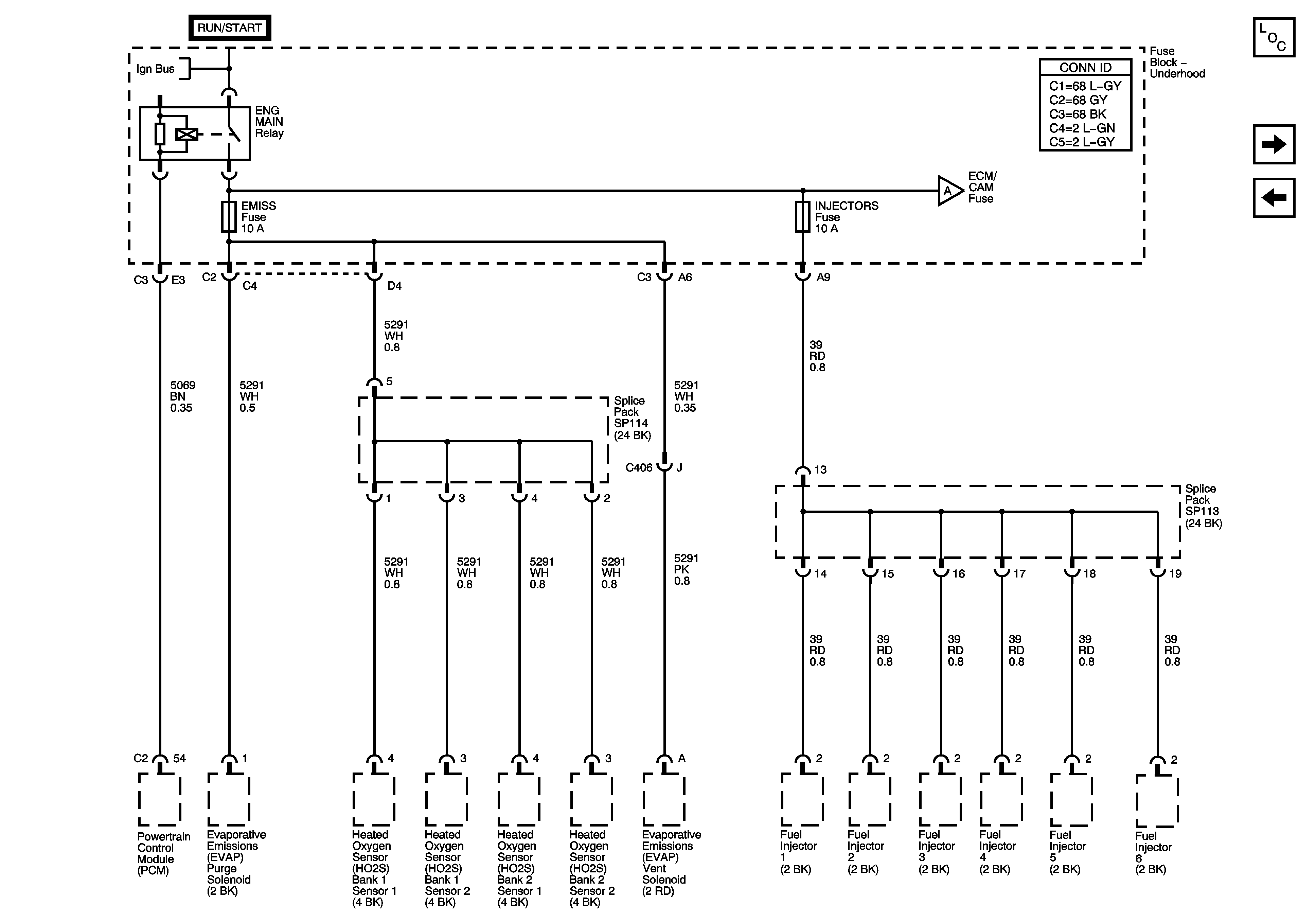
🢒 L66 1 of 2 - ENG MAIN Relay, EMISS Fuse, and the INJECTORS Fuse
L66 1 of 2 - ENG MAIN Relay, EMISS Fuse, and the INJECTORS Fuse
L66 (1 of 2) - ENG MAIN Relay, EMISS, and INJECTORS Fuses
Master Electrical Component List
L66 2 of 2-ECM/CAM Fuse
L61-ENG MAIN Relay, EMISS Fuse, ETC Fuse, and the IGN/INJ Fuse
IGN Fuse, Ignition Switch, and the Igntion Switch Position Circuits
L66 2 of 2-ECM/CAM Fuse