GM Service Manual Online
For 1990-2009 cars only
Makes
🢒
Saturn
🢒
2004
🢒
VUE - FWD
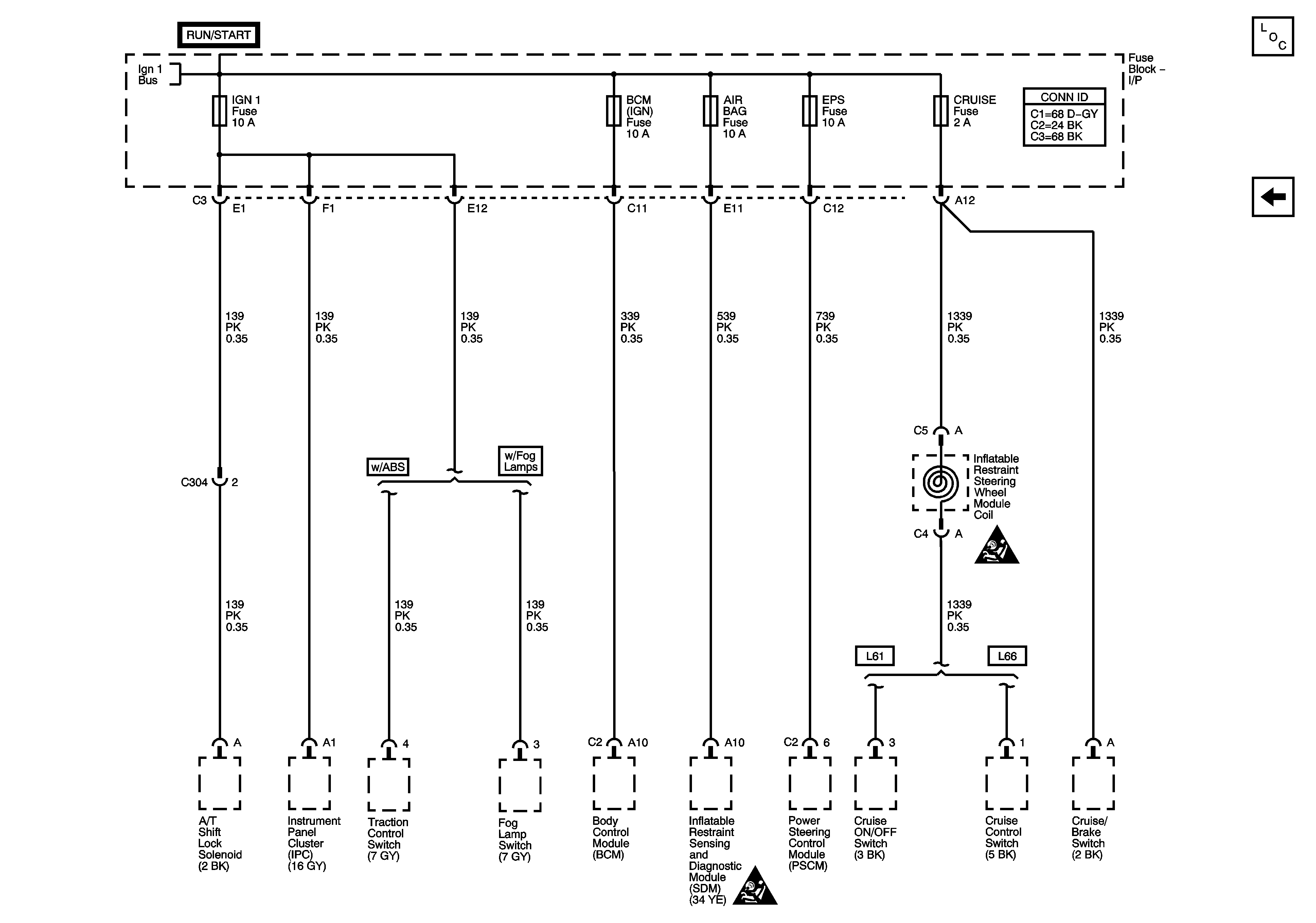
🢒 IGN 1, BCM(IGN), AIR BAG, EPS, and CRUISE Fuses (I/P Fuse Block)
IGN 1, BCM(IGN), AIR BAG, EPS, and CRUISE Fuses (I/P Fuse Block)
IGN 1, BCM (IGN), AIR BAG, EPS, and CRUISE Fuses (I/P Fuse Block)
Master Electrical Component List
TURN, BCM, RADIO(IGN), HVAC, and HTD SEATS Fuses (I/P Fuse Block)
IGN Fuse, Ignition Switch, and the Igntion Switch Position Circuits
SIR Caution for Zoning
SIR Caution for Zoning