GM Service Manual Online
For 1990-2009 cars only
Makes
🢒
Saturn
🢒
2006
🢒
VUE - FWD
🢒
Transmission/Transaxle
🢒
Automatic Transmission - 5AT
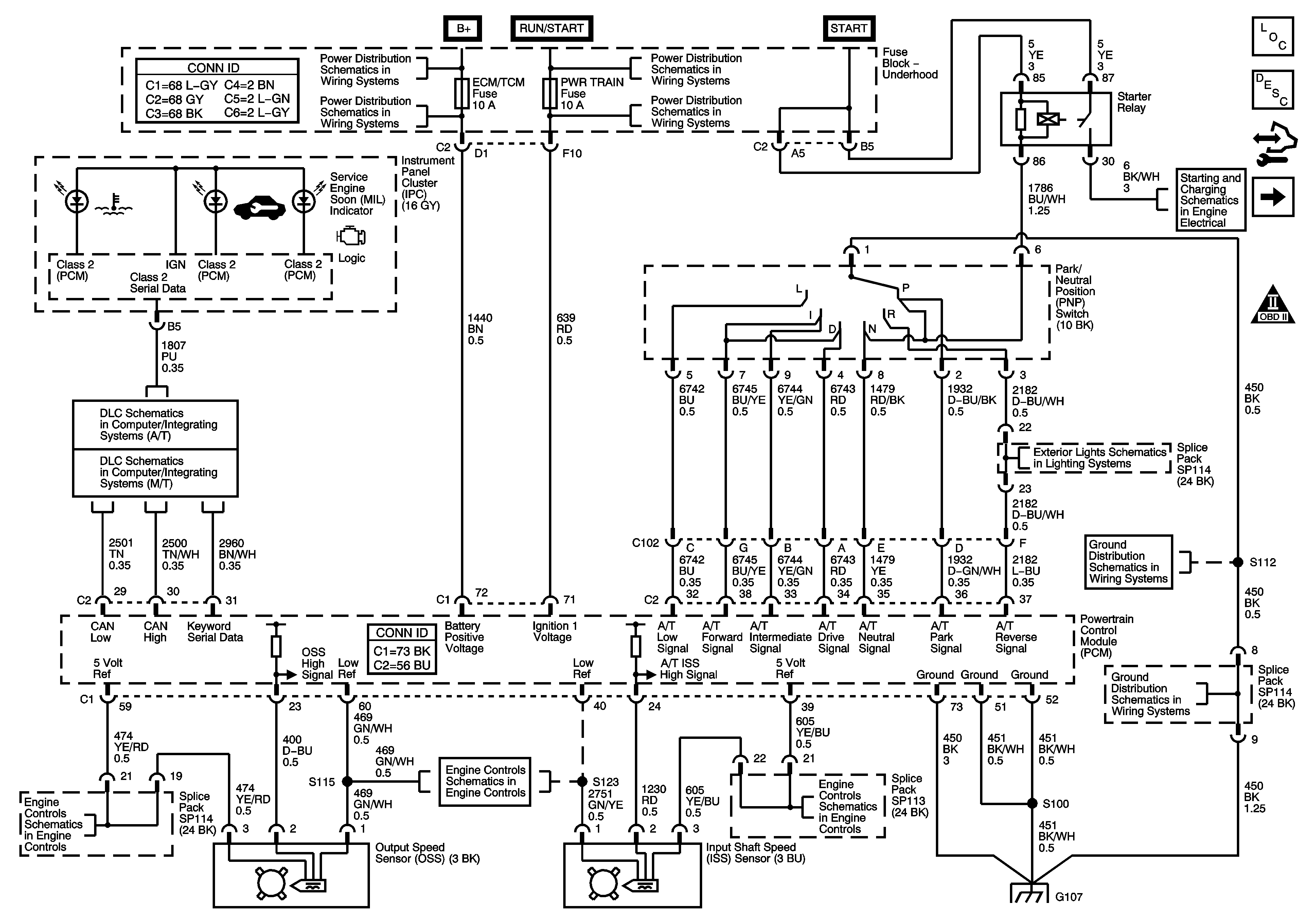
🢒 Automatic Transmission Controls Schematics
Figure
1:
PNP Switch Signals, OSS, ISS, IPC Indicators and PCM Communication
Master Electrical Component List
Electronic Component Description
Control Module References
Solenoid and Switch Controls
Figure 1
B+ Bussing and the EPS Fuse
SUNROOF Fuse, PWR WDW Fuse, 10A ABS Fuse, 20A ABS Fuse, ABS PWR Fuse, HVAC BLOWER Fuse, AUX1 OUTLET Fuse, CIGAR/AUX2 Fuse and the ECM/TCM Fuse
L66
DLC Schematic (M/T)
IGN Fuse and the Ignition Switch Circuits
BACKUP Fuse, PWR TRAIN Fuse, 10A ABS Fuse and the INJECTORS (L66) Fuse
Low References
5-Volt References
5-Volt References
Backup Lamps
G107 and G109 - L66
G107 and G109 - L66
Figure
2:
Solenoid and Switch Controls
Master Electrical Component List
Electronic Component Description
Control Module References
PNP Switch Signals, OSS, ISS, IPC Indicators and PCM Communication
Figure 1
Low References
Low References
Low References