GM Service Manual Online
For 1990-2009 cars only
Makes
🢒
Saturn
🢒
2006
🢒
VUE - FWD
🢒
Steering
🢒
Steering Wheel and Column
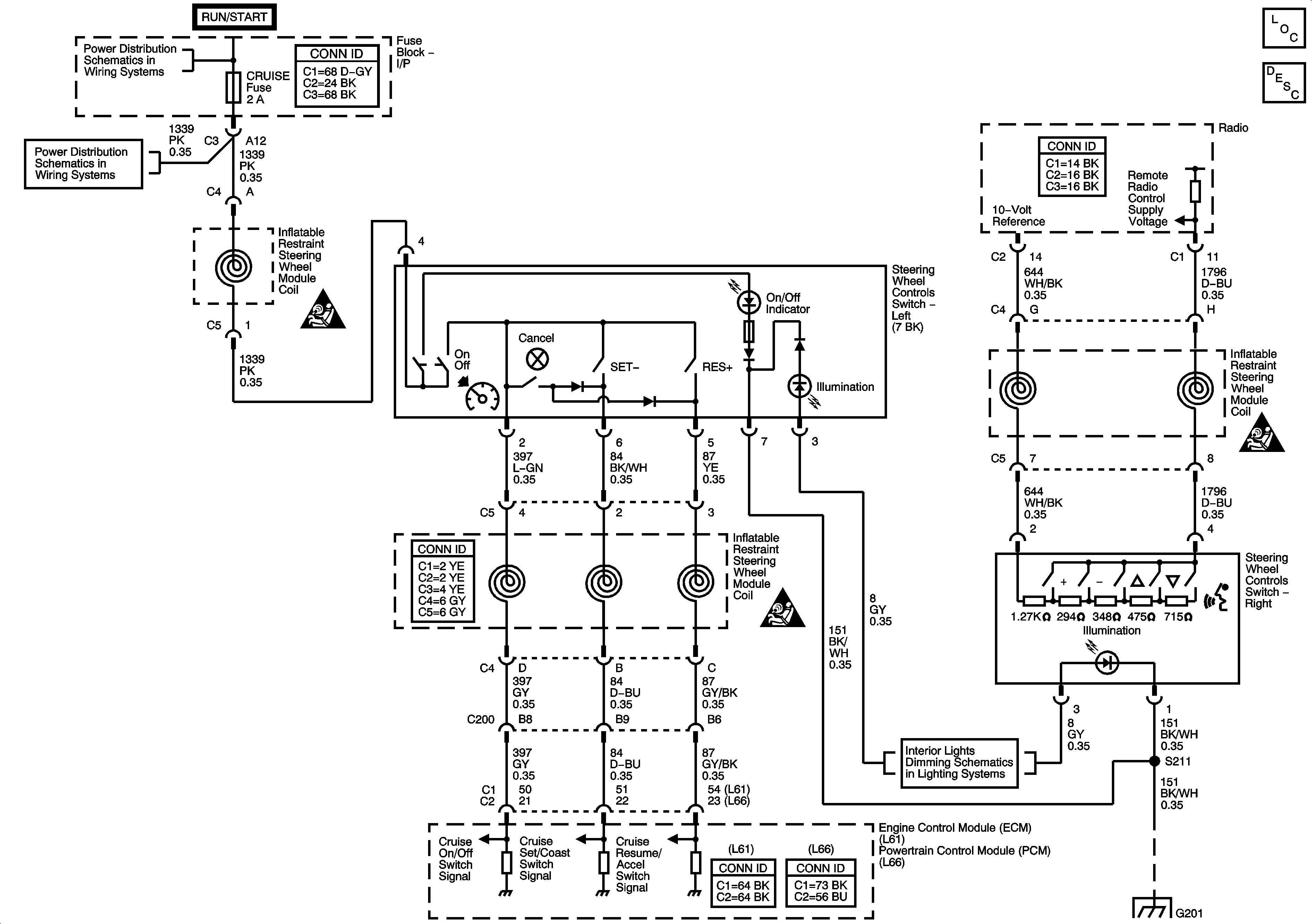
🢒 Steering Wheel Schematics
Master Electrical Component List
Steering Wheel Controls Description and Operation
Control Module References
IGN Fuse and the Ignition Switch Circuits
IGN1 Fuse, BCM(IGN) Fuse, AIR BAG Fuse, EPS Fuse and the CRUISE Fuse
Interior Lights Dimming Schematic
G201
SIR Caution for Zoning
SIR Caution for Zoning
SIR Caution for Zoning