GM Service Manual Online
For 1990-2009 cars only
Makes
🢒
Saturn
🢒
2006
🢒
VUE - FWD
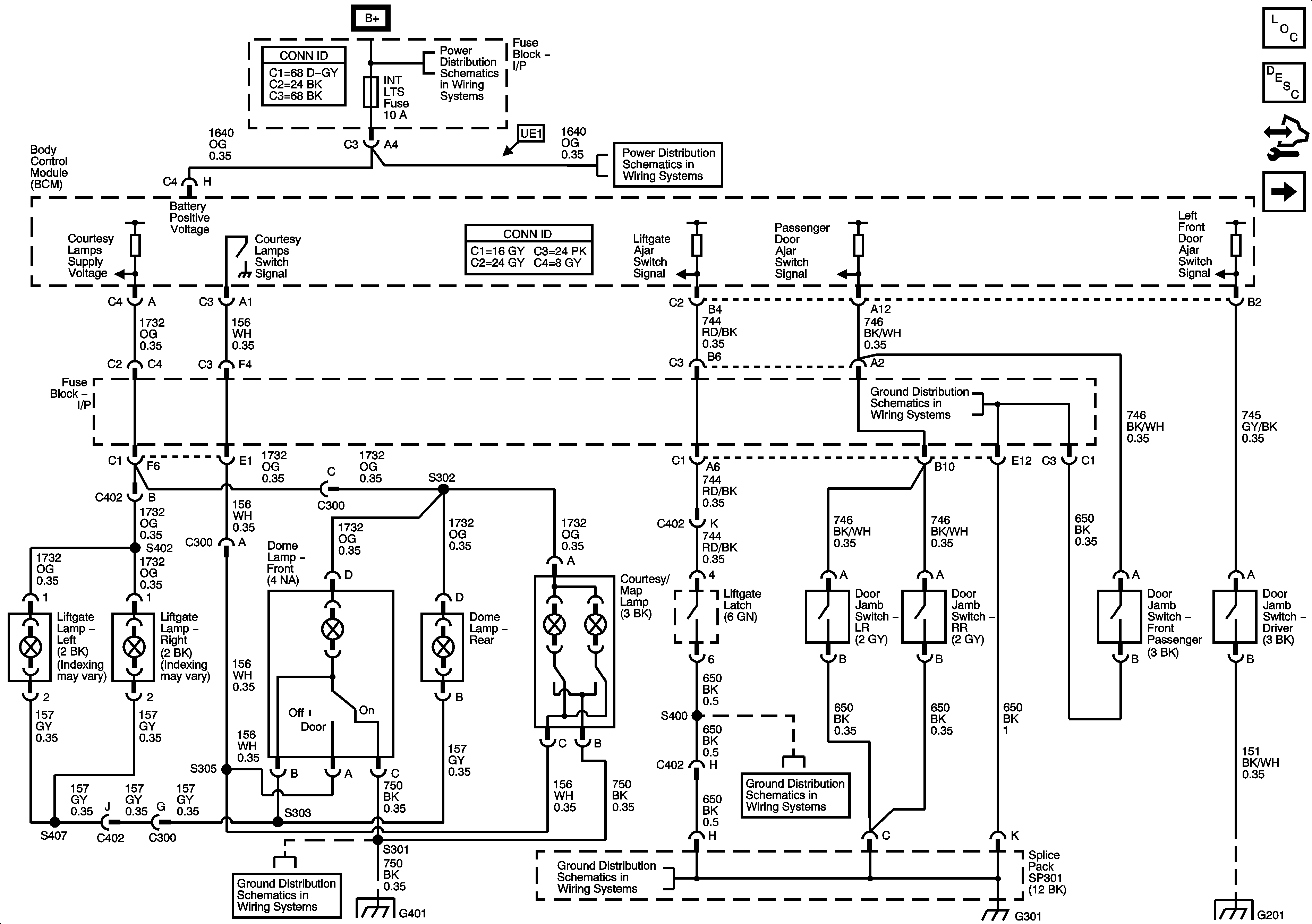
🢒 Interior Lights Schematic
Interior Lights Schematic
Except Seat Lamps
Master Electrical Component List
Interior Lighting Systems Description and Operation
Control Module References
Seat Lighting Schematics
G103 - 1 of 2
G401 and G403
G401 and G403
G301 - 2 of 2
G103 - 1 of 2
G201