GM Service Manual Online
For 1990-2009 cars only
Makes
🢒
Saturn
🢒
2007
🢒
VUE - FWD
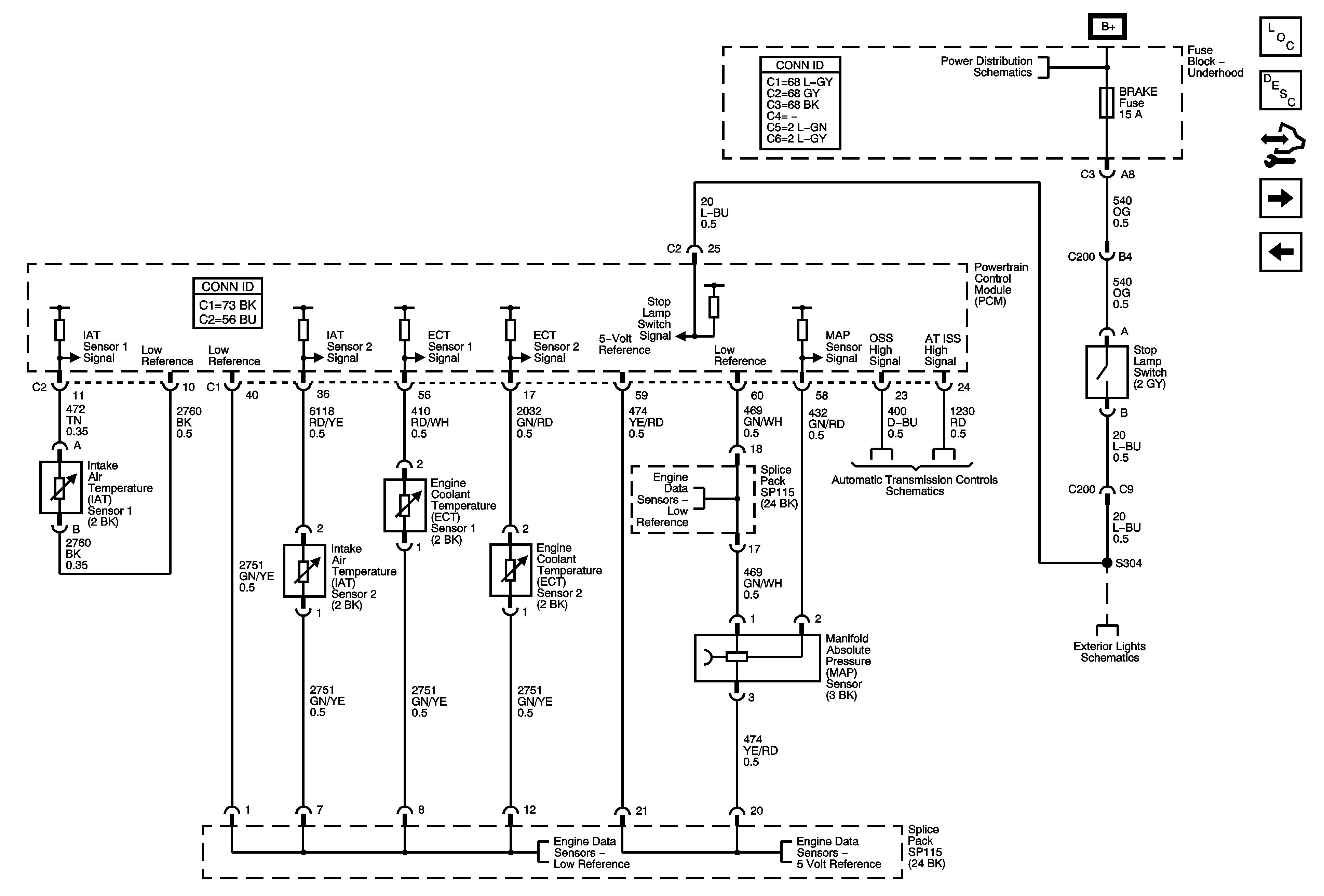
🢒 Engine Data Sensors - Pressure, Temperature, and Stop Lamp Switch Signal
Engine Data Sensors - Pressure, Temperature, and Stop Lamp Switch Signal
Engine Data Sensors - Pressure, Temperature, and Stop Lamp Switch Signal
Master Electrical Component List
Air Intake System Description
Control Module References
Bank 1 Oxygen Sensors
Low References
B+ Bus and EPS Fuse
Low References
PNP Switch, OSS, ISS, Indicators, and PCM Communication
Low References
5-Volt Reference