GM Service Manual Online
For 1990-2009 cars only
Makes
🢒
Saturn
🢒
2007
🢒
VUE - FWD
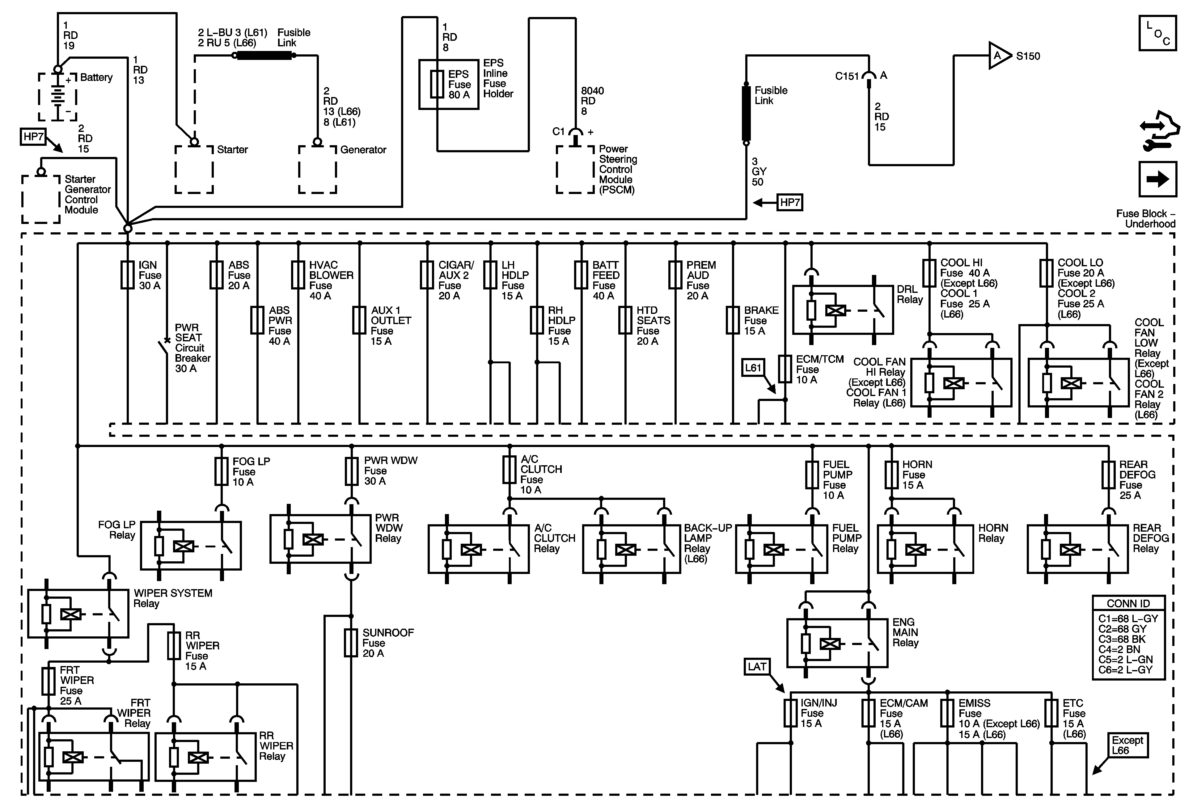
🢒 B+ Bus and EPS Fuse
B+ Bus and EPS Fuse
B+ Bus and EPS Fuse
Master Electrical Component List
Control Module References
SUNROOF, PWR WDW, ABS 10A, ABS 20A, ABS PWR, HVAC BLOWER, AUX1 OUTLET, CIGAR/AUX2, and ECM/PCM Fuses
Auxiliary Fuse Block (HP7)