GM Service Manual Online
For 1990-2009 cars only
Makes
🢒
Saturn
🢒
2007
🢒
VUE - FWD
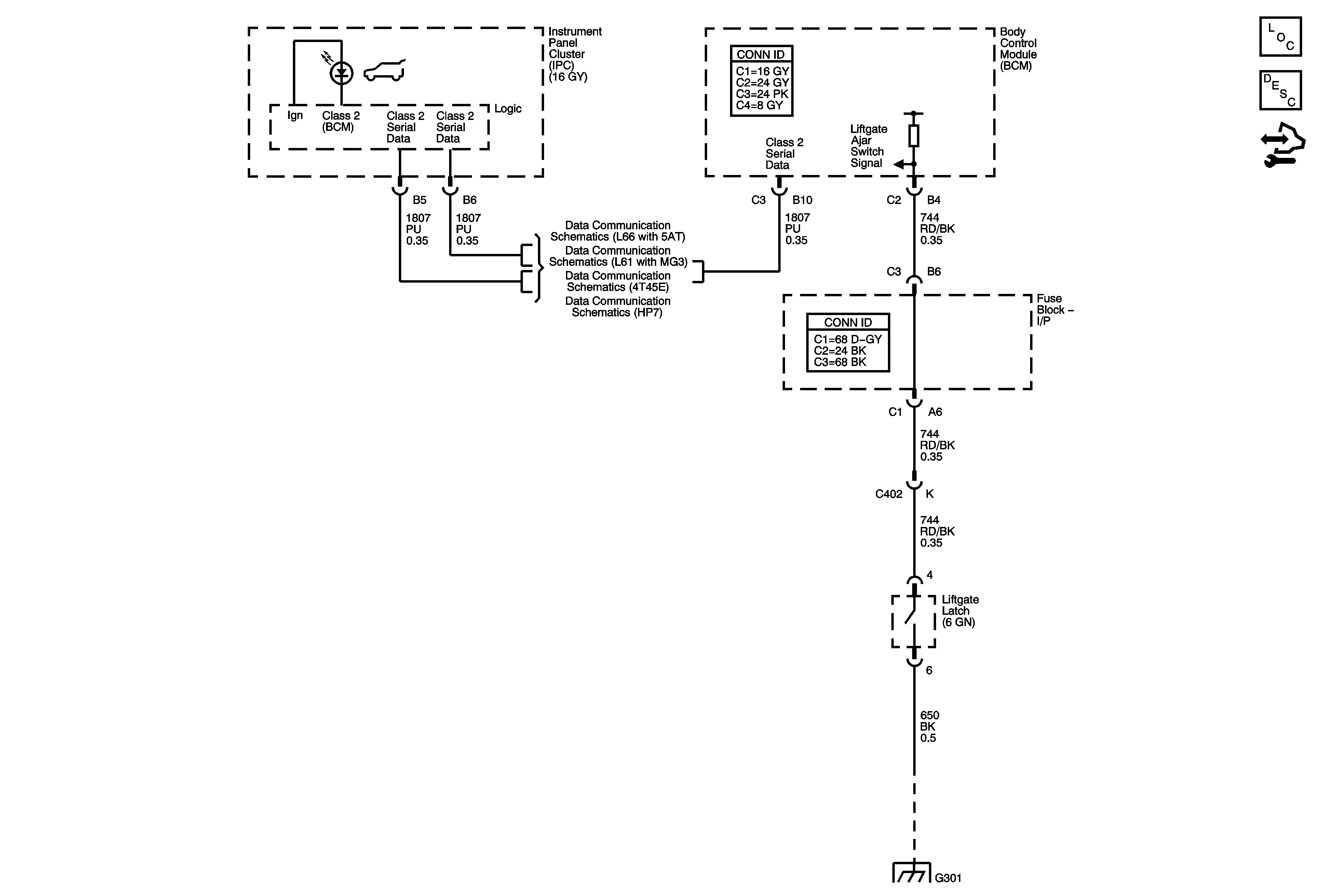
🢒 Release System Schematics
Release System Schematics
Master Electrical Component List
Rear Hatch/Gate Description and Operation
Control Module References
L66 with 5AT
L61 with MG3
G301 2 of 2