GM Service Manual Online
For 1990-2009 cars only
Makes
🢒
Saturn
🢒
2007
🢒
VUE - FWD
🢒 L61 with MG3
L61 with MG3
L61 with MG3
Master Electrical Component List
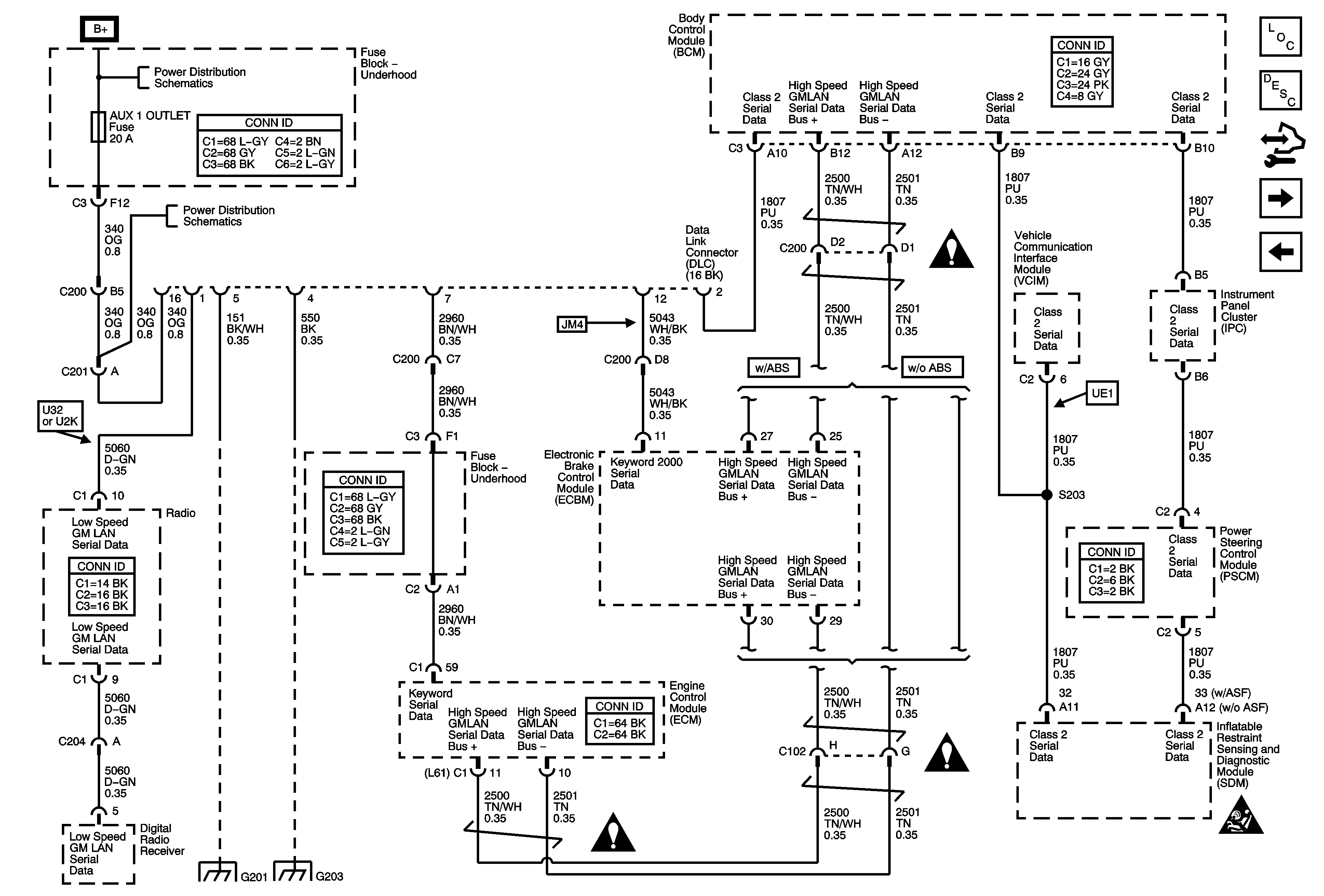
Data Link Communications Description and Operation
Control Module References
L61 with 4T45-E
L66 with 5AT
B+ Bus and EPS Fuse
SUNROOF, PWR WDW, ABS 10A, ABS 20A, ABS PWR, HVAC BLOWER, AUX1 OUTLET, CIGAR/AUX2, and ECM/PCM Fuses
Data Communication Schematic Icons
Data Communication Schematic Icons
Data Communication Schematic Icons
G201
G203 and G205
Data Communication Schematic Icons