GM Service Manual Online
For 1990-2009 cars only
Makes
🢒
Saturn
🢒
2007
🢒
VUE - FWD
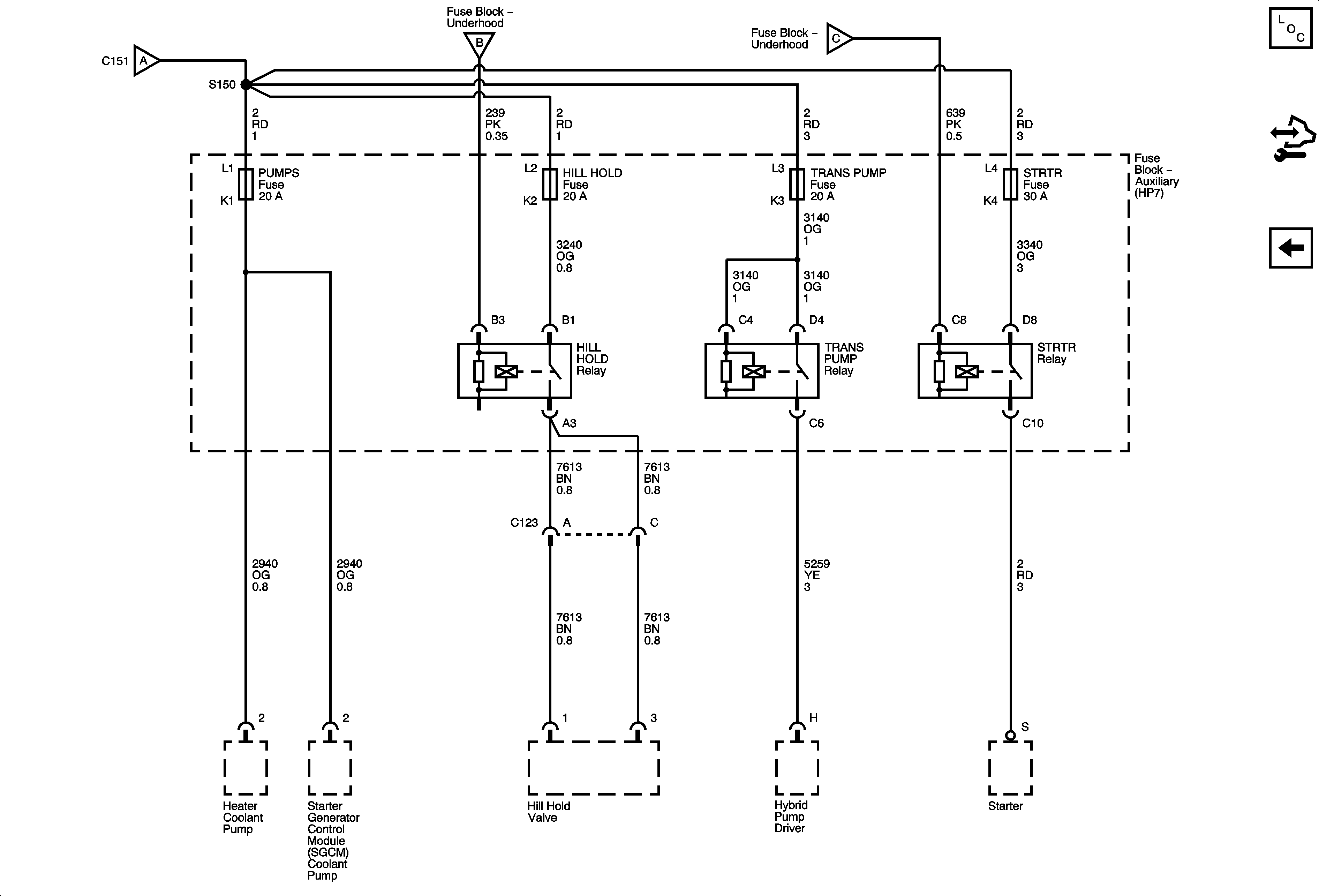
🢒 Auxiliary Fuse Block (HP7)
Auxiliary Fuse Block (HP7)
Auxiliary Fuse Block (HP7)
Master Electrical Component List
Control Module References
ECM/CAM Fuse L66
B+ Bus and EPS Fuse
BACKUP and PWR TRAIN Fuses (HP7)
BACKUP and PWR TRAIN Fuses (HP7)