GM Service Manual Online
For 1990-2009 cars only
Makes
🢒
Saturn
🢒
2007
🢒
VUE - FWD
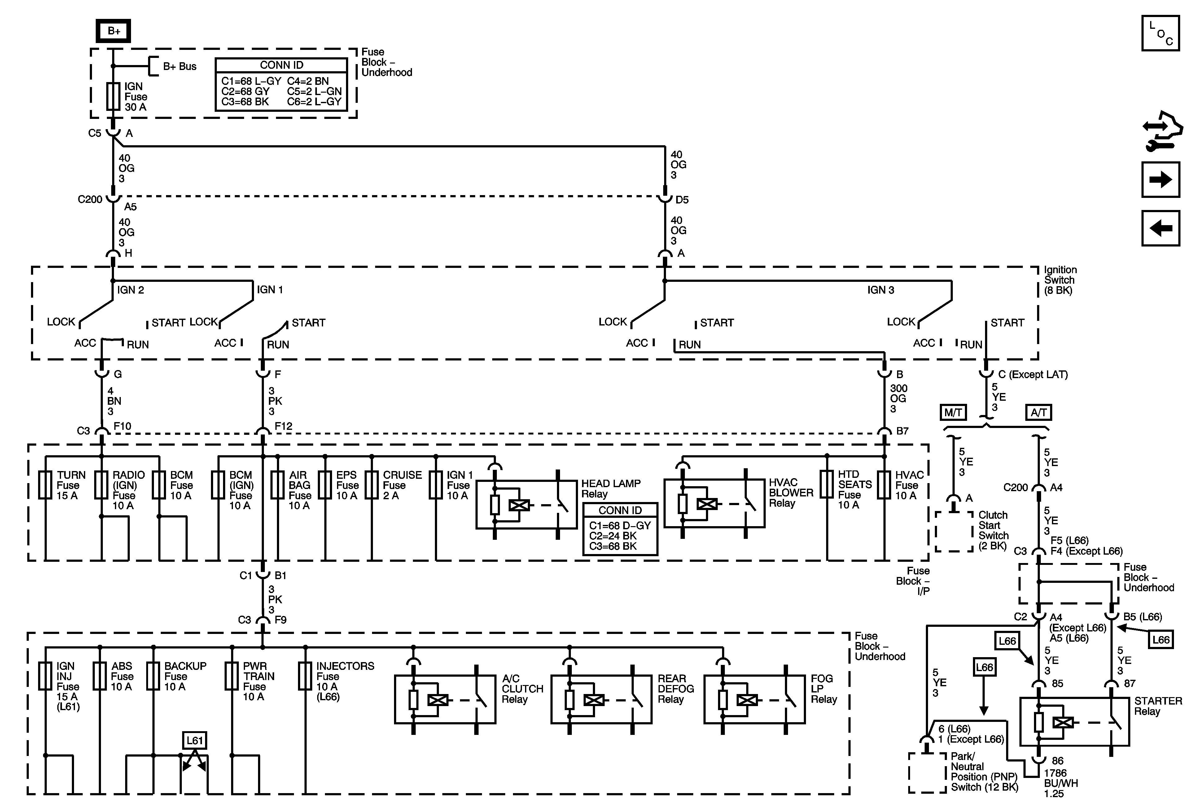
🢒 IGN Fuse and Ignition Switch Circuits
IGN Fuse and Ignition Switch Circuits
IGN Fuse and Ignition Switch Circuits
Master Electrical Component List
Control Module References
BACKUP, PWR TRAIN, 10A ABS, and INJECTOR Fuses (Except HP7)
RADIO, LOCK/MIRROR, BCM/CLUSTER, INT LTS, PARK, and HZRD Fuses
B+ Bus and EPS Fuse