GM Service Manual Online
For 1990-2009 cars only
Makes
🢒
Suzuki
🢒
2007
🢒
XL-7 FWD
🢒
Diagnostic Navigation
🢒
Vehicle Diagnostic Information
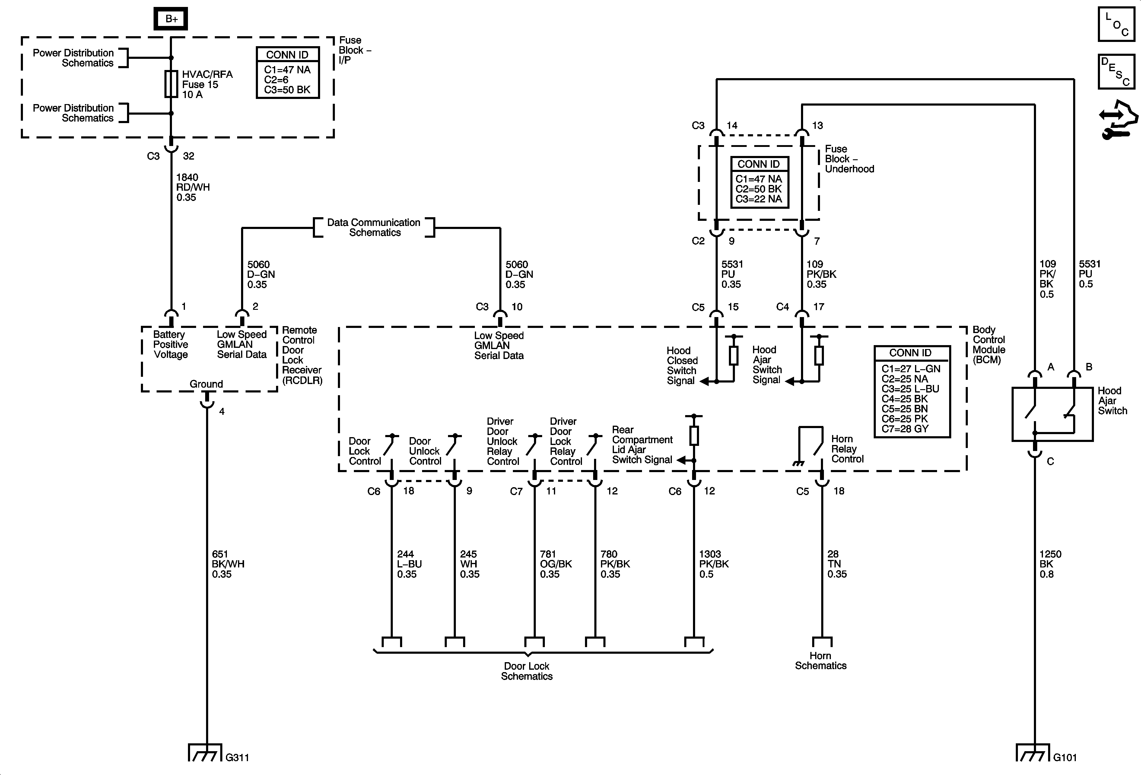
🢒 Remote Function Schematics
Master Electrical Component List
Keyless Entry System Description and Operation
Control Module References
B+ BUS 1 of 2
B+ BUS 1 of 2
Low Speed GMLAN
G311
Door Locks
Horn
G101