GM Service Manual Online
For 1990-2009 cars only
Makes
🢒
Suzuki
🢒
2007
🢒
XL-7 FWD
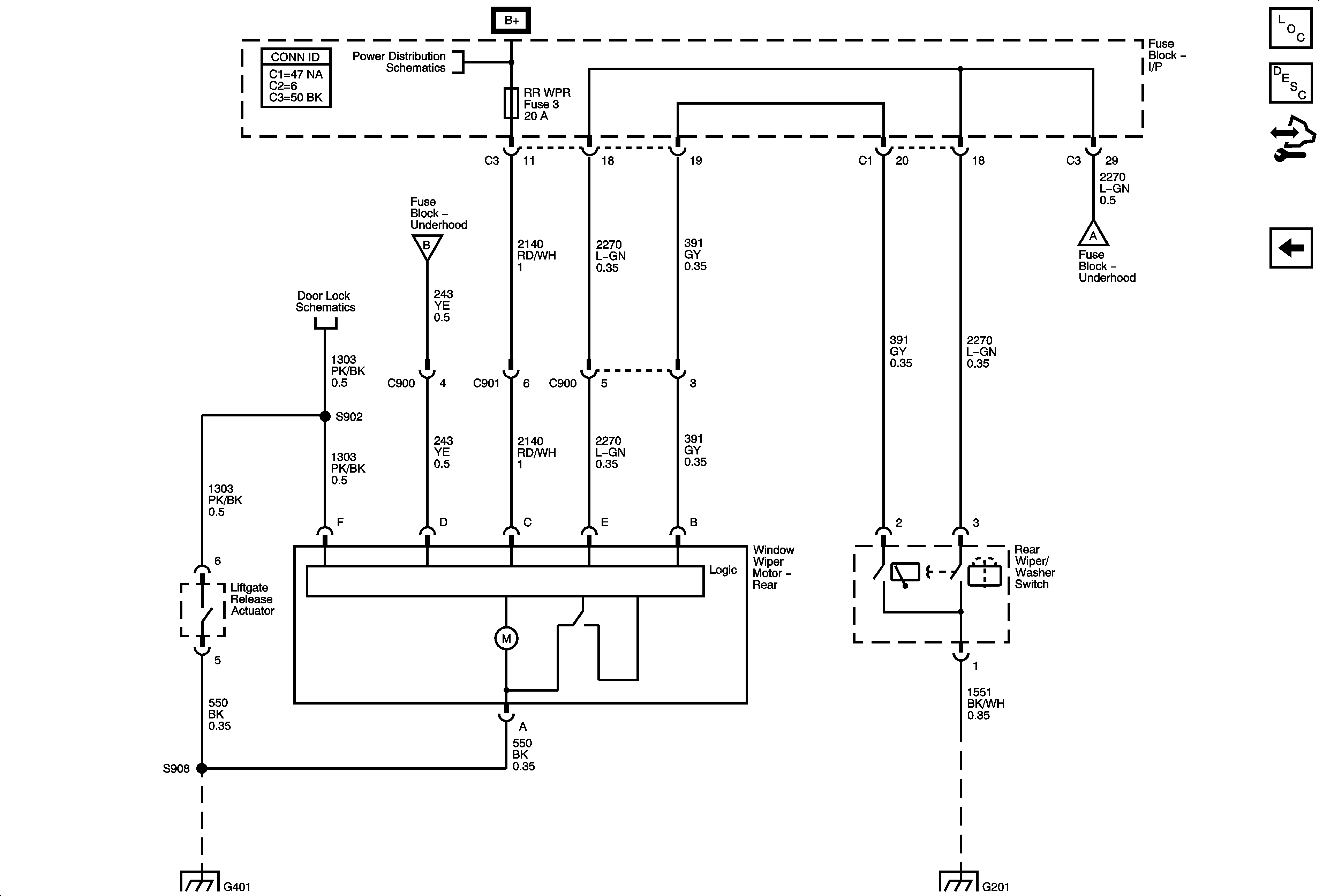
🢒 Rear Wiper Schematics
Rear Wiper Schematics
Rear Wiper/Washer
Master Electrical Component List
Wiper/Washer System Description and Operation
Control Module References
Front Wiper Schematics
B+ BUS 1 of 2
Door Lock/Indicator Schematics
G401
G201