GM Service Manual Online
For 1990-2009 cars only
Makes
🢒
Suzuki
🢒
2007
🢒
XL-7 FWD
🢒 Sunroof
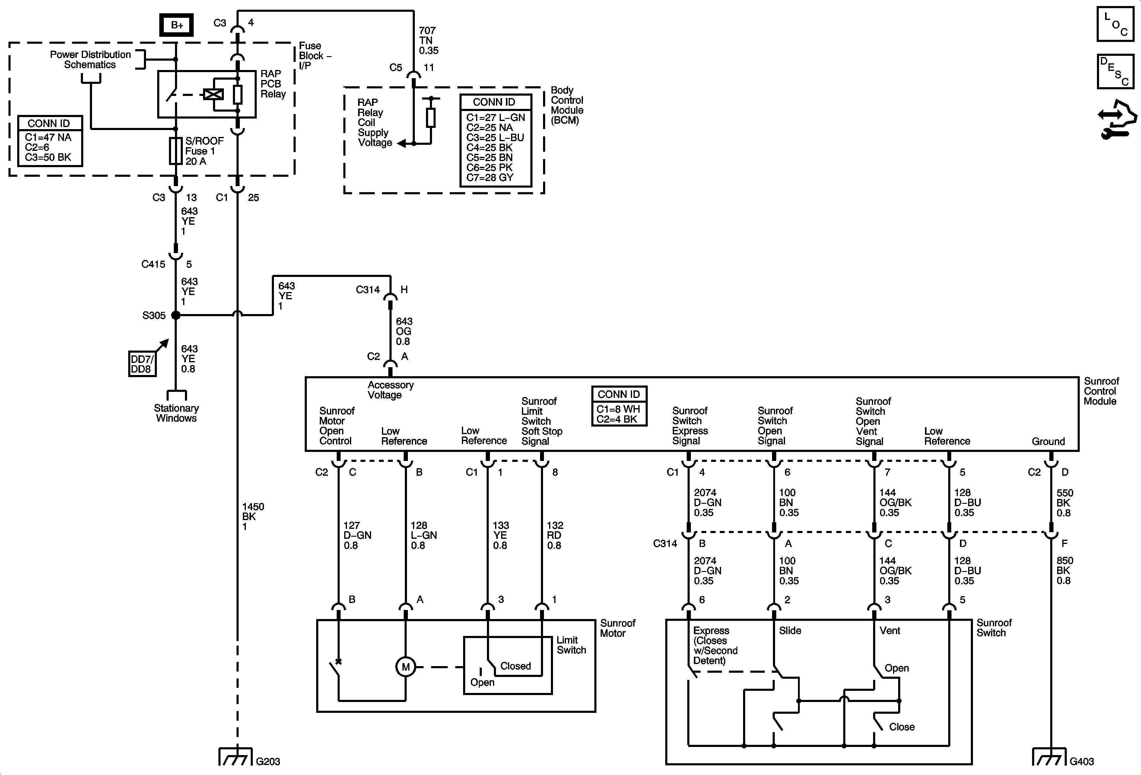
Sunroof
Master Electrical Component List
Sunroof Description and Operation
Control Module References
B+ BUS 1 of 2
G203 and G205
G403