GM Service Manual Online
For 1990-2009 cars only
Makes
🢒
Suzuki
🢒
2007
🢒
XL-7 FWD
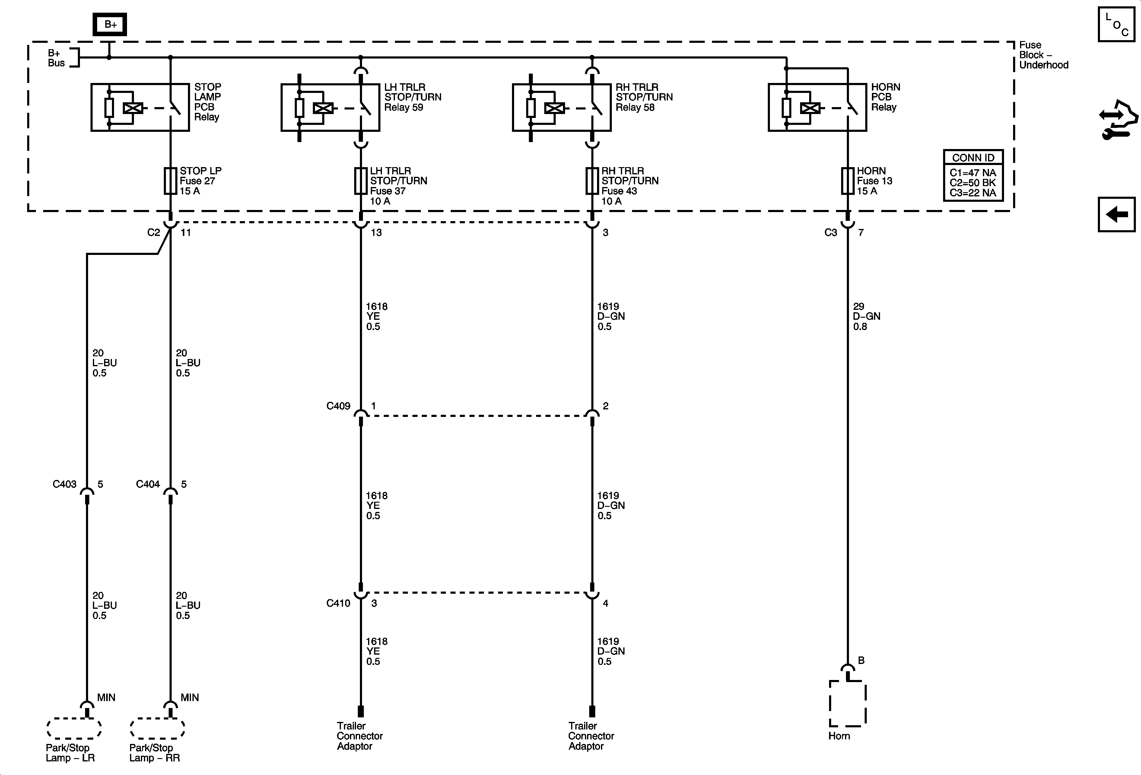
🢒 HORN, LH TRLR STOP/TURN, RH TRLR STOP/TUURN, and STOP LP Fuses
HORN, LH TRLR STOP/TURN, RH TRLR STOP/TUURN, and STOP LP Fuses
HORN, LH TRLR STOP/TURN, RH TRLR STOP/TURN and STOP LP Fuses
Master Electrical Component List
Control Module References
LH PARK/LP, RH PRK/LP and PRK/LP TRLR Fuses