- If the transfer case heat shield was previously removed, complete the following steps.
| • | Install the transfer case heat shield (2). |
| • | Install the transfer case heat shield bolts (1). |
Notice: Refer to Fastener Notice in the Preface section.
Tighten
Tighten the bolts to 11 N·m (97 lb in).
- Install the transfer case (2) from the transaxle.
- Install the bolts (1) securing the transfer case to the transaxle.
Tighten
Tighten the bolts to 50 N·m (37 lb ft).
- Install the rear transmission mount and bracket. Refer to
Transmission Rear Mount Bracket Replacement
.
- Remove the jackstand supporting the transaxle.
- Install the transfer case heat shield.
- Install the transfer case mounting bracket (3).
- Install the transfer case mounting bracket bolts (1).
Tighten
Tighten the bolts to 50 N·m (37 lb ft).
- Install the transfer case mounting bracket bolt (2).
Tighten
Tighten the bolts to 23 N·m (17 lb ft).
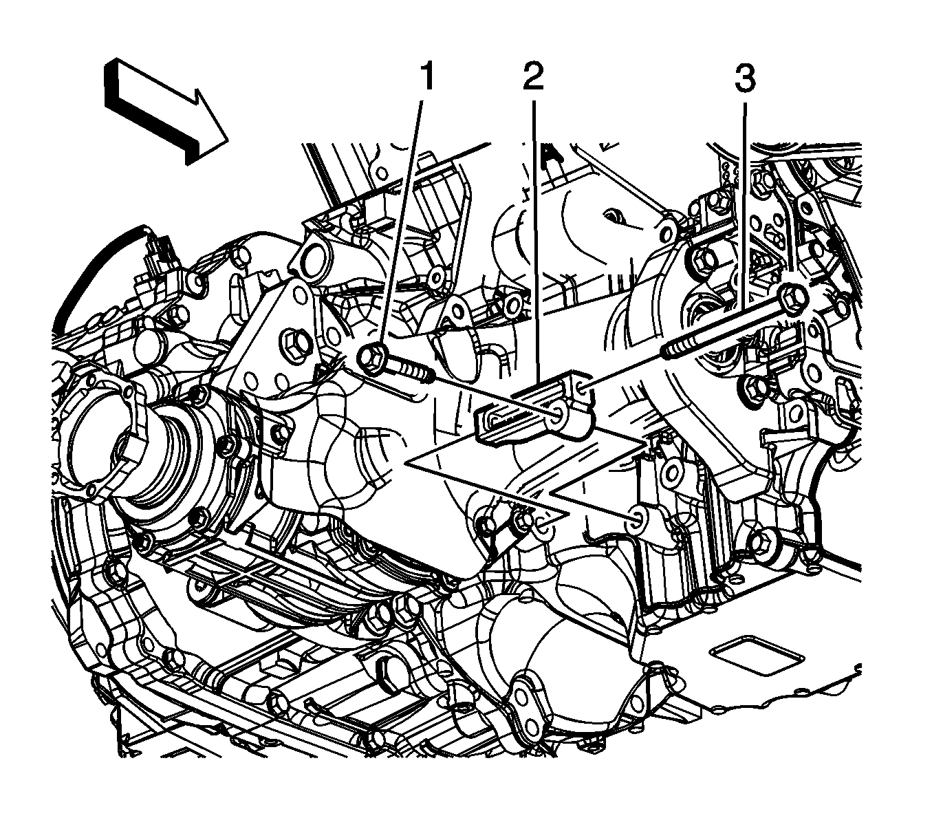
- Install the transfer case mounting bracket (2).
- Install the transfer case mounting bracket bolts (1, 3).
Tighten
Tighten the bolts to 50 N·m (37 lb ft).
- Install both catalytic converters. Refer to
Catalytic Converter Replacement - Right Side
and
Catalytic Converter Replacement - Left Side
.
- Install the right wheel drive shaft. Refer to
Front Wheel Drive Shaft Replacement
.
- Fill the transfer case with fluid. Refer to
Transfer Case Fluid Replacement
.
- Lower the vehicle.