GM Service Manual Online
For 1990-2009 cars only
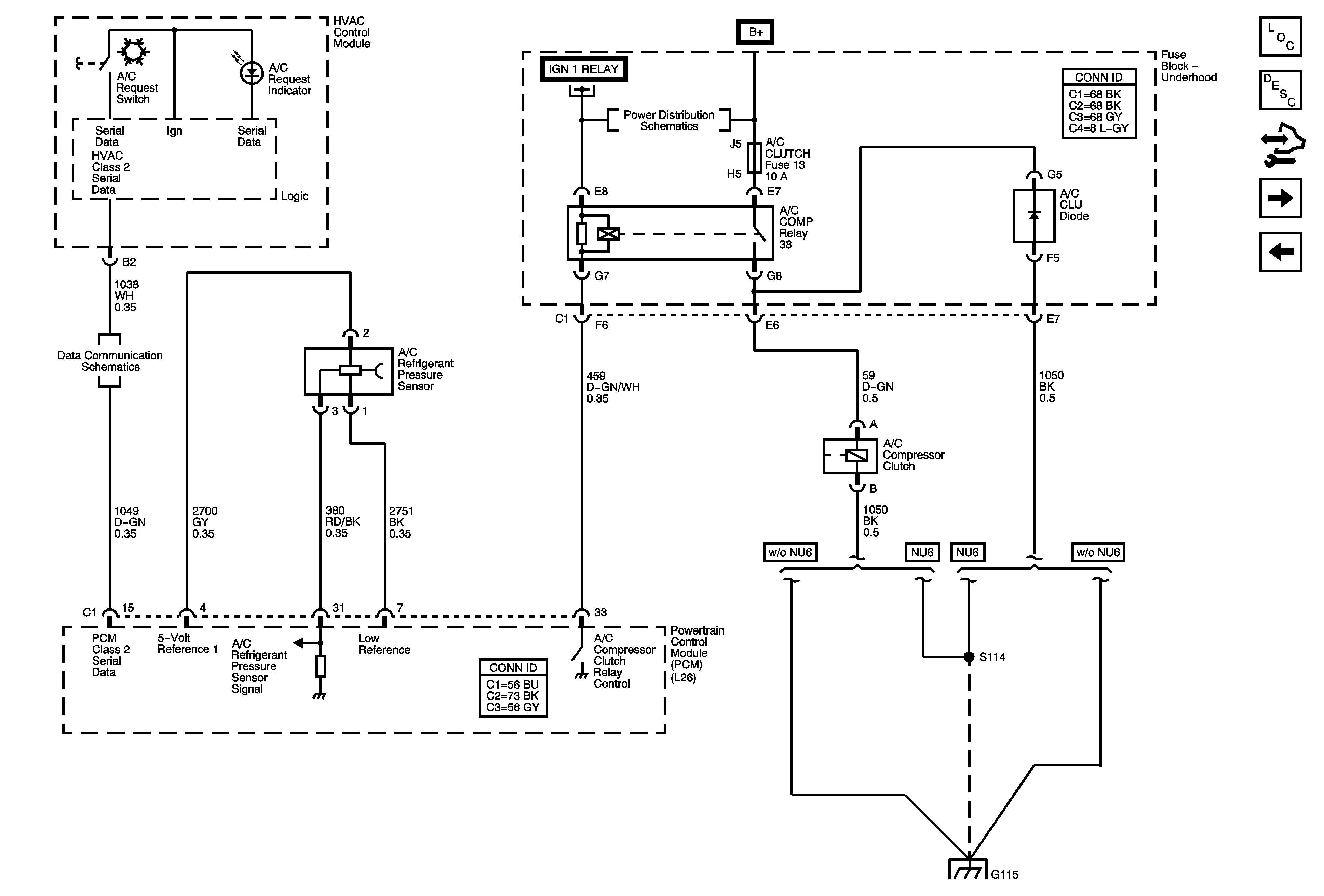
Figure 1:

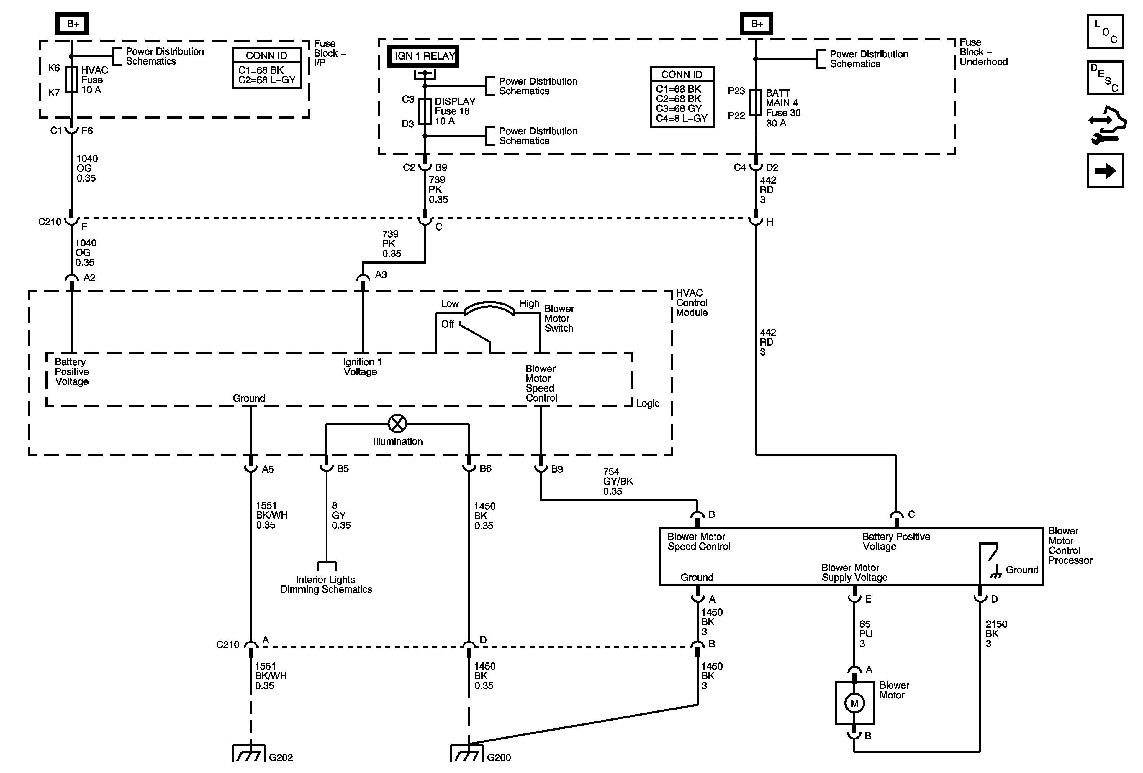
Power, Ground, and Blower Controls


Object Number: 1801516  Size: FS
Master Electrical Component List
Air Delivery Description and Operation
Control Module References
Compressor Controls and Serial Data (L26)
Fuse Block - Underhood BATT MAIN 1 Fuse
Fuse Block-Underhood B+ Bus
Fuse Block-Underhood B+ Bus
Fuse Block-Underhood B+ Bus
Fuse Block - Underhood ABS, TRANS SOL, PCM, SIR, and DIPSLAY Fuses, CRANK Relay, and Fuse Block - I/P CRUISE SW Fuse
I/P, Console, and Driver Door Lighting
G202
G200
Figure 2:

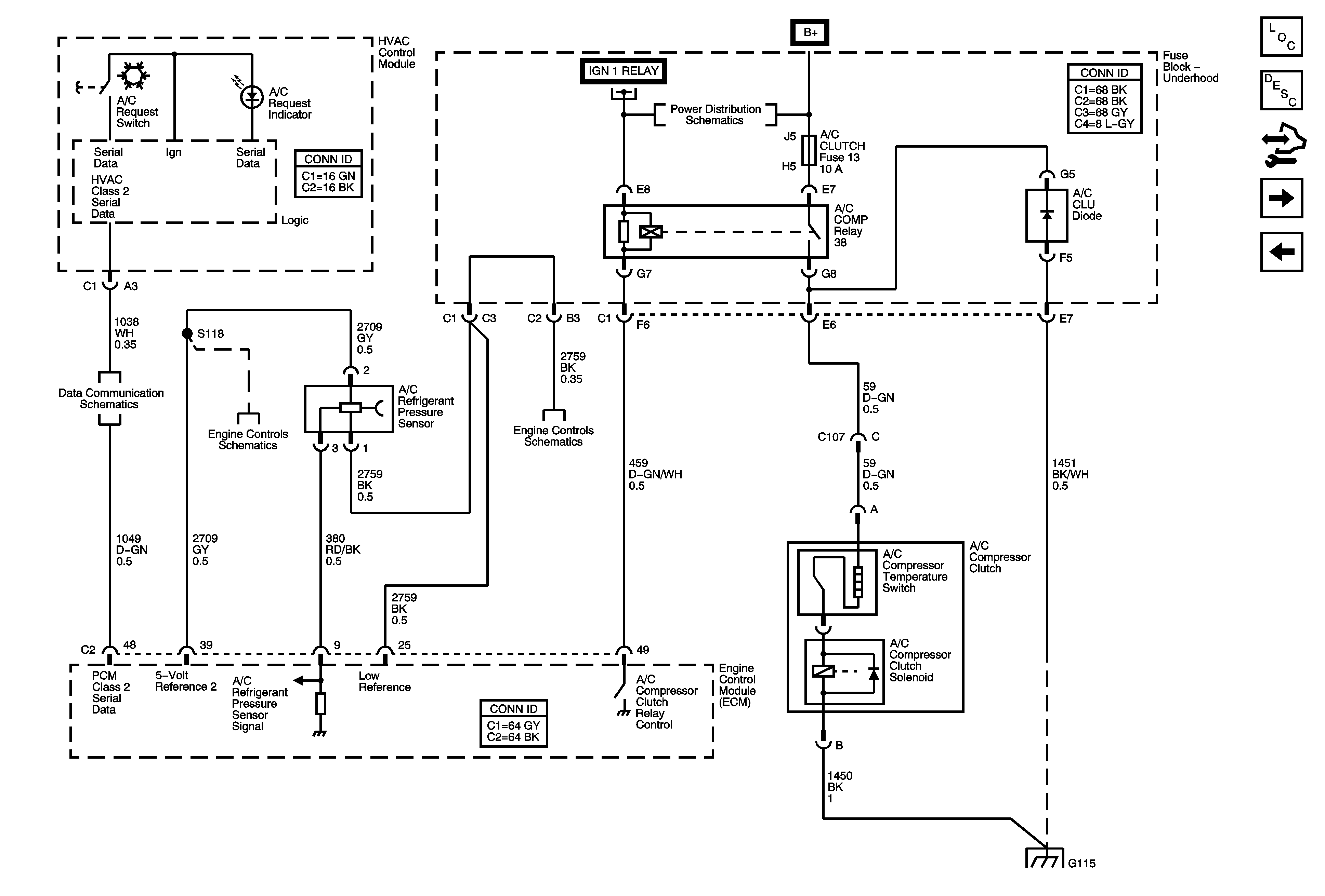
Compressor Controls and Serial Data (L26)


Object Number: 1801521  Size: FS
Master Electrical Component List
Air Delivery Description and Operation
Control Module References
Compressor Controls and Serial Data (LY7)
Power, Ground, and Blower Controls
Fuse Block-Underhood B+ Bus
Fuse Block-Underhood B+ Bus
Data Link Connector Schematics L26
G115 (L26)
Figure 3:

Compressor Controls and Serial Data (LY7)


Object Number: 1801525  Size: FS
Master Electrical Component List
Air Delivery Description and Operation
Control Module References
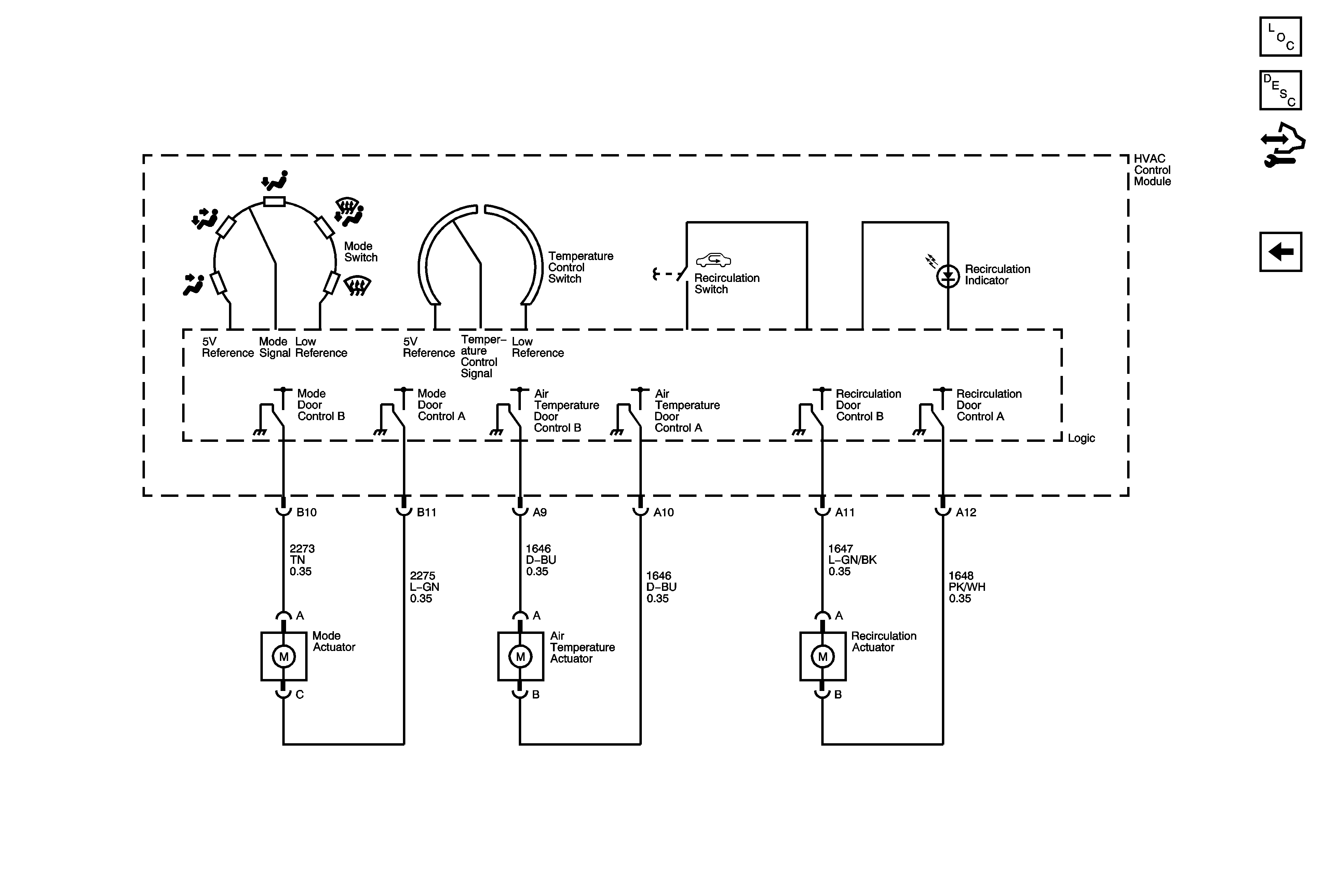
Mode and Air Temperature Controls
Compressor Controls and Serial Data (L26)
Fuse Block-Underhood B+ Bus
Fuse Block-Underhood B+ Bus
Data Link Connector (DLC) Schematics LY7
5 Volt and Low Reference page 1 of 2
5 Volt and Low Reference page 1 of 2
G115 (LY7)
Figure 4:

Mode and Air Temperature Controls


Object Number: 1801523  Size: FS
Master Electrical Component List
Air Temperature Description and Operation
Control Module References
Compressor Controls and Serial Data (LY7)