GM Service Manual Online
For 1990-2009 cars only
Makes
🢒
Buick
🢒
2007
🢒
Allure
🢒 Starting - L26
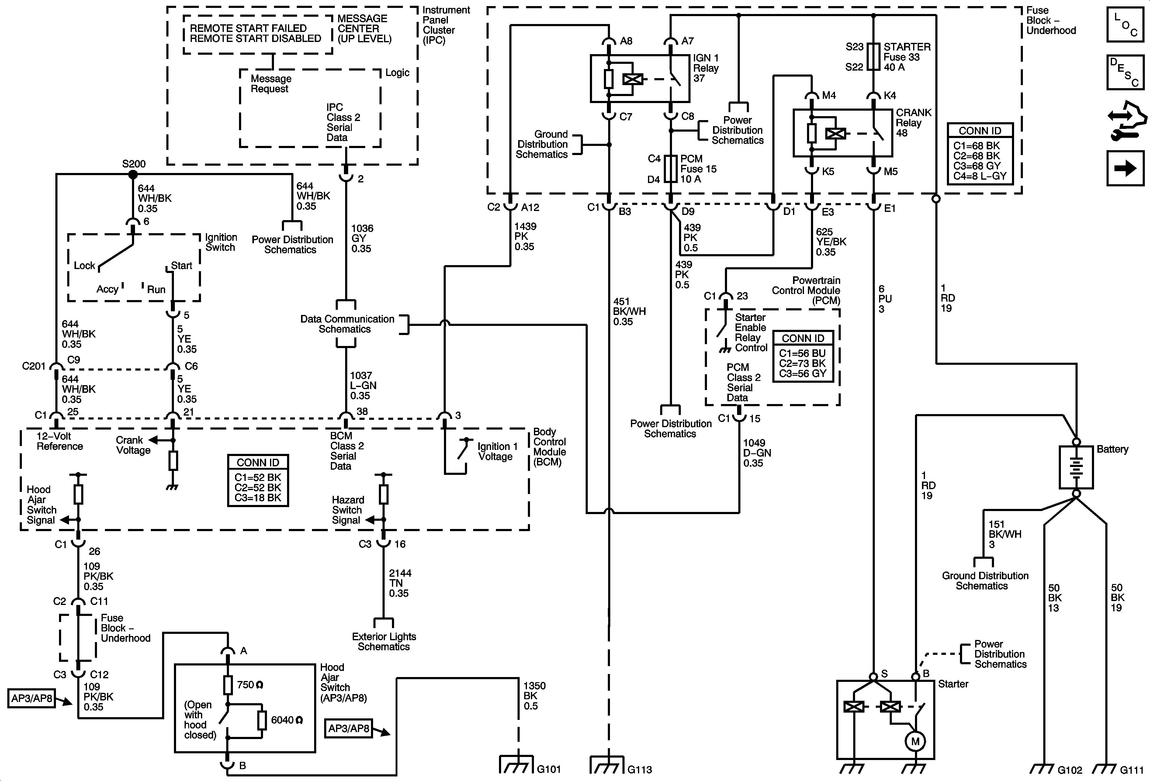
Starting - L26
Starting - L26
Master Electrical Component List
Starting System Description and Operation
Control Module References
Starting - LY7
G101, G102, G103, G111, G112, and G113
Fuse Block-Underhood B+ Bus
Ignition Switch
Data Link Connector Schematics L26
Fuse Block - Underhood ABS, TRANS SOL, PCM, SIR, and DIPSLAY Fuses, CRANK Relay, and Fuse Block - I/P CRUISE SW Fuse
Turn Signal, Hazard and Stop Lamps Inputs
G101, G102, G103, G111, G112, and G113
Fuse Block-Underhood B+ Bus
G101, G102, G103, G111, G112, and G113
G101, G102, G103, G111, G112, and G113