GM Service Manual Online
For 1990-2009 cars only
Makes
🢒
Buick
🢒
2007
🢒
Allure
🢒 Object Detection Schematics
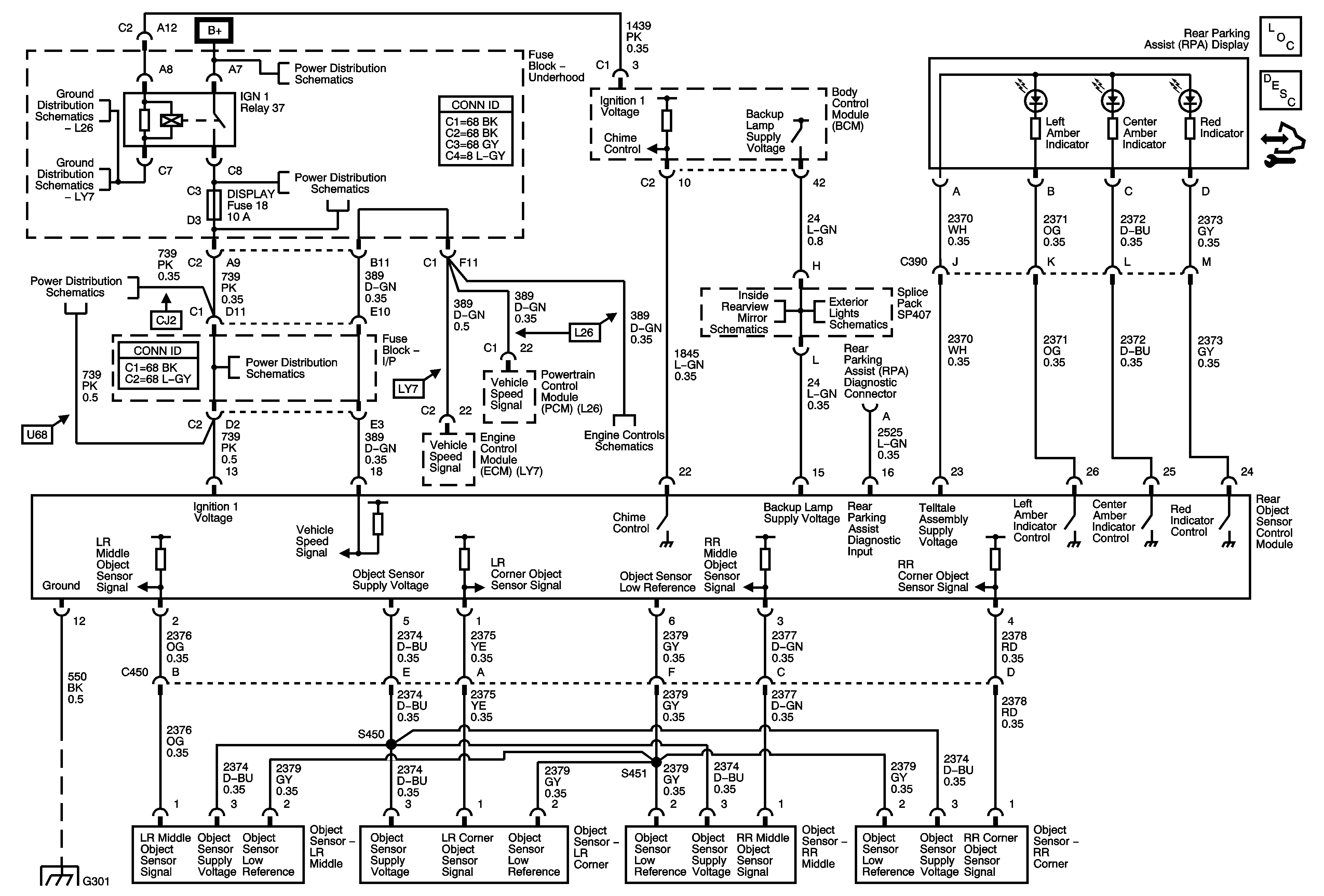
Object Detection Schematics
Master Electrical Component List
Object Detection Description and Operation
Control Module References
G101, G102, G103, G111, G112, and G113
Fuse Block-Underhood B+ Bus
G115 (LY7)
Fuse Block-Underhood B+ Bus
Fuse Block - Underhood ABS, TRANS SOL, PCM, SIR, and DIPSLAY Fuses, CRANK Relay, and Fuse Block - I/P CRUISE SW Fuse
Fuse Block - Underhood ABS, TRANS SOL, PCM, SIR, and DIPSLAY Fuses, CRANK Relay, and Fuse Block - I/P CRUISE SW Fuse
Inside Rearview Mirror
Backup and License Lamps
Electronic Throttle Controls
G301