GM Service Manual Online
For 1990-2009 cars only
Makes
🢒
Buick
🢒
2007
🢒
Allure
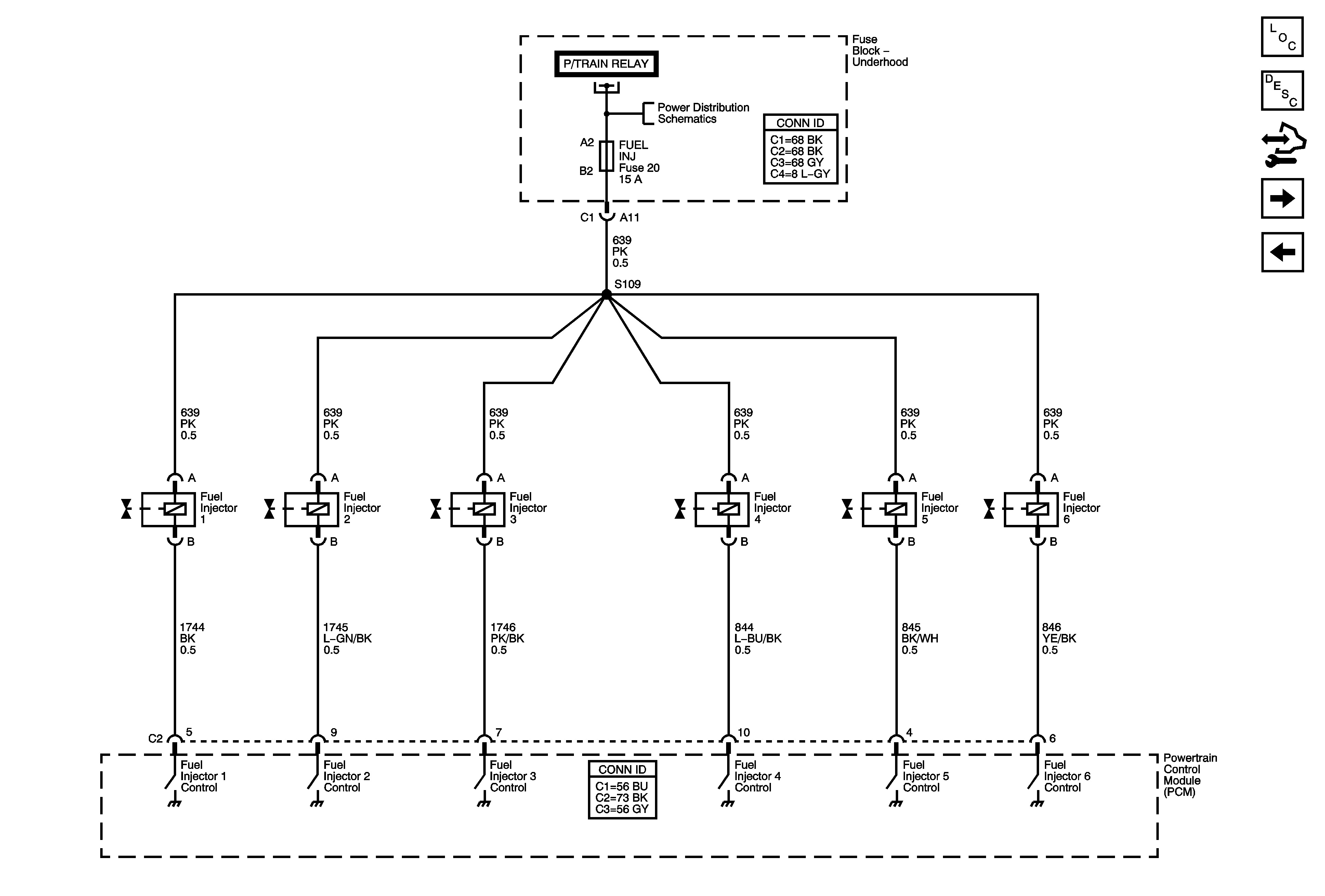
🢒 Fuel Injectors
Fuel Injectors
Fuel Injectors
Master Electrical Component List
Fuel System Description
Control Module References
EVAP, EGR, and FTP Controls
Fuel Pump Controls
Fuse Block-Underhood B+ Bus
Fuse Block-Underhood B+ Bus