GM Service Manual Online
For 1990-2009 cars only
Makes
🢒
Buick
🢒
2007
🢒
Allure
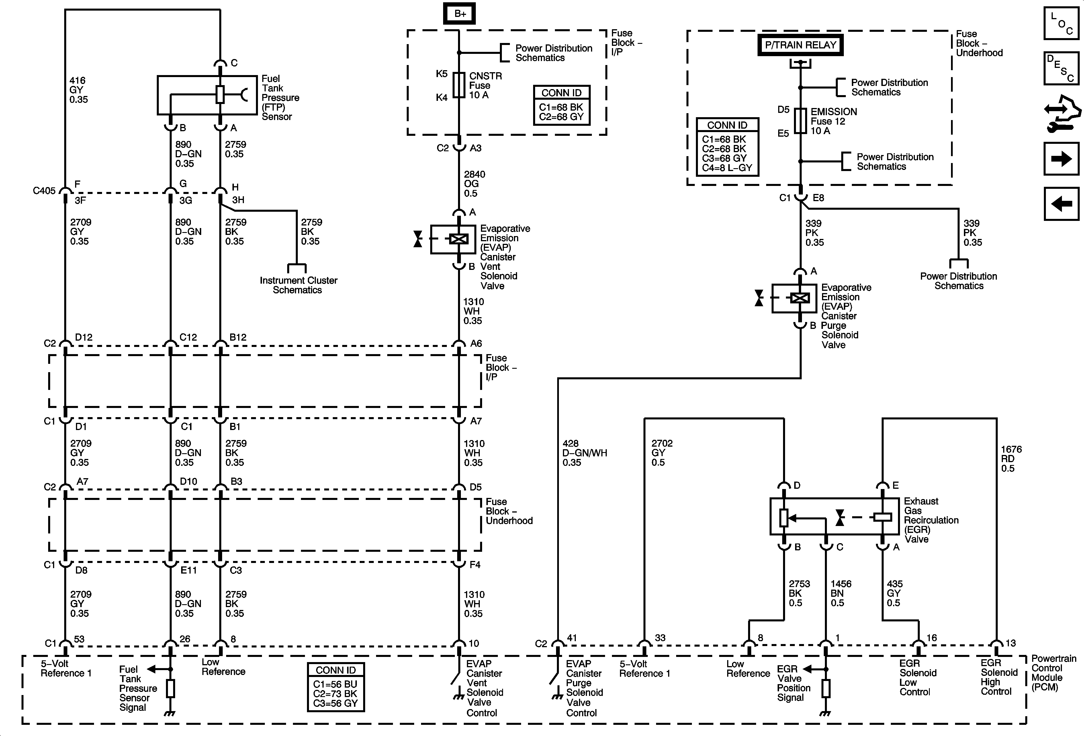
🢒 EVAP, EGR, and FTP Controls
EVAP, EGR, and FTP Controls
EVAP, EGR, and FTP Controls
Master Electrical Component List
Fuel System Description
Control Module References
AIR Controls (NU3)
Fuel Injectors
Fuse Block - Underhood BATT MAIN 1 Fuse
Fuse Block-Underhood B+ Bus
Fuse Block-Underhood B+ Bus
Fuse Block - Underhood ETC, ELEK IGN (L26), FUEL INJ (L26), 02 SSR (L26), and EMISSION Fuses
Power, Ground, Serial Data, and Gages L26
Fuse Block - Underhood ETC, ELEK IGN (L26), FUEL INJ (L26), 02 SSR (L26), and EMISSION Fuses