GM Service Manual Online
For 1990-2009 cars only
Makes
🢒
Buick
🢒
2007
🢒
Allure
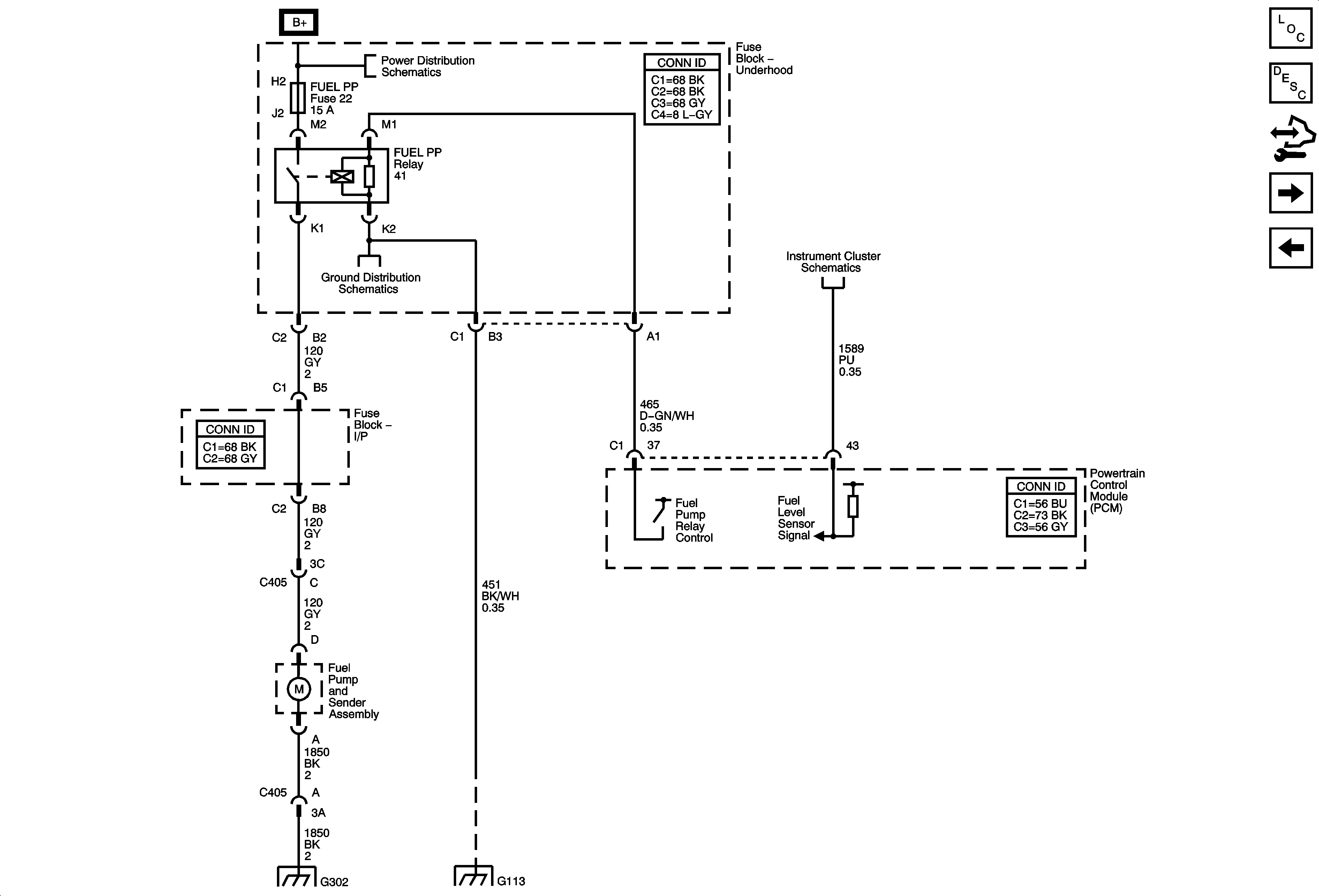
🢒 Fuel Pump Controls
Fuel Pump Controls
Fuel Pump Controls
Master Electrical Component List
Fuel System Description
Control Module References
Fuel Injectors
Ignition Controls
Fuse Block-Underhood B+ Bus
Power, Ground, Serial Data, and Gages L26
G302
G101, G102, G103, G111, G112, and G113