GM Service Manual Online
For 1990-2009 cars only
Makes
🢒
Buick
🢒
2007
🢒
Allure
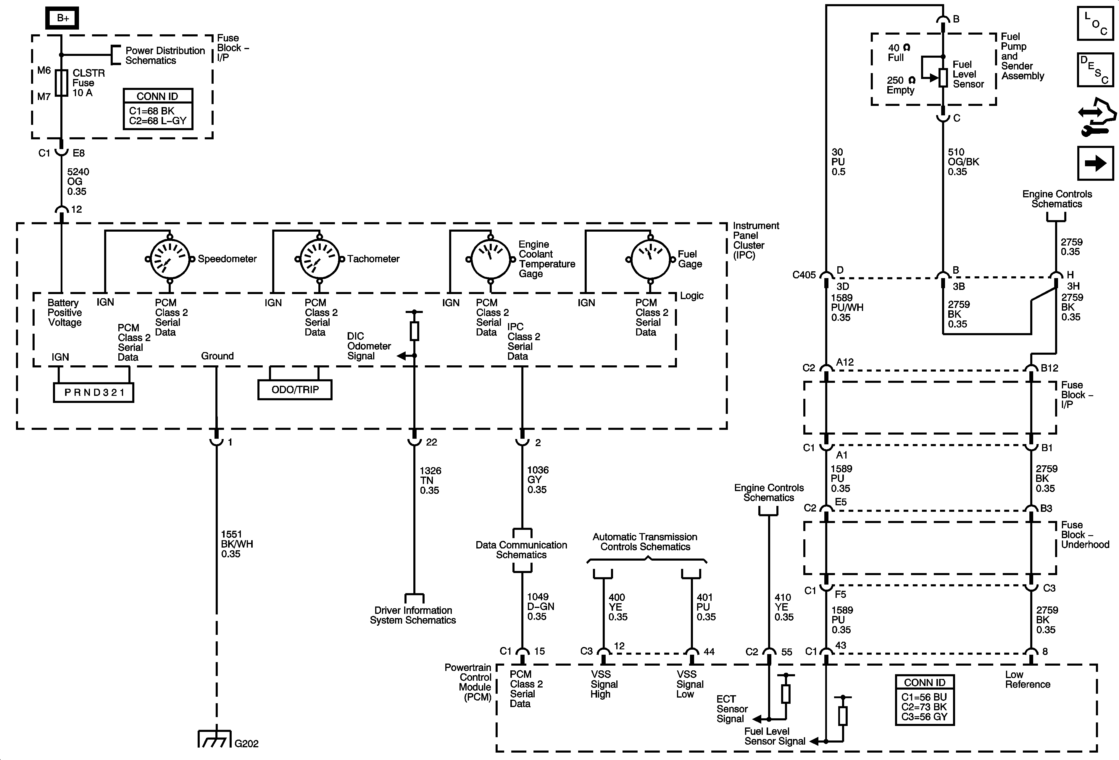
🢒 Power, Ground, Serial Data, and Gages L26
Power, Ground, Serial Data, and Gages L26
Power, Ground, Serial Data, and Gages (L26)
Master Electrical Component List
Instrument Cluster Description and Operation
Control Module References
Power, Ground, Serial Data, and Gages LY7
Fuse Block - Underhood BATT MAIN 1 Fuse
EVAP, EGR, and FTP Controls
Driver Information System
Data Link Connector Schematics L26
PC Solenoid Valve, Fluid Pressure Manual Valve Position Switch, ISS and VSS Sensors (L26)
Pressure and Temperature Sensors
G202