GM Service Manual Online
For 1990-2009 cars only
Makes
🢒
Buick
🢒
2007
🢒
Allure
🢒 Power Ground, DLC Indicators, Sensors, and References
Power Ground, DLC Indicators, Sensors, and References
Power, Ground, DLC, Indicators, Sensors, and References
Master Electrical Component List
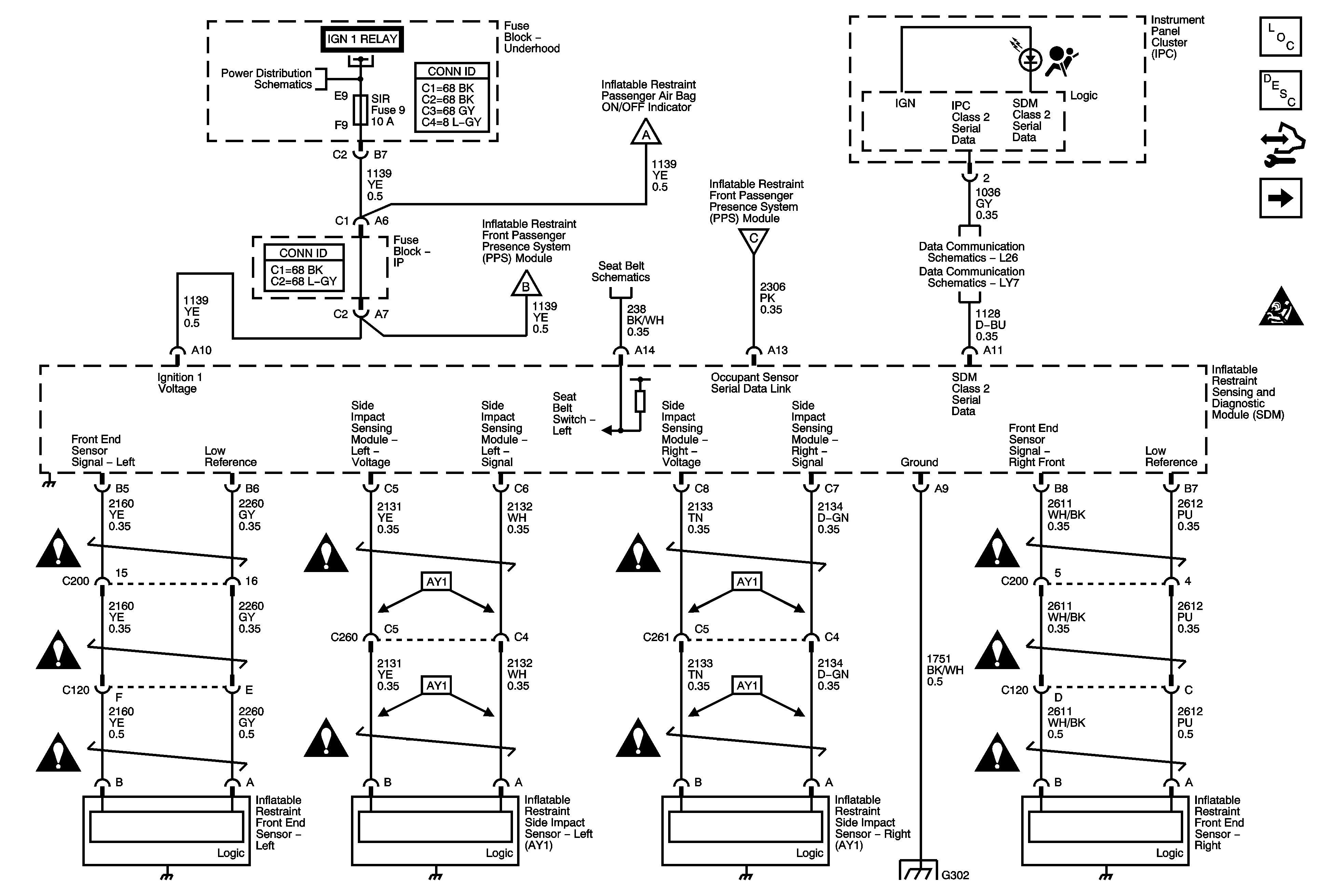
SIR System Description and Operation
Control Module References
Air Bag Modules and Seat Belt Pretensioners
SIR Schematic Icons
Fuse Block-Underhood B+ Bus
Fuse Block-Underhood B+ Bus
Passenger Presence System
Passenger Presence System
Seat Belts Schematics
Passenger Presence System
Data Link Connector Schematics L26
Data Link Connector (DLC) Schematics LY7
SIR Schematic Icons
SIR Schematic Icons
SIR Schematic Icons
SIR Schematic Icons
SIR Schematic Icons
SIR Schematic Icons
SIR Schematic Icons
SIR Schematic Icons
SIR Schematic Icons
SIR Schematic Icons
G302