GM Service Manual Online
For 1990-2009 cars only
Makes
🢒
Buick
🢒
2007
🢒
Allure
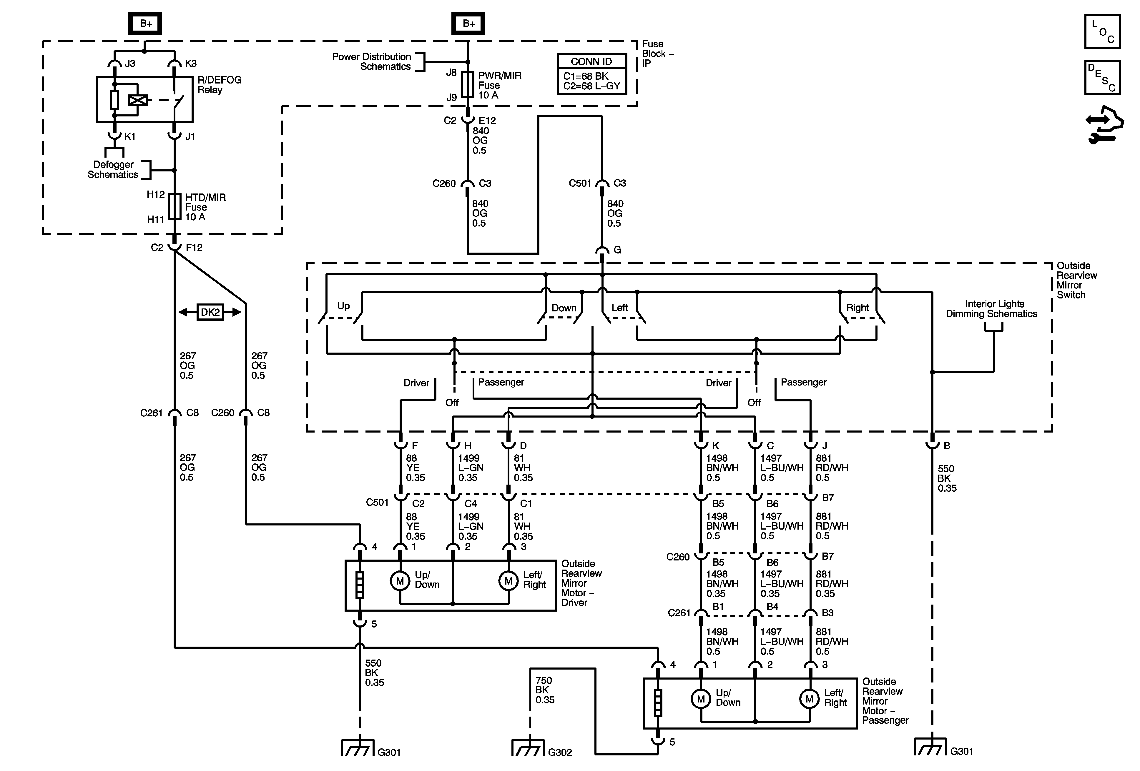
🢒 Outside Mirror Schematics
Outside Mirror Schematics
Master Electrical Component List
Outside Mirror Description and Operation
Control Module References
Defogger
Fuse Block - Underhood BATT MAIN 2 Fuse
I/P, Console, and Driver Door Lighting
G301
G302
G301