GM Service Manual Online
For 1990-2009 cars only
Makes
🢒
Buick
🢒
2007
🢒
Allure
🢒 Defogger
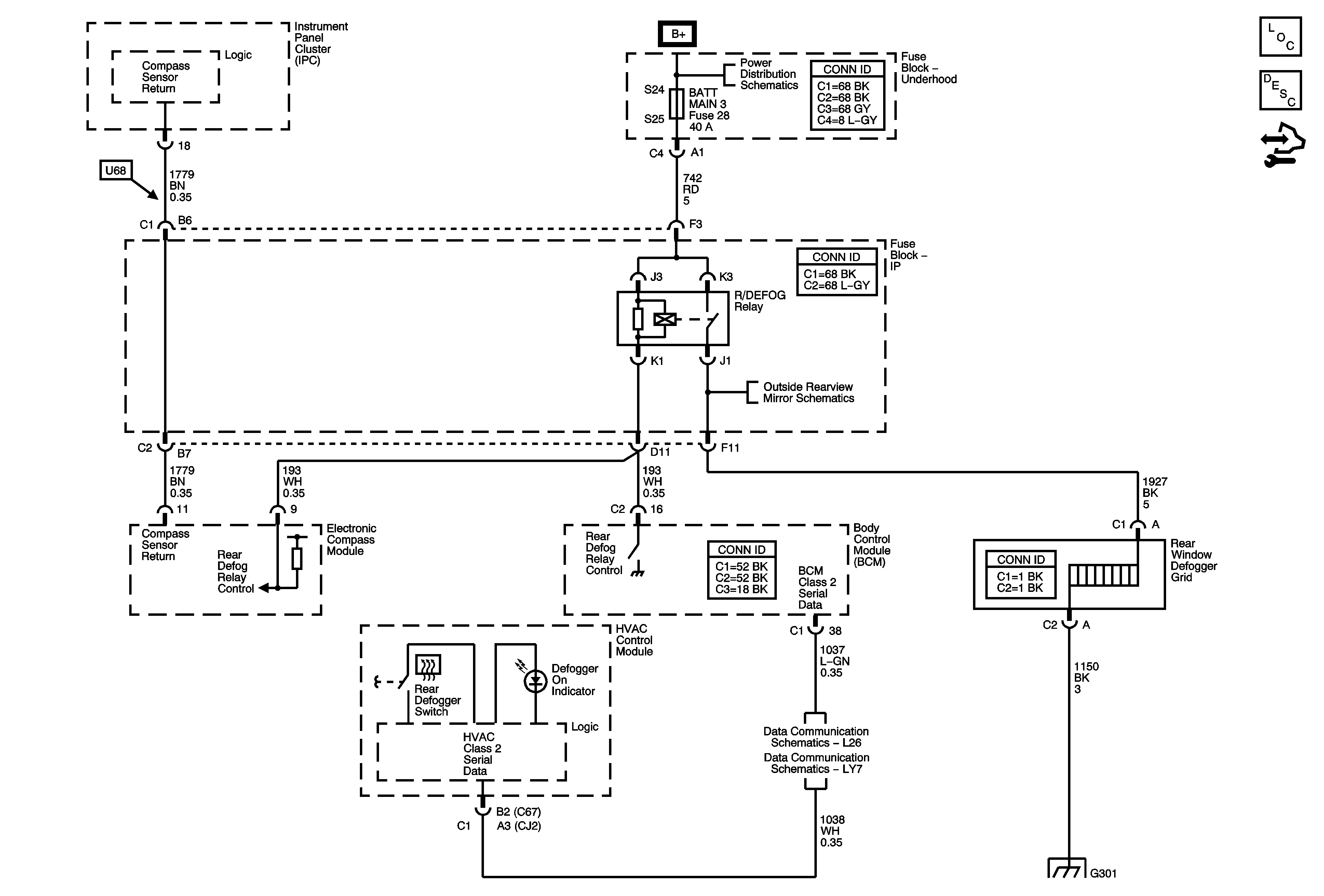
Defogger
Master Electrical Component List
Rear Window Defogger Description and Operation
Control Module References
Outside Mirror Schematics
Data Link Connector Schematics L26
Data Link Connector (DLC) Schematics LY7
G301