GM Service Manual Online
For 1990-2009 cars only
Makes
🢒
Buick
🢒
2007
🢒
Allure
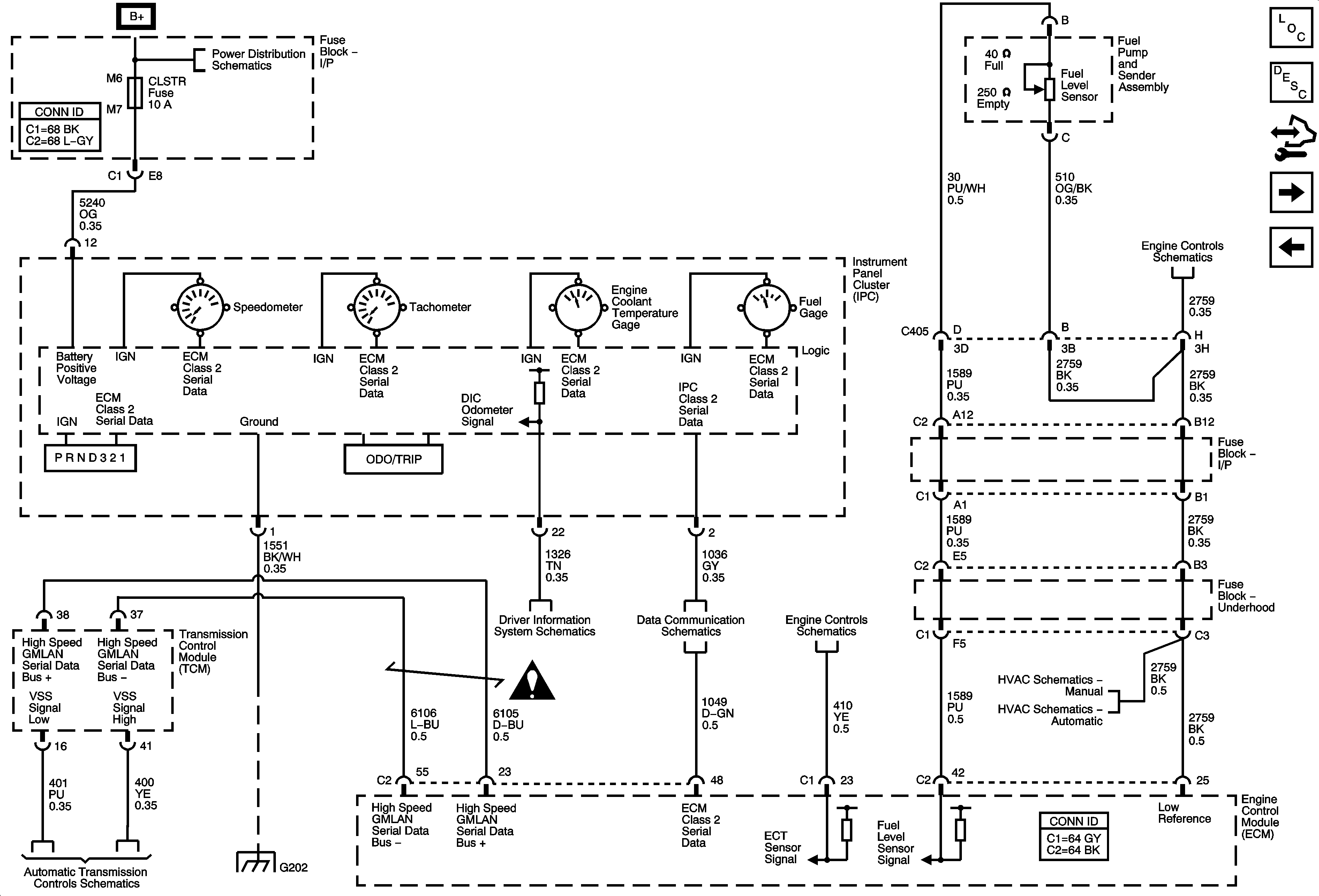
🢒 Power, Ground, Serial Data, and Gages LY7
Power, Ground, Serial Data, and Gages LY7
Power, Ground, Serial Data, and Gages (LY7)
Master Electrical Component List
Instrument Cluster Description and Operation
Control Module References
Ambient Air Temperature Sensor, Electronic Compass
Power, Ground, Serial Data, and Gages L26
Fuse Block - Underhood BATT MAIN 1 Fuse
EVAP Controls
Driver Information System
Displays and Gages Schematic Icons
Data Link Connector (DLC) Schematics LY7
Pressure and Temperature Sensors
Compressor Controls and Serial Data (LY7)
Compressor Controls and Serial Data (LY7)
PC Solenoid Valve, Fluid Pressure Manual Valve Position Switch, ISS and VSS Sensors (LY7)
G202