GM Service Manual Online
For 1990-2009 cars only
Makes
🢒
Buick
🢒
2007
🢒
Allure
🢒 Ambient Air Temperature Sensor, Electronic Compass
Ambient Air Temperature Sensor, Electronic Compass
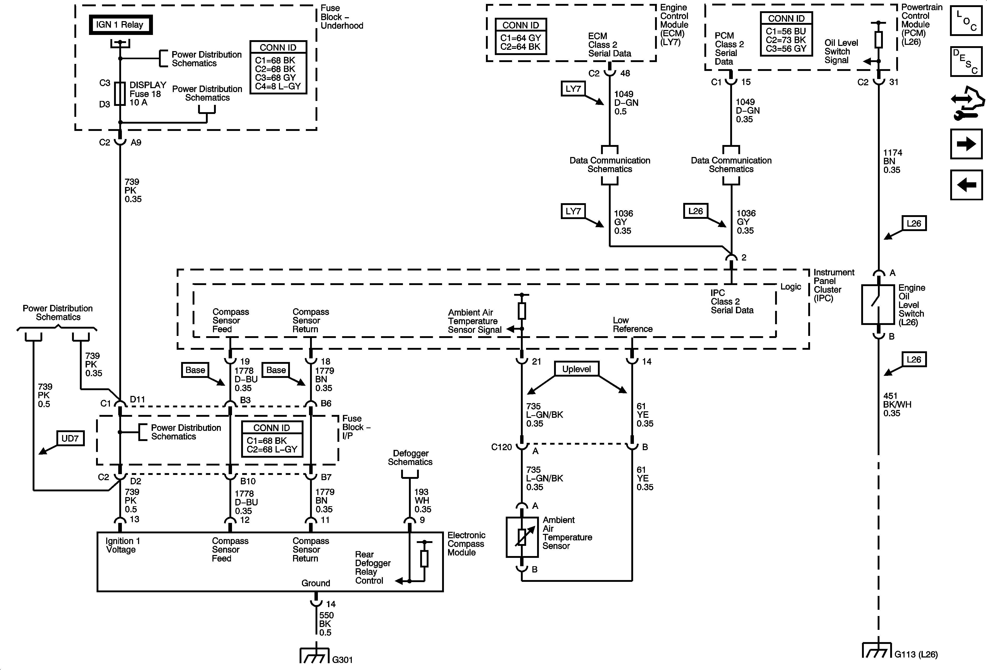
Ambient Air Temperature Sensor, Electronic Compass Module, and Oil Level Switch
Master Electrical Component List
Instrument Cluster Description and Operation
Control Module References
Indicators U2E
Power, Ground, Serial Data, and Gages LY7
Fuse Block-Underhood B+ Bus
Fuse Block-Underhood B+ Bus
Fuse Block - Underhood ABS, TRANS SOL, PCM, SIR, and DIPSLAY Fuses, CRANK Relay, and Fuse Block - I/P CRUISE SW Fuse
Data Link Connector (DLC) Schematics LY7
Data Link Connector Schematics L26
Fuse Block - Underhood ABS, TRANS SOL, PCM, SIR, and DIPSLAY Fuses, CRANK Relay, and Fuse Block - I/P CRUISE SW Fuse
Defogger
G301
G101, G102, G103, G111, G112, and G113