GM Service Manual Online
For 1990-2009 cars only
Makes
🢒
Buick
🢒
2007
🢒
Allure
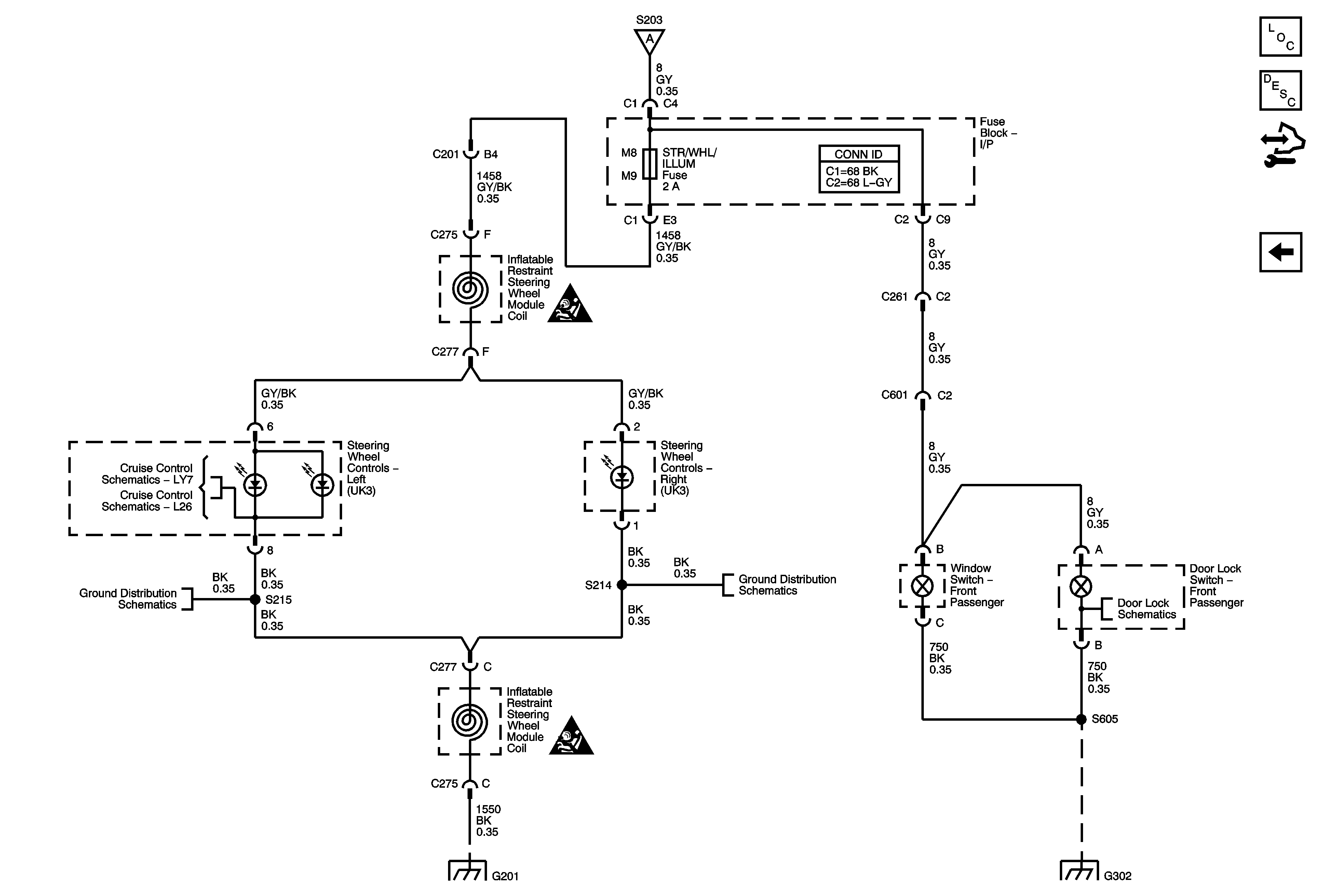
🢒 Steering Wheel and Front Passenger Door Lighting
Steering Wheel and Front Passenger Door Lighting
Steering Wheel and Front Passenger Door Lighting
Master Electrical Component List
Interior Lighting Systems Description and Operation
Control Module References
I/P, Console, and Driver Door Lighting
I/P, Console, and Driver Door Lighting
Lighting Systems Schematic Icons
Cruise Control Schematics LY7
Cruise Control Schematics L26
G201
G201
Lock Indicator Switches
Lighting Systems Schematic Icons
G201
G302