GM Service Manual Online
For 1990-2009 cars only
Makes
🢒
Buick
🢒
2007
🢒
Allure
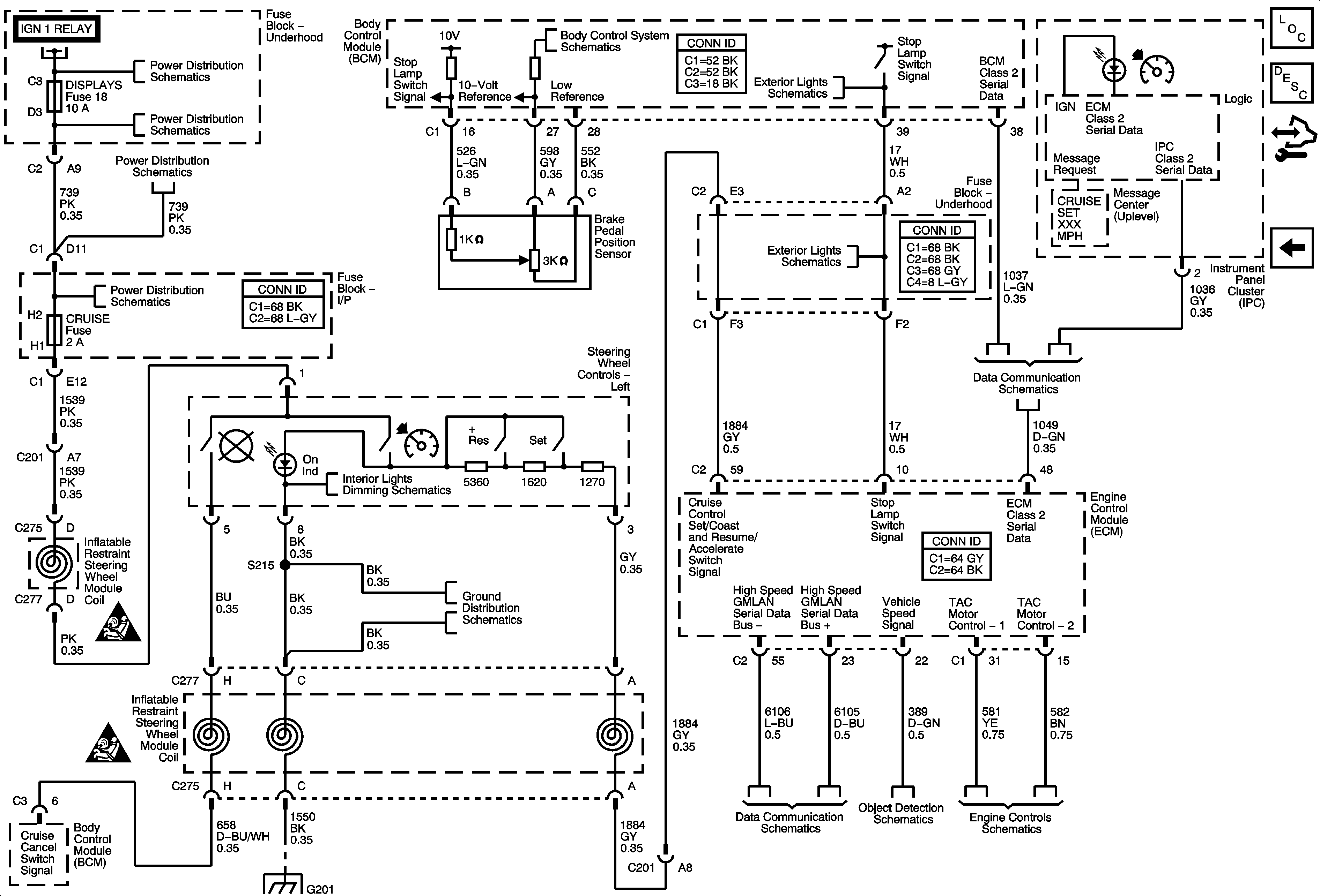
🢒 Cruise Control Schematics LY7
Cruise Control Schematics LY7
LY7
Master Electrical Component List
Cruise Control Description and Operation 3.8L
Control Module References
Cruise Control Schematics L26
Fuse Block-Underhood B+ Bus
Exterior Lights and Interior Lights References
Fuse Block-Underhood B+ Bus
Turn Signal, Hazard and Stop Lamps Outputs
Fuse Block - Underhood ABS, TRANS SOL, PCM, SIR, and DIPSLAY Fuses, CRANK Relay, and Fuse Block - I/P CRUISE SW Fuse
Turn Signal, Hazard and Stop Lamps Outputs
Fuse Block - Underhood ABS, TRANS SOL, PCM, SIR, and DIPSLAY Fuses, CRANK Relay, and Fuse Block - I/P CRUISE SW Fuse
Data Link Connector (DLC) Schematics LY7
Steering Wheel and Front Passenger Door Lighting
Cruise Control Schematic Icons
G201
Cruise Control Schematic Icons
Data Link Connector (DLC) Schematics LY7
Object Detection Schematics
Electronic Throttle Controls