GM Service Manual Online
For 1990-2009 cars only
Makes
🢒
Buick
🢒
2007
🢒
Allure
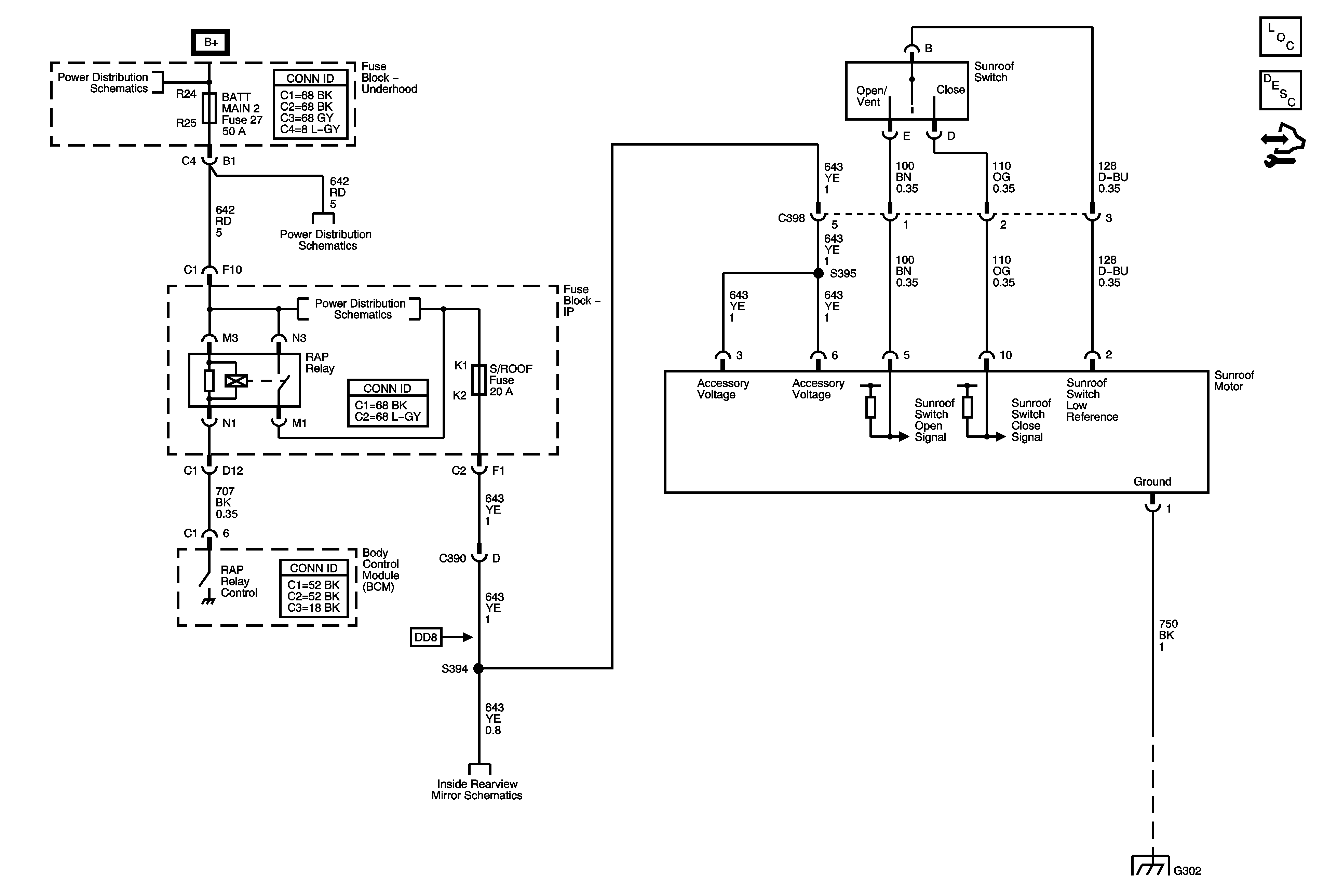
🢒 Power Sunroof Schematics
Power Sunroof Schematics
Master Electrical Component List
Sunroof Description and Operation One Connector System
Control Module References
Fuse Block-Underhood B+ Bus
Fuse Block - Underhood BATT MAIN 2 Fuse
Fuse Block - Underhood BATT MAIN 2 Fuse
Inside Rearview Mirror
G302