GM Service Manual Online
For 1990-2009 cars only

Refer to

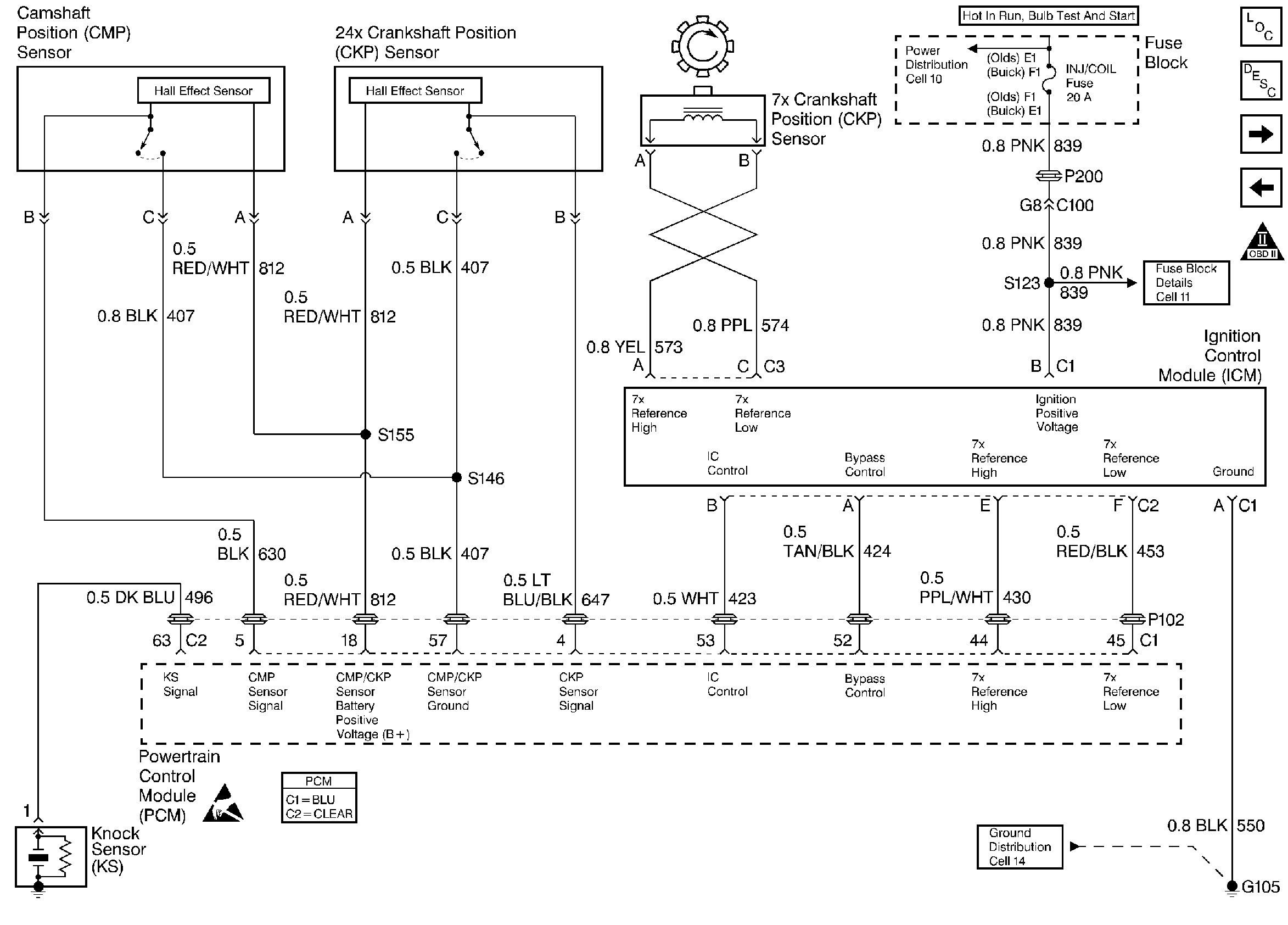
Ignition Control and the Knock Sensor System


Object Number: 28319  Size: FS
Fuel Pump System
MIL, Instrument Panel, and the DLC
OBD II Symbol Description Notice
Handling ESD Sensitive Parts Notice

Circuit Description

A 3X reference signal is produced by the ignition control (IC) module. The IC module calculates the 3X reference signal by dividing the crankshaft position (CKP) sensor 7X pulses by 2 when the engine is running and the CKP synchronizing pulses are being received. The powertrain control module (PCM) uses the 3X reference signal to calculate the engine RPM and the CKP at engine speeds above 1,600 RPM. The PCM also uses these pulses to initiate injector pulses. The PCM compares the 3X reference pulses to the 24X CKP pulses and the camshaft position (CMP) pulses. The PCM will use the 24X CKP reference circuit for fuel and ignition control. The engine will continue to start and run using only the 24X CKP and CMP sensor signals. If the PCM detects an incorrect number of pulses on the low resolution engine speed signal circuit, DTC P1374 sets.

Conditions for Setting the DTC

    • The engine is running (24X reference pulses are being received).
    • Incorrect number of 3X signals per engine cycle.

Action Taken When the DTC Sets

    • The PCM will illuminate the malfunction indicator lamp (MIL) during the second consecutive trip in which the diagnostic test has been run and failed.
    • The PCM will store conditions which were present when the DTC set as Freeze Frame and Failure Records data.

Conditions for Clearing the MIL/DTC

    • The PCM will turn OFF the MIL during the third consecutive trip in which the diagnostic has been run and passed.
    • The History DTC will clear after 40 consecutive warm-up cycles have occurred without a malfunction.
    • The DTC can be cleared by using the scan tool.

Diagnostic Aids

An intermittent may be caused by a poor connection, rubbed through wire insulation or a wire broken inside the insulation. Check for:

    • Poor connection. Inspect the PCM harness and connectors for improper mating, broken locks, improperly formed or damaged terminals, and poor terminal to wire connection.
    • Damaged harness. Inspect the wiring harness for damage. If the harness appears to be OK, disconnect the PCM, turn the ignition ON and observe a voltmeter connected to the 3X reference circuit at the PCM harness connector while moving connectors and wiring harnesses related to the ICM. A change in voltage will indicate the location of the fault.

Reviewing the Fail Records vehicle mileage since the diagnostic test last failed may help determine how often the condition that caused the DTC to be set occurs. This may assist in diagnosing the condition.

Test Description

Number(s) below refer to the step number(s) on the Diagnostic Table.

  1. This vehicle is equipped with a PCM which utilizes an Electrically Erasable Programmable Read Only Memory (EEPROM). When the PCM is being replaced, the new PCM must be programmed. Refer to A Powertrain On Board Diagnostic (OBD) System Check .

DTC P1374 - 3X Reference Circuit

Step

Action

Value(s)

Yes

No

1

Was the A Powertrain On Board Diagnostic (OBD) System Check performed?

--

Go to Step 2

Go to the A Powertrain On Board Diagnostic (OBD) System Check

2

Attempt to start the engine.

Does the engine start and continue to run?

--

Go to Step 3

Go to Engine Cranks but Does Not Run

3

  1. Review and record scan tool Fail Records data.
  2. Operate the vehicle within Fail Records conditions as noted.
  3. Monitor Specific DTC info for DTC P1374 on the scan tool.

Does the scan tool indicate DTC P1374 failed this ignition?

--

Go to Step 4

Refer to Diagnostic Aids

4

  1. Install a J 34730-2A Injector Test Light at any injector harness connector.
  2. Turn on the ignition switch.
  3. Connect a test light to ground.
  4. Repeatedly touch the test light to the 3 X reference circuit at the ignition control module harness connector while observing the injector test light.

Does the injector test light blink?

--

Go to Step 8

Go to Step 5

5

  1. Turn off the ignition switch.
  2. Disconnect the PCM.
  3. Turn on the ignition switch.
  4. Check for the following conditions:
  5. •  3 X reference circuit open.
    •  3 X reference circuit shorted to ground.
    •  3 X reference circuit shorted to voltage.
  6. If a problem is found, repair as necessary. Refer to Repair Procedures in Electrical Diagnosis.

Was a problem found?

--

Go to Step 11

Go to Step 6

6

    • Check the 3 X reference circuit for a poor terminal connection at the PCM.
    •  If a problem is found, replace faulty terminal. Refer to Repair Procedures in Electrical Diagnosis.

Was a problem found?

--

Go to Step 11

Go to Step 7

7

  1. Check for the following conditions:
  2. •  Incorrect harness routing near secondary ignition components.
    • Ignition coil arcing to the wiring harness or to the ignition control module (check the ignition coils for cracks, carbon tracking, or other signs of damage).
    •  Secondary ignition wire(s) arcing to the wiring harness.
  3. If a problem is found, repair as necessary.

Was a problem found?

--

Go to Step 11

Go to Step 10

8

  1. Check for faulty terminal connections at the Ignition Control Module (ICM).
  2. If a problem is found, replace faulty terminals as necessary. Refer to Repair Procedures in Electrical Diagnosis.

Was a problem found?

--

Go to Step 11

Go to Step 9

9

Replace the ignition control module. Refer to Ignition Control Module Replacement .

Is the action complete?

--

Go to Step 11

--

10

Replace the PCM.

Important:: The replacement PCM must be programmed. Go to PCM Replacement/Programming (Repair Procedure) .

Is the action complete?

--

Go to Step 11

--

11

  1. Review and record scan tool Fail Records data.
  2. Clear DTCs.
  3. Operate the vehicle within Fail Records conditions as noted.
  4. Using a scan tool, monitor Specific DTC info for DTC P1374.

Does the scan tool indicate DTC P1374 failed?

--

Go to Step 2

System OK