GM Service Manual Online
For 1990-2009 cars only
Makes
🢒
Buick
🢒
1999
🢒
Century
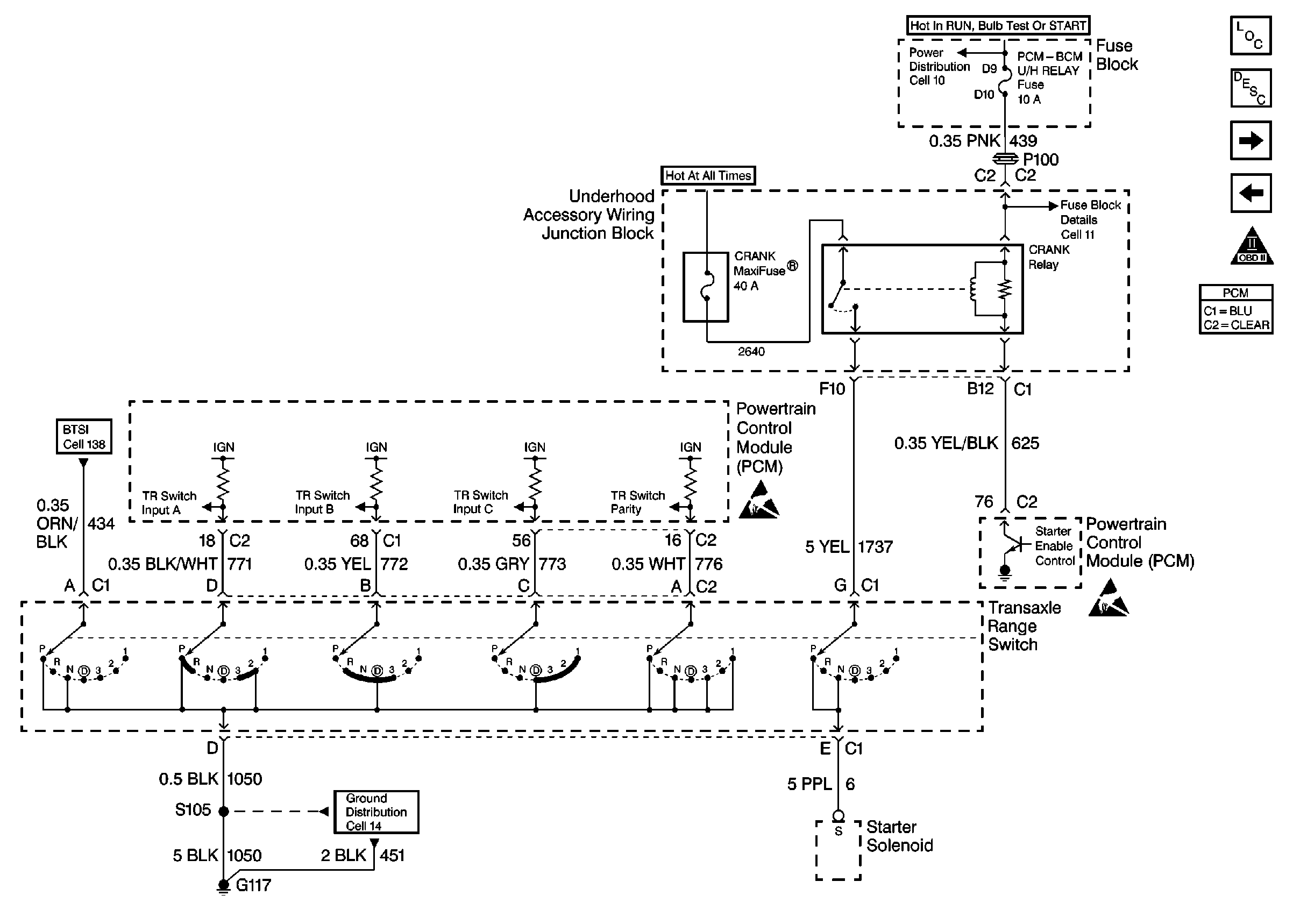
🢒 Cell 20: Transaxle Range Switch
Cell 20: Transaxle Range Switch
Cell 20: Transaxle Range Switch
Cell 20: Automatic Transaxle and TCC Switch
OBDII Symbol Description Notice
Cell 20: Indicator Lamps
Cell 10: Ignition Switch
Cell 11: TURN SIGNALS CORN LPS, AIR BAG, CLUSTER, DRL and PCM-BCM U/H RELAY Fuses
Cell 138: Btsi, Transaxle Range Switch, UAWJB 2 of 2
Cell 14: G113, and G117
Handling Electrostatic Discharge Sensitive Parts Notice
Handling Electrostatic Discharge Sensitive Parts Notice